GM Service Manual Online
For 1990-2009 cars only

Removal Procedure


    Object Number: 22853  Size: SH
  1. Pull the air filter from the engine compartment.

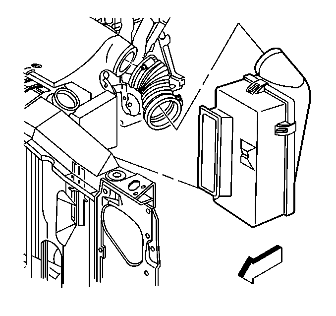
  2. Object Number: 22855  Size: SH
  3. Loosen the air filter housing retaining clips
  4. Remove the air filter.

Installation Procedure


    Object Number: 22855  Size: SH
  1. Install the air filter.
  2. Tighten the retaining clips.

  3. Object Number: 22853  Size: SH
  4. Reposition the air filter housing into the engine compartment.