GM Service Manual Online
For 1990-2009 cars only
Makes
🢒
Isuzu
🢒
1998
🢒
S/T Isuzu - 2WD
🢒
Body and Accessories
🢒
Horns
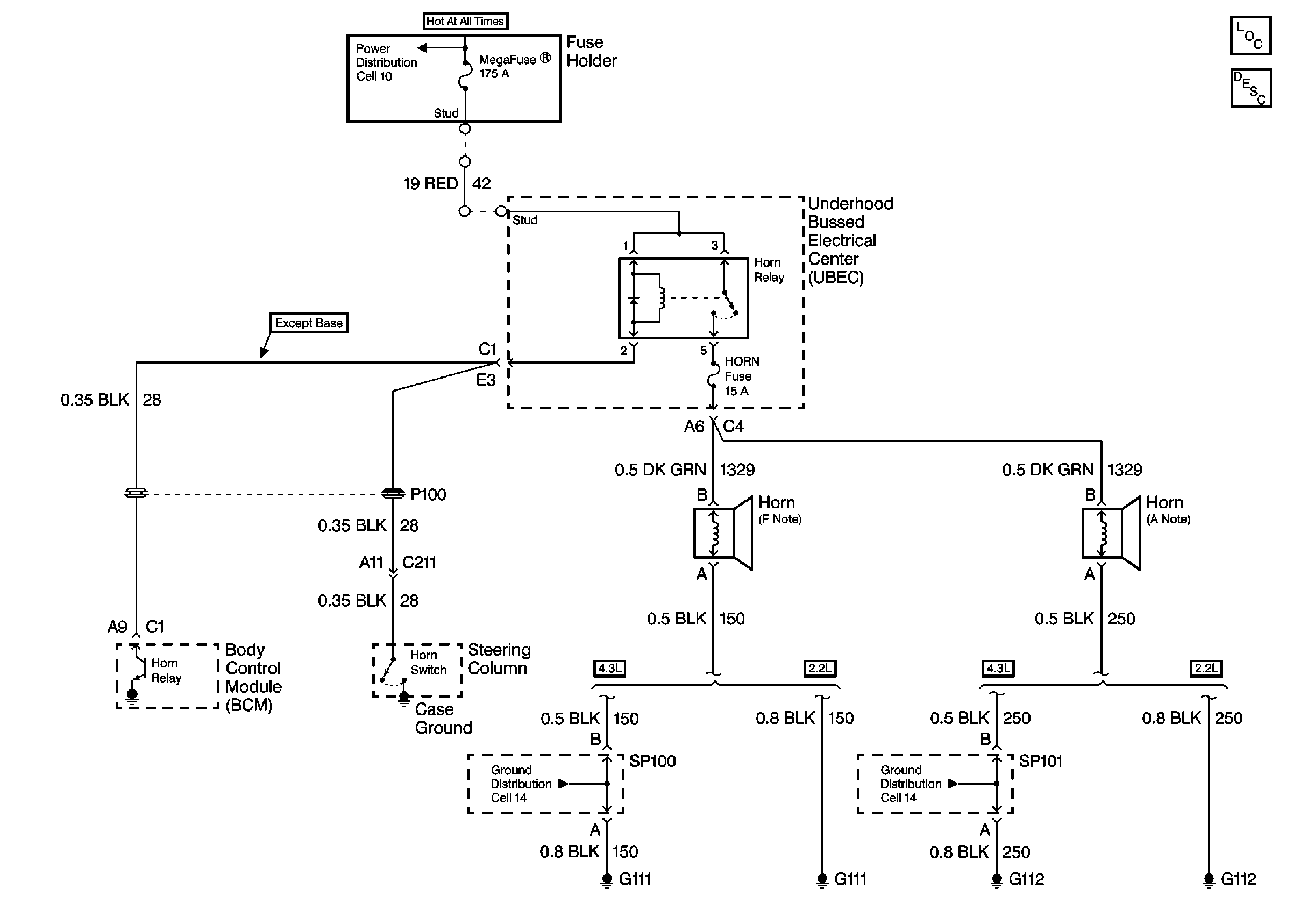
🢒 Horn Schematics
Cell 40: UBEC and Steering Column
Horns Components
Cigar Lighter/Auxiliary Outlet Circuit Description
Ground Distribution Schematics
Ground Distribution Schematics