GM Service Manual Online
For 1990-2009 cars only
Makes
🢒
Isuzu
🢒
1999
🢒
S/T Isuzu - 2WD
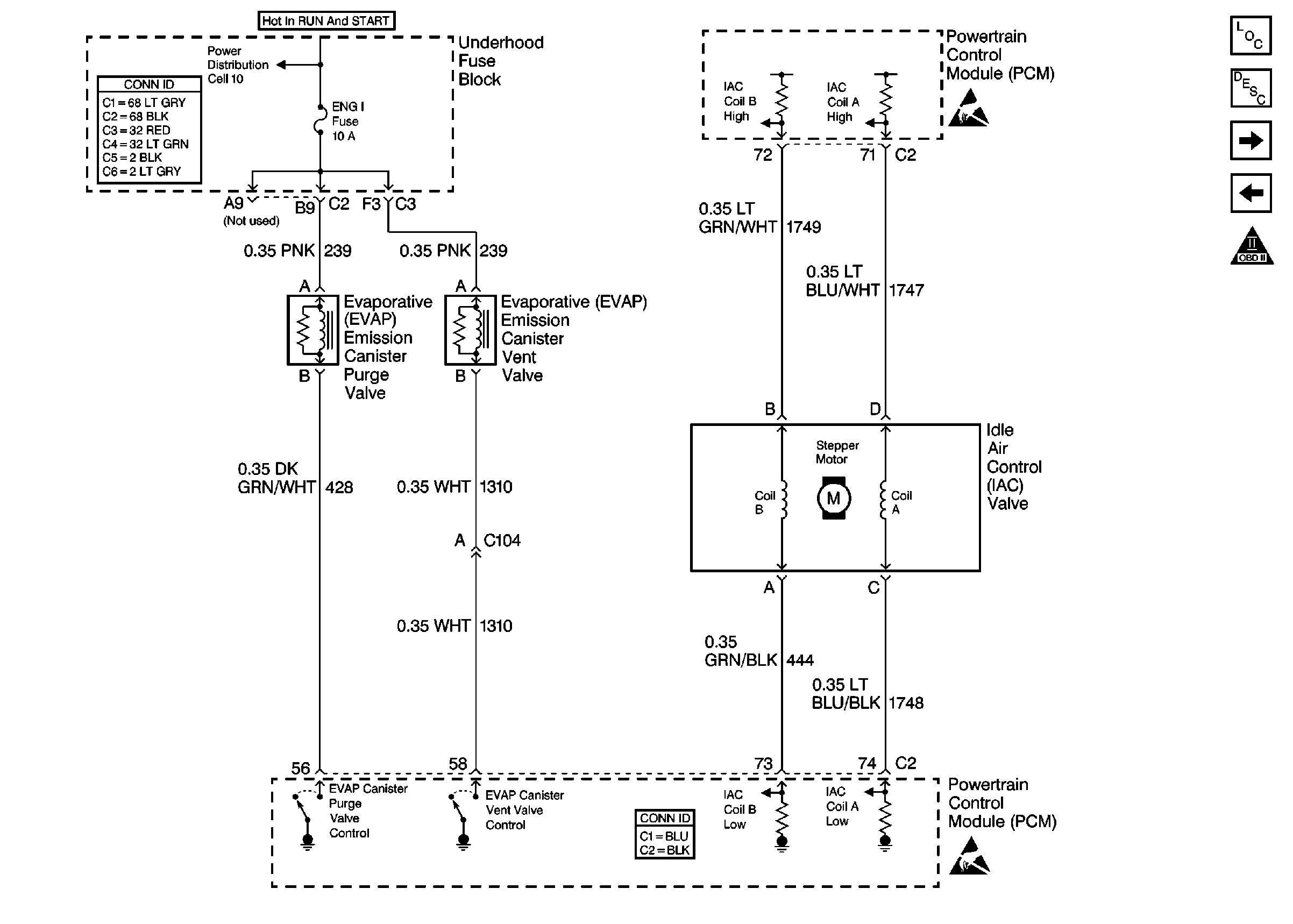
🢒 Cell 20: EGR Valve, EVAP and IAC Controls
Cell 20: EGR Valve, EVAP and IAC Controls
Cell 20: EGR Valve, EVAP and IAC Controls
Power and Grounding Connector End Views
Cell 10: IGN C, IGN A Fuses and Ignition Switch
Powertrain Control Module Connector End Views
Handling ESD Sensitive Parts Notice
Handling ESD Sensitive Parts Notice
Engine Controls Components
Powertrain Control Module Description
Cell 20: Vehicle Speed Sensor Signal
Cell 20: Oxygen Sensors
OBD II Symbol Description Notice