GM Service Manual Online
For 1990-2009 cars only
Makes
🢒
Isuzu
🢒
1999
🢒
S/T Isuzu - 2WD
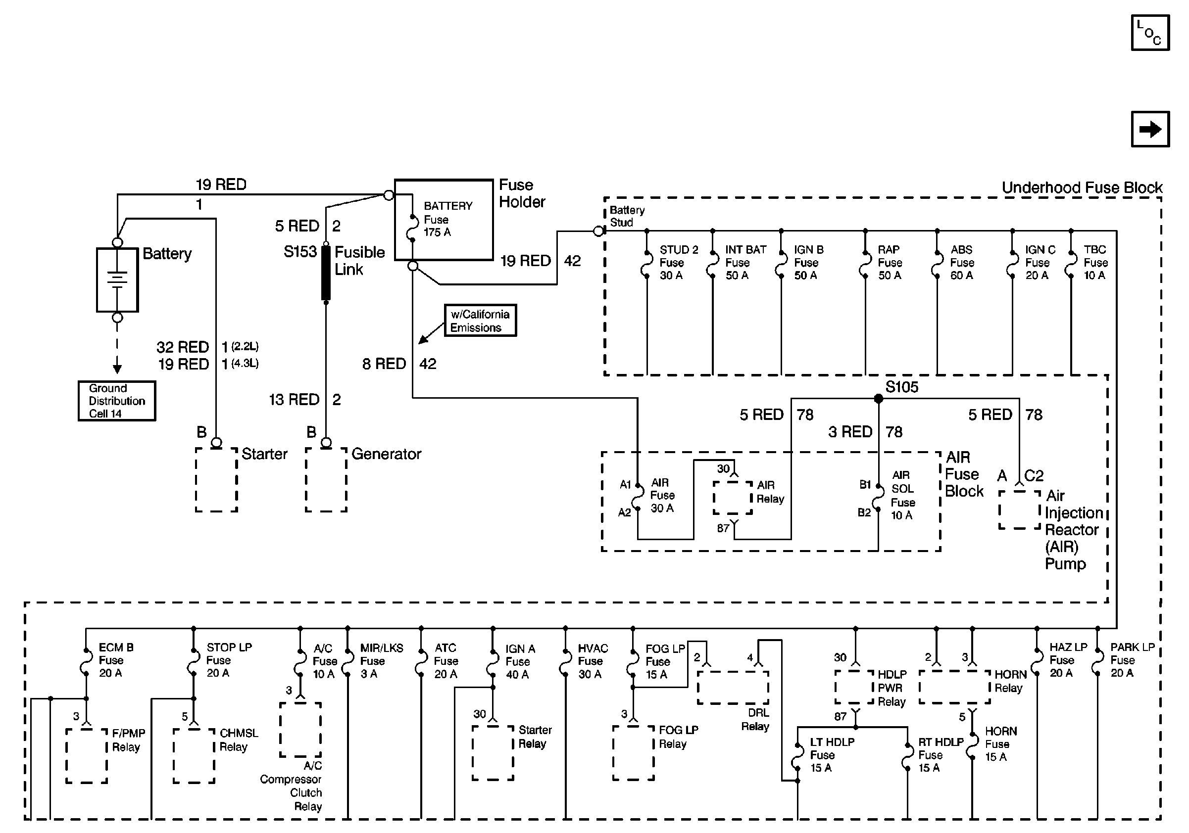
🢒 Cell 10: B+ Buss Bar
Cell 10: B+ Buss Bar
Cell 10: B+ Buss Bar
Power and Grounding Components
Cell 10: IGN C, IGN A Fuses and Ignition Switch
Cell 14: G106, G107, G108, G110 and G118