GM Service Manual Online
For 1990-2009 cars only
Figure 1:

Park/Neutral Position and Backup Lamp Switch (w/ A/T) (4.3L Shown, 2.2L Similar)


Object Number: 627280  Size: LF
(1)C104
(2)Park/Neutral Position and Backup Lamp Switch Connector C2
(3)Park/Neutral Position and Backup Lamp Switch Connector C1
(4)Oxygen Sensor Bank 1, Sensor 1
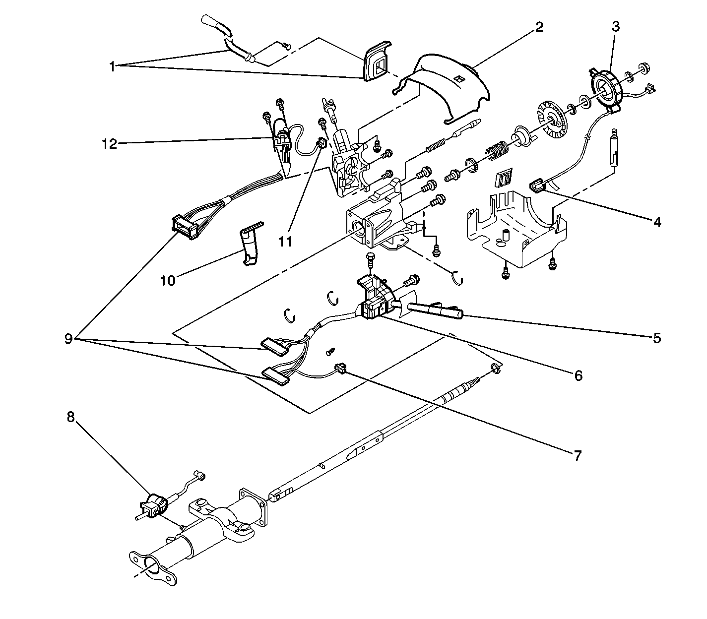
Figure 2:

Steering Column


Object Number: 627318  Size: LF
(1)Shift Lever Assembly
(2)Upper Shroud
(3)Inflatable Restraint Steering Wheel Module Coil
(4)C214
(5)Multifunction Switch
(6)G207
(7)Park Lock Solenoid Connector
(8)Automatic Transmission Shift Lock Solenoid
(9)C211
(10)Transmission Shift Lever
(11)Passlock Sensor Connector
(12)Ignition and Start Switch and Ignition Key Alarm Switch