GM Service Manual Online
For 1990-2009 cars only
Makes
🢒
Isuzu
🢒
2000
🢒
S/T Isuzu - 2WD
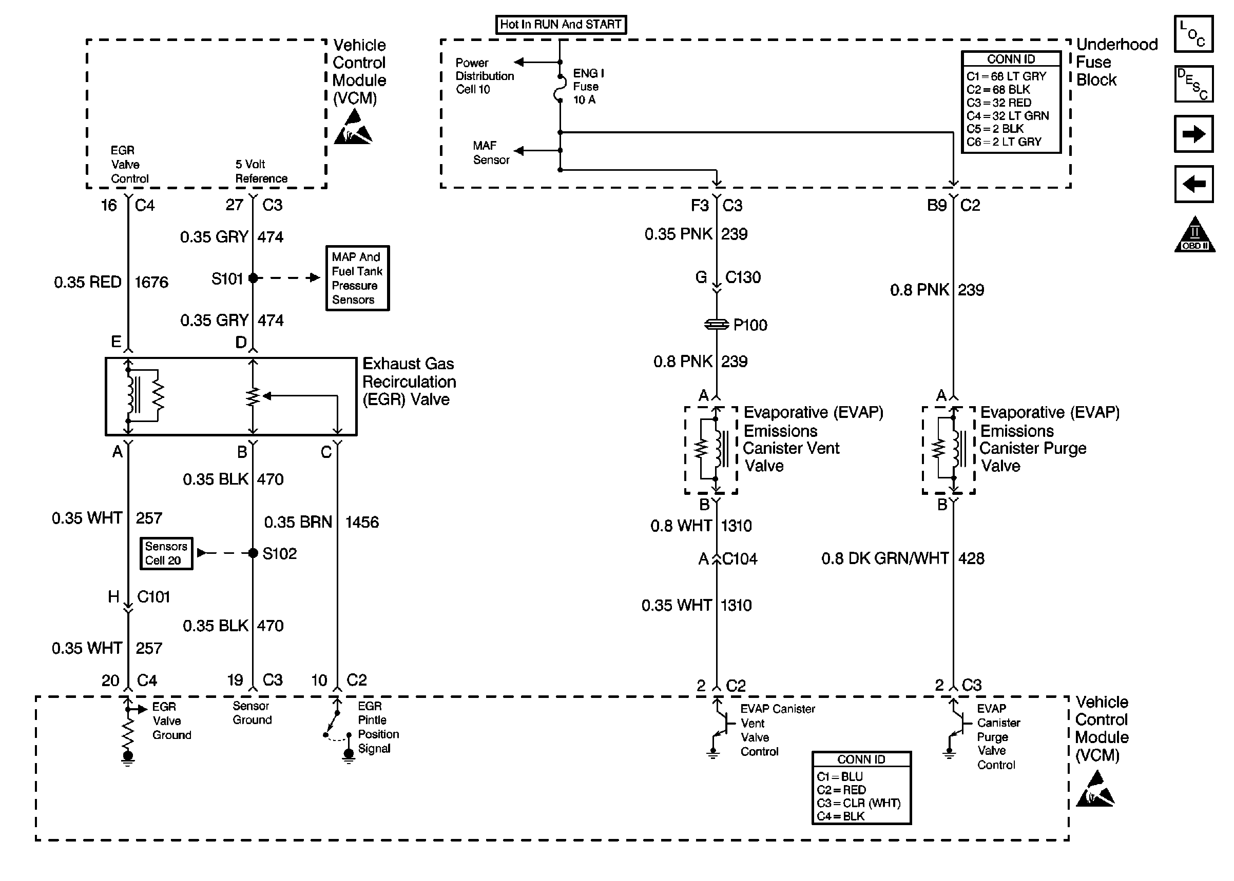
🢒 Cell 20: EGR Valve and EVAP Valves
Cell 20: EGR Valve and EVAP Valves
Cell 20: EGR Valve and EVAP Valves