GM Service Manual Online
For 1990-2009 cars only
Makes
🢒
Isuzu
🢒
2000
🢒
S/T Isuzu - 2WD
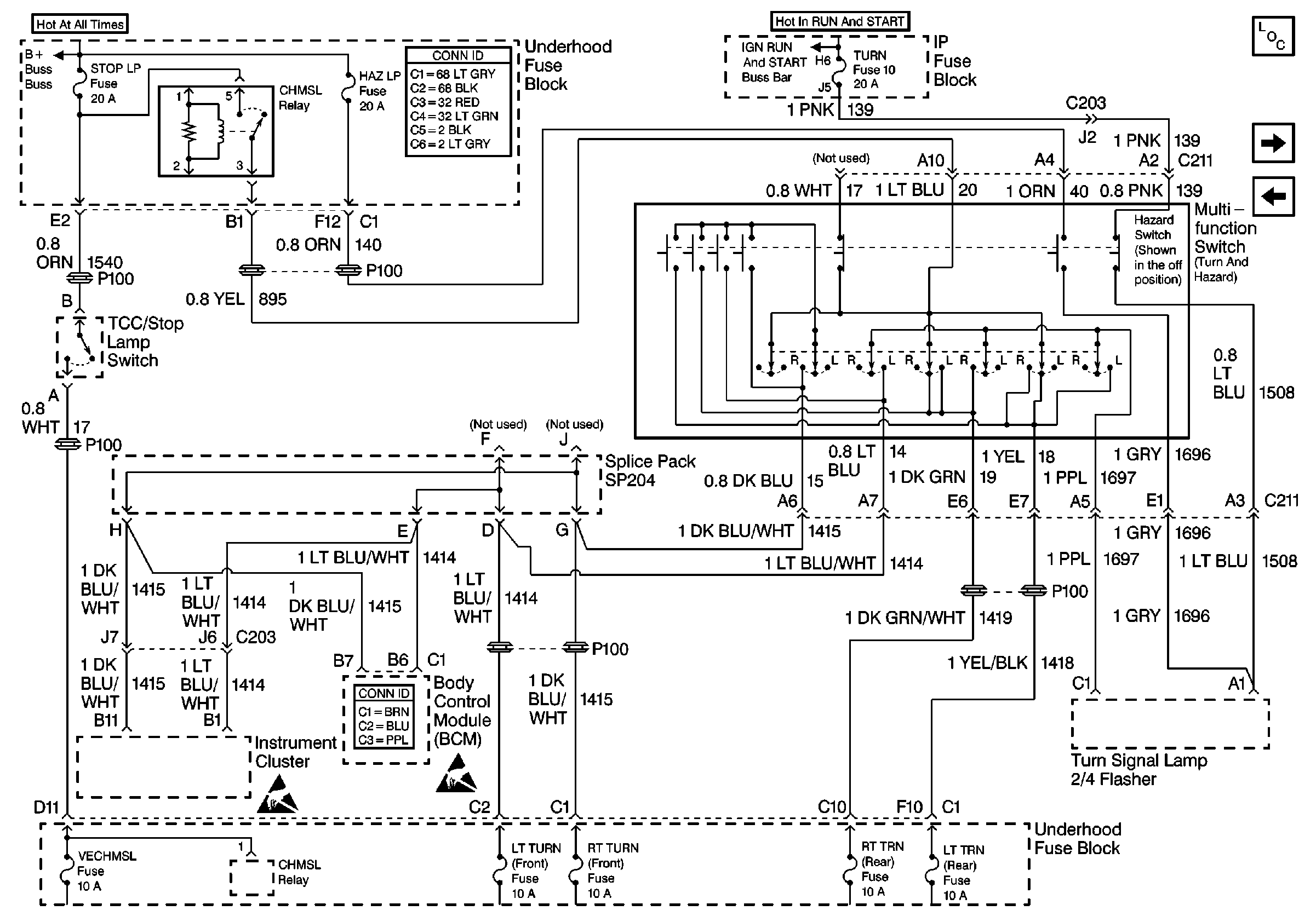
🢒 Cell 10: STOP LP, HAZ LP, TURN Fuses and Turn and Hazard Switch
Cell 10: STOP LP, HAZ LP, TURN Fuses and Turn and Hazard Switch
Cell 10: STOP LP, HAZ LP, TURN Fuses and Turn and Hazard Switch
Power and Grounding Connector End Views
Power and Grounding Components
Cell 10: STUD 2, ABS and TBC Fuses
Cell 10: RAP, IGN B Fuses and Ignition Switch
Handling ESD Sensitive Parts Notice
Handling ESD Sensitive Parts Notice
Body Control System Connector End Views