GM Service Manual Online
For 1990-2009 cars only
Makes
🢒
Isuzu
🢒
2000
🢒
S/T Isuzu - 2WD
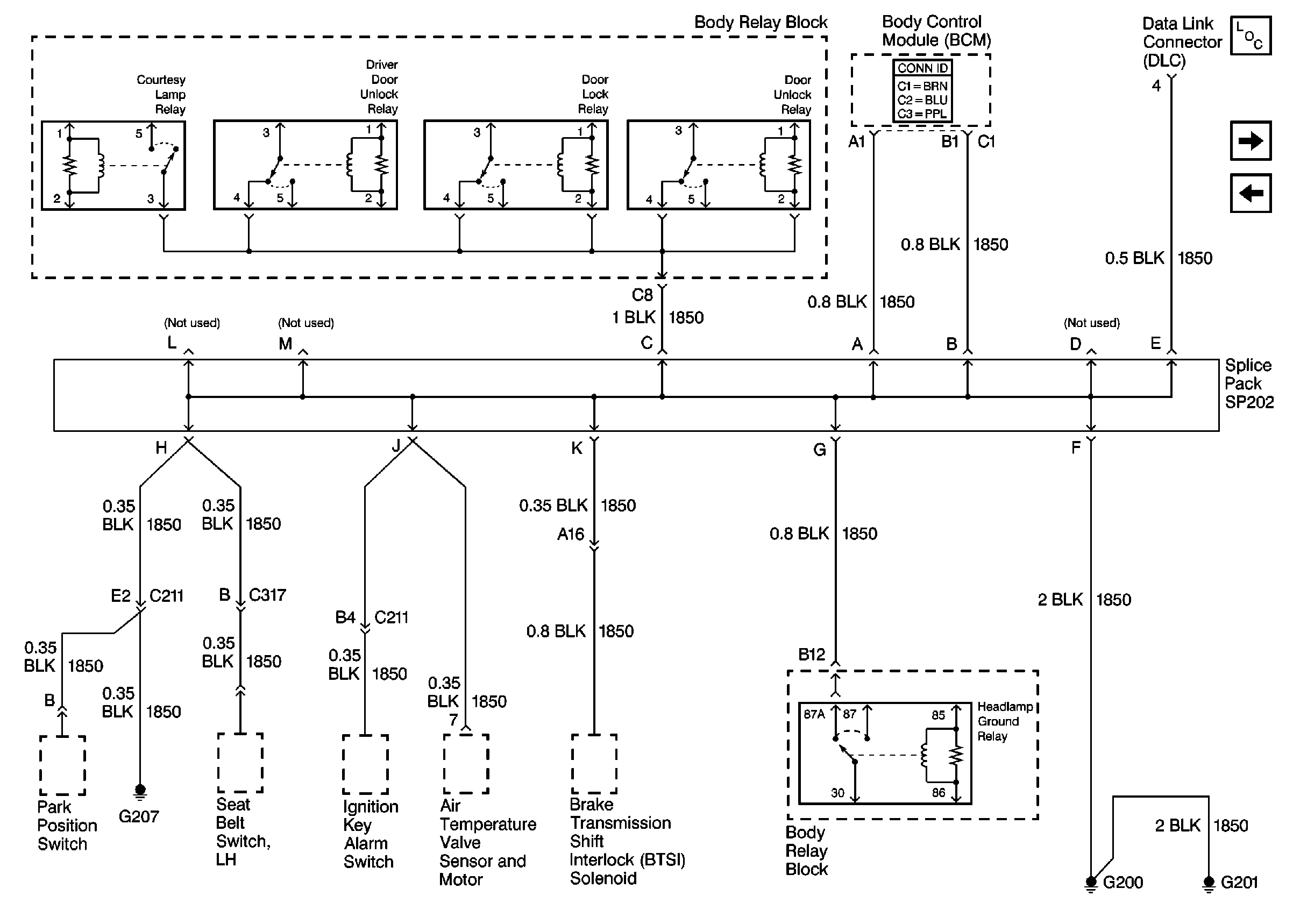
🢒 Cell 14: G200, G201 and G207
Cell 14: G200, G201 and G207
Cell 14: G200, G201 and G207
Body Control System Connector End Views
Power and Grounding Components
Cell 14: G202
Cell 14: G104 and G117