GM Service Manual Online
For 1990-2009 cars only
Makes
🢒
Isuzu
🢒
2000
🢒
S/T Isuzu - 2WD
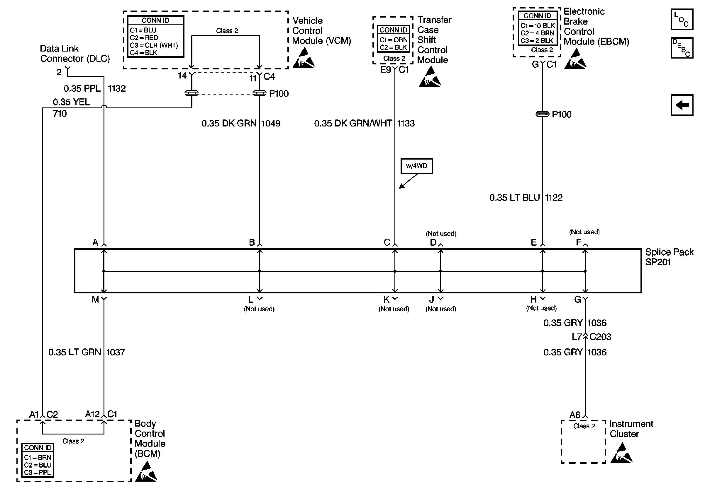
🢒 Cell 50: SP201 (4.3L)
Cell 50: SP201 (4.3L)
Cell 50: SP201 (4.3L)
VCM Connector End Views
Handling ESD Sensitive Parts Notice
Transfer Case Control Connector End Views
Handling ESD Sensitive Parts Notice
Antilock Brake System Connector End Views
Handling ESD Sensitive Parts Notice
Data Link Communications Components
Data Link Communications Circuit Description
Cell 50: SP201 (2.2L)
Body Control System Connector End Views
Handling ESD Sensitive Parts Notice
Handling ESD Sensitive Parts Notice