GM Service Manual Online
For 1990-2009 cars only
Makes
🢒
Isuzu
🢒
2000
🢒
S/T Isuzu - 4WD
🢒
Body and Accessories
🢒
Theft Deterrent
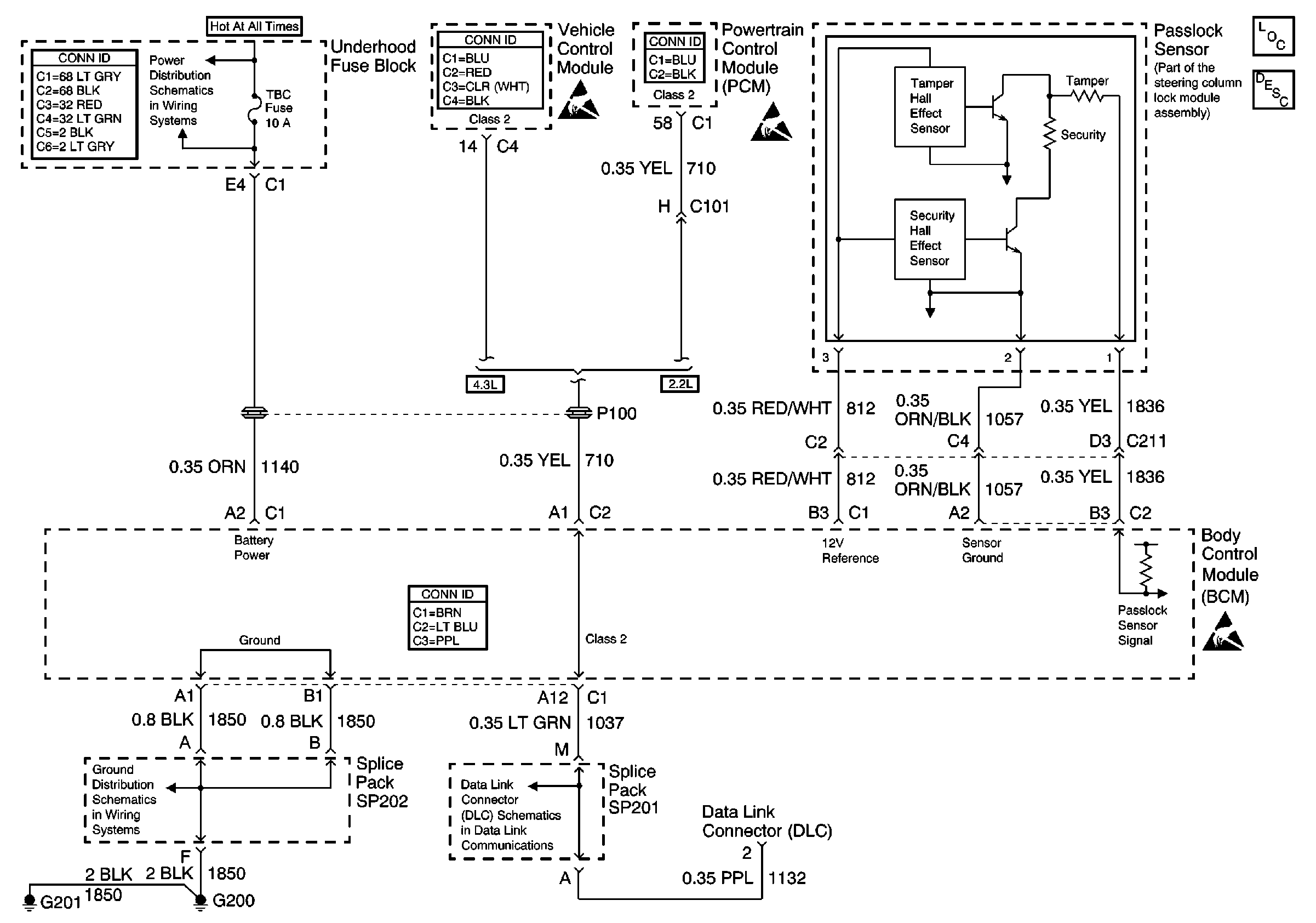
🢒 Theft Deterrent System Schematics
Theft Deterrent System Components
Vehicle Theft Deterrent (VTD) Description
Power and Grounding Connector End Views
STUD 2, ABS and TBC Fuses
VCM Connector End Views
Handling ESD Sensitive Parts Notice
Powertrain Control Module Connector End Views
Handling ESD Sensitive Parts Notice
Body Control System Connector End Views
Handling ESD Sensitive Parts Notice
G200, G201 and G207
SP201 (2.2L)