GM Service Manual Online
For 1990-2009 cars only

    Object Number: 190542  Size: SH
  1. Remove the oil pan drain plug.
  2. Drain the engine oil.

  3. Object Number: 192674  Size: SH
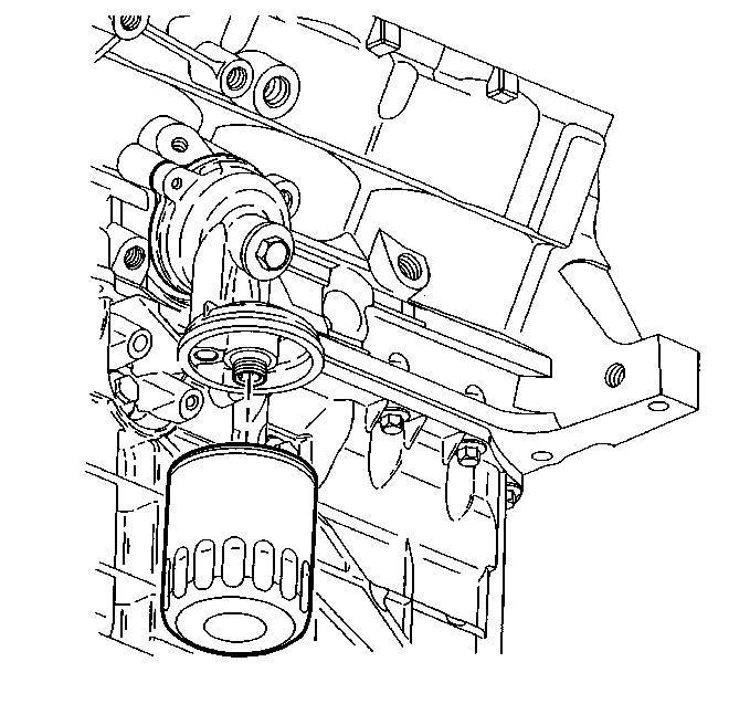
  4. Remove the oil filter.

  5. Object Number: 187087  Size: SH
  6. Remove the coolant drain plug from the left side.

  7. Object Number: 187088  Size: SH
  8. Remove the coolant drain plug from the right side.
  9. Drain the coolant.