GM Service Manual Online
For 1990-2009 cars only

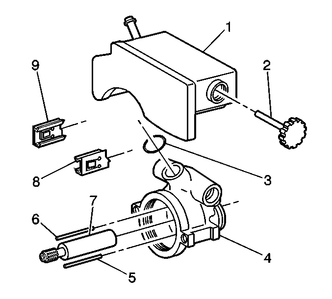
Removal Procedure


    Object Number: 501654  Size: SH
  1. Remove the pump assembly from the vehicle in order to access the reservoir assembly, if needed.
  2. Remove the retaining clips (8,9) from the reservoir assembly (1) and the housing (4).
  3. Remove the reservoir (1) from the housing (4).
  4. Remove the O-ring seal (3) from the reservoir (1).

Installation Procedure


    Object Number: 501654  Size: SH
  1. Lubricate the new O-ring seal (3) with power steering fluid.
  2. Install the O-ring seal (3) to the reservoir (1).
  3. Install the reservoir assembly (1) to the housing (4).
  4. Install the retaining clips (8,9) to the reservoir (1) and the housing (4).
  5. If the pump assembly was removed, install the pump assembly into the vehicle.