GM Service Manual Online
For 1990-2009 cars only
Makes
🢒
Oldsmobile
🢒
1998
🢒
Achieva
🢒
Body and Accessories
🢒
Lighting Systems
🢒 Headlights/Daytime Running Lights (DRL) Schematics
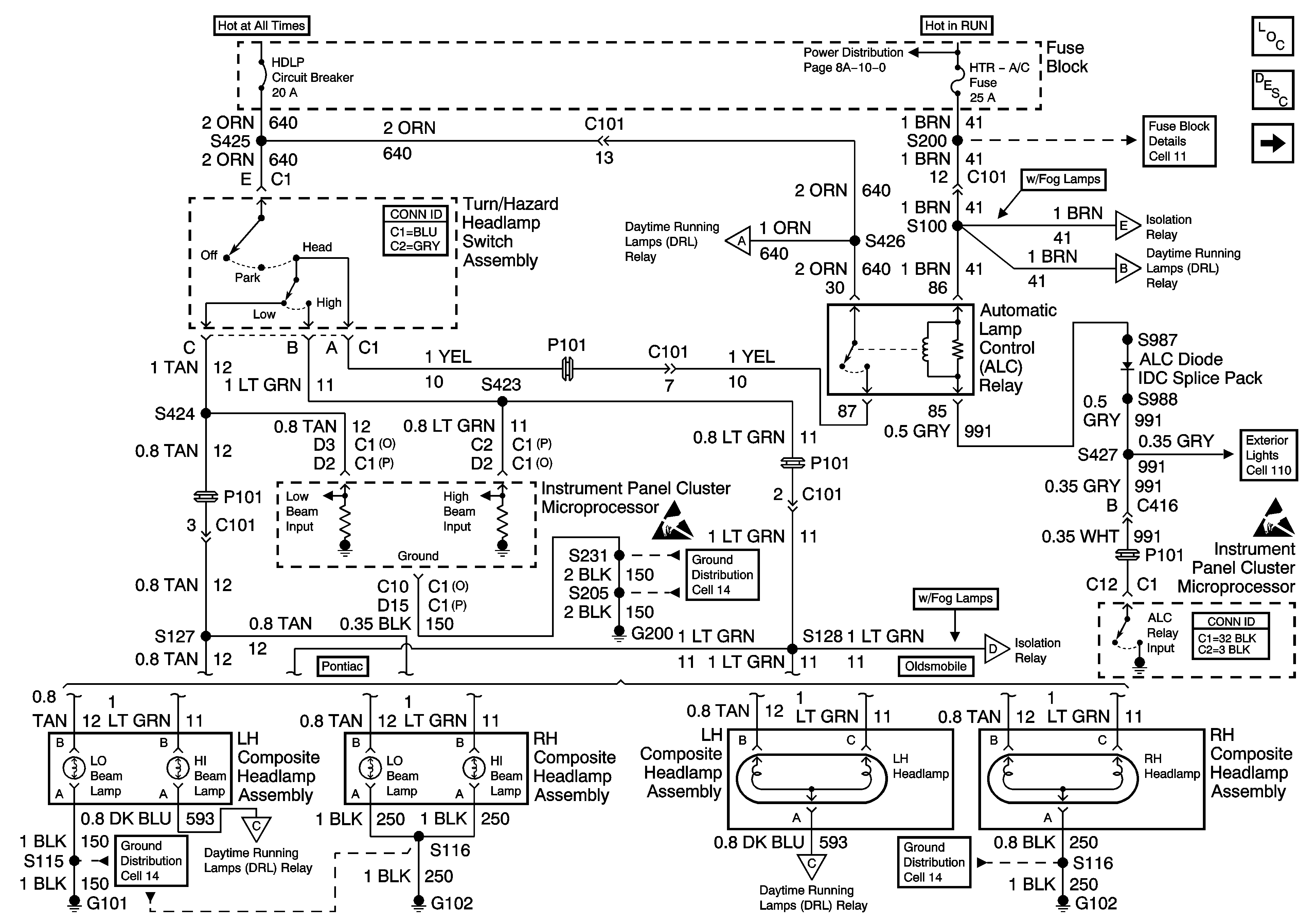
Headlights/Daytime Running Lights (DRL) Schematics Pontiac and Oldsmobile
Figure
1:
Oldsmobile and Pontiac Headlights
Lighting Systems Components
Lighting System Description
Oldsmobile and Pontiac DRL Relay
Oldsmobile and Pontiac DRL Relay
Oldsmobile and Pontiac w/Fog Lamps
Oldsmobile and Pontiac DRL Relay
Cell 14: G200 - Pontiac
Oldsmobile and Pontiac w/Fog Lamps
Cell 110: Automatic Light Control (Oldsmobile and Pontiac)
Oldsmobile and Pontiac DRL Relay
Oldsmobile and Pontiac DRL Relay
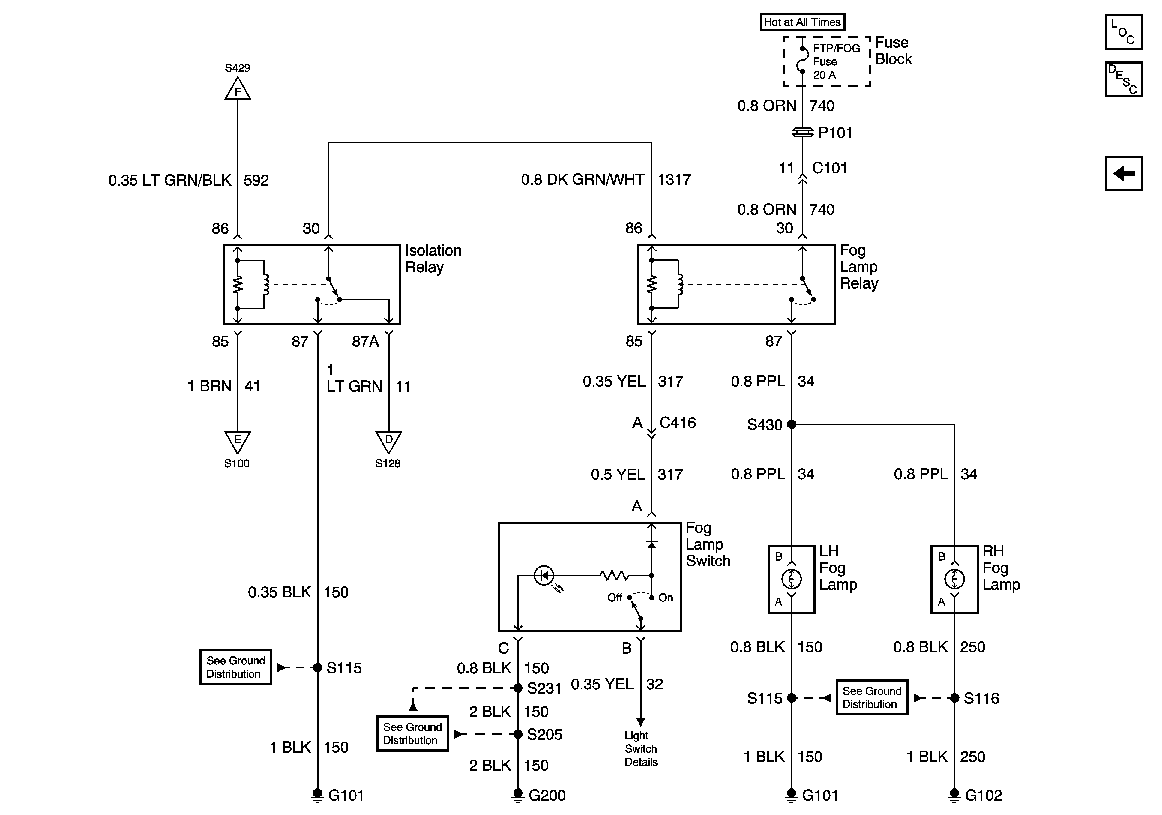
Figure
2:
Oldsmobile and Pontiac DRL Relay
Lighting Systems Components
Lighting System Description
Oldsmobile and Pontiac Headlights
Oldsmobile and Pontiac w/Fog Lamps
Oldsmobile and Pontiac Headlights
Oldsmobile and Pontiac Headlights
Oldsmobile and Pontiac Headlights
Oldsmobile and Pontiac w/Fog Lamps
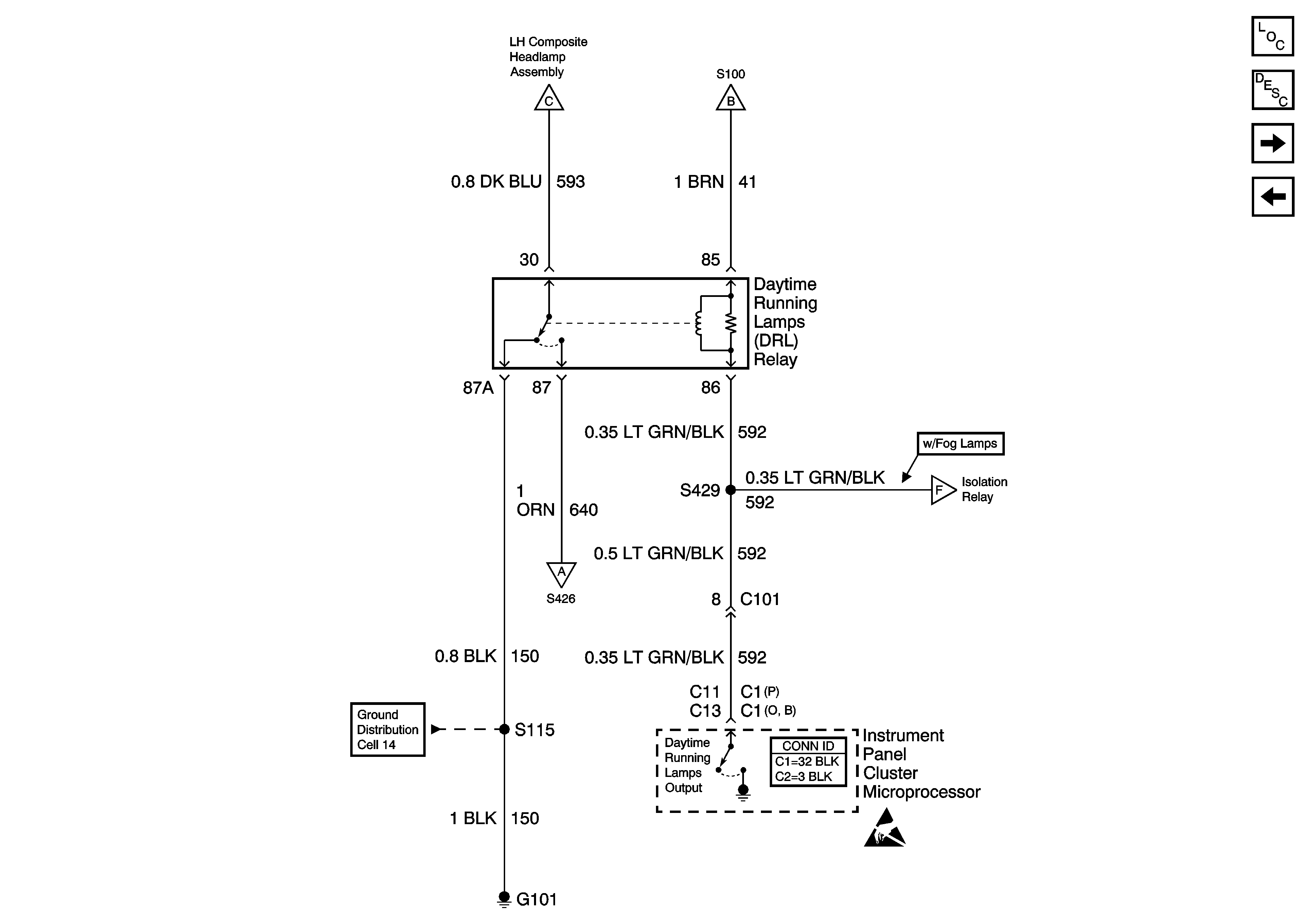
Figure
3:
Oldsmobile and Pontiac w/Fog Lamps
Lighting Systems Components
Lighting System Description
Oldsmobile and Pontiac DRL Relay
Oldsmobile and Pontiac DRL Relay
Oldsmobile and Pontiac Headlights
Oldsmobile and Pontiac Headlights
Cell 14: G200 - Pontiac