GM Service Manual Online
For 1990-2009 cars only
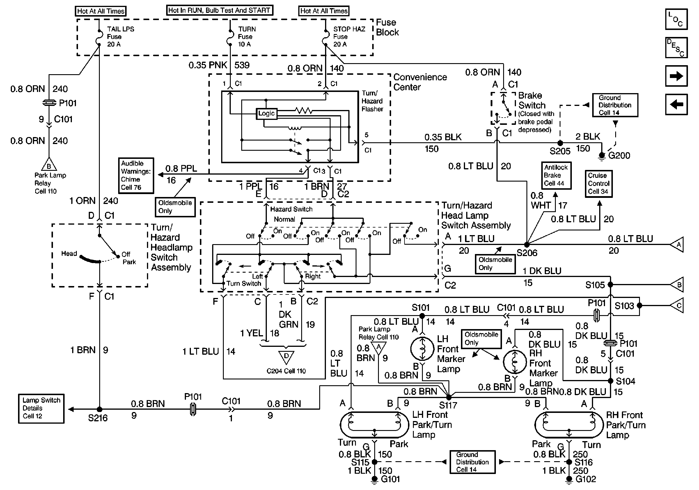
Figure 1:

Cell 110: Turn/Hazard/Front Marker/Front Park (Buick)


Object Number: 528933  Size: FS
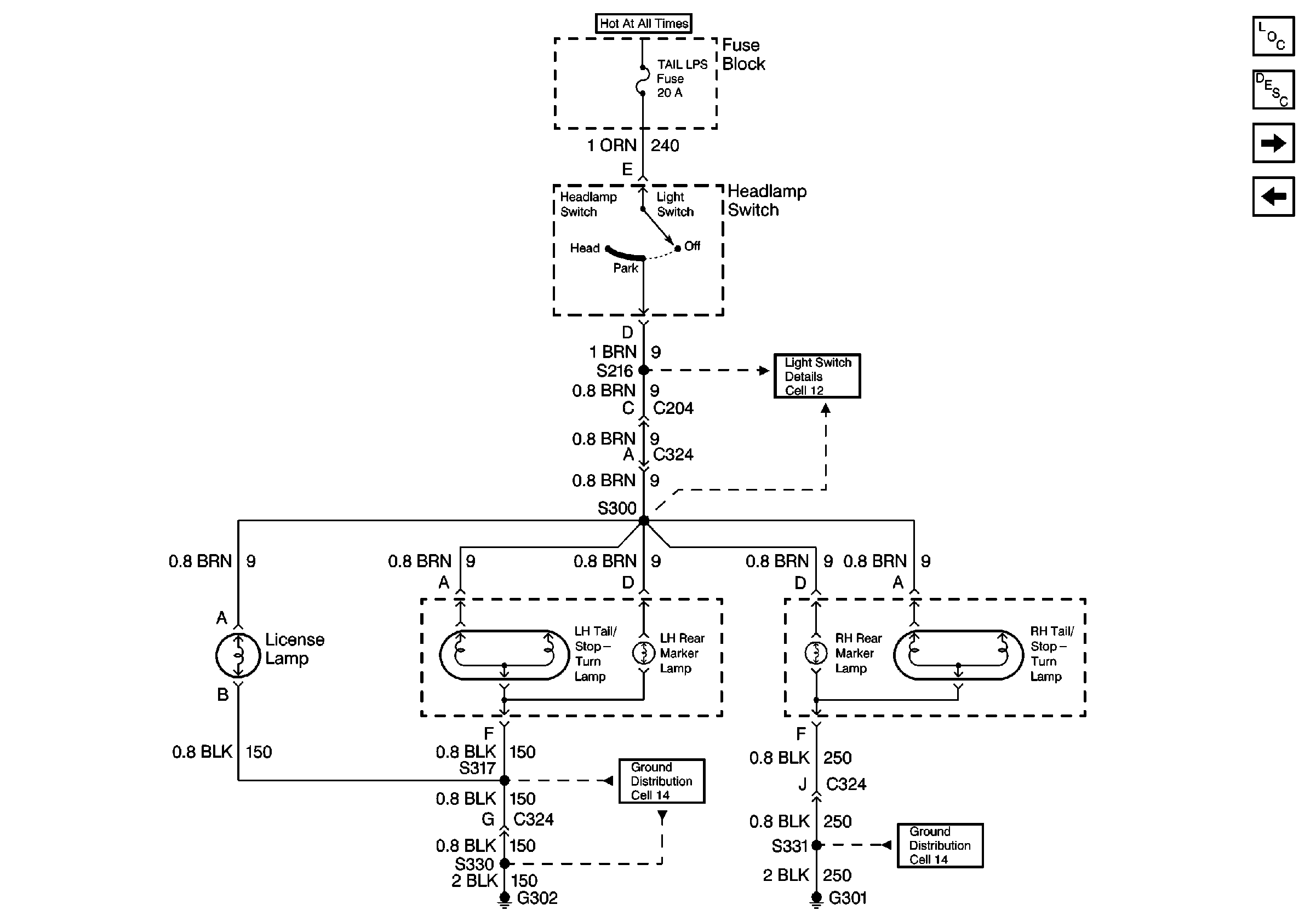
Figure 2:

Cell 110: Tail/Rear Marker/License (Buick)


Object Number: 528958  Size: FS
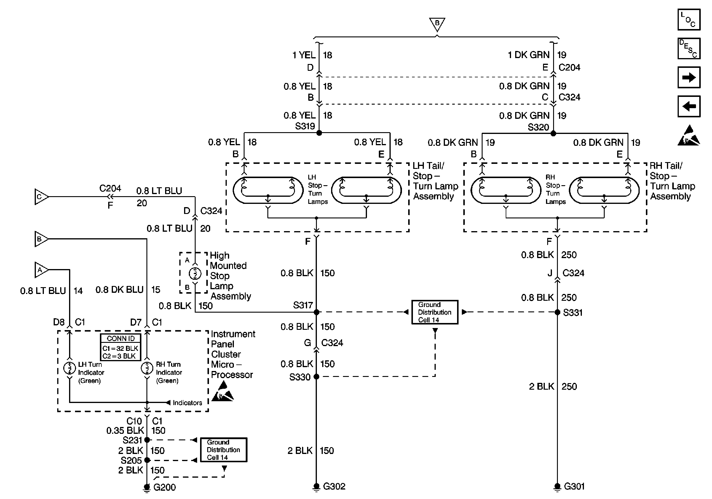
Figure 3:

Cell 110: Turn/Hazard/Stop (Buick)


Object Number: 528954  Size: FS
Figure 4:

Cell 110: Turn/Hazard/Stop (Oldsmobile and Pontiac)


Object Number: 528975  Size: FS
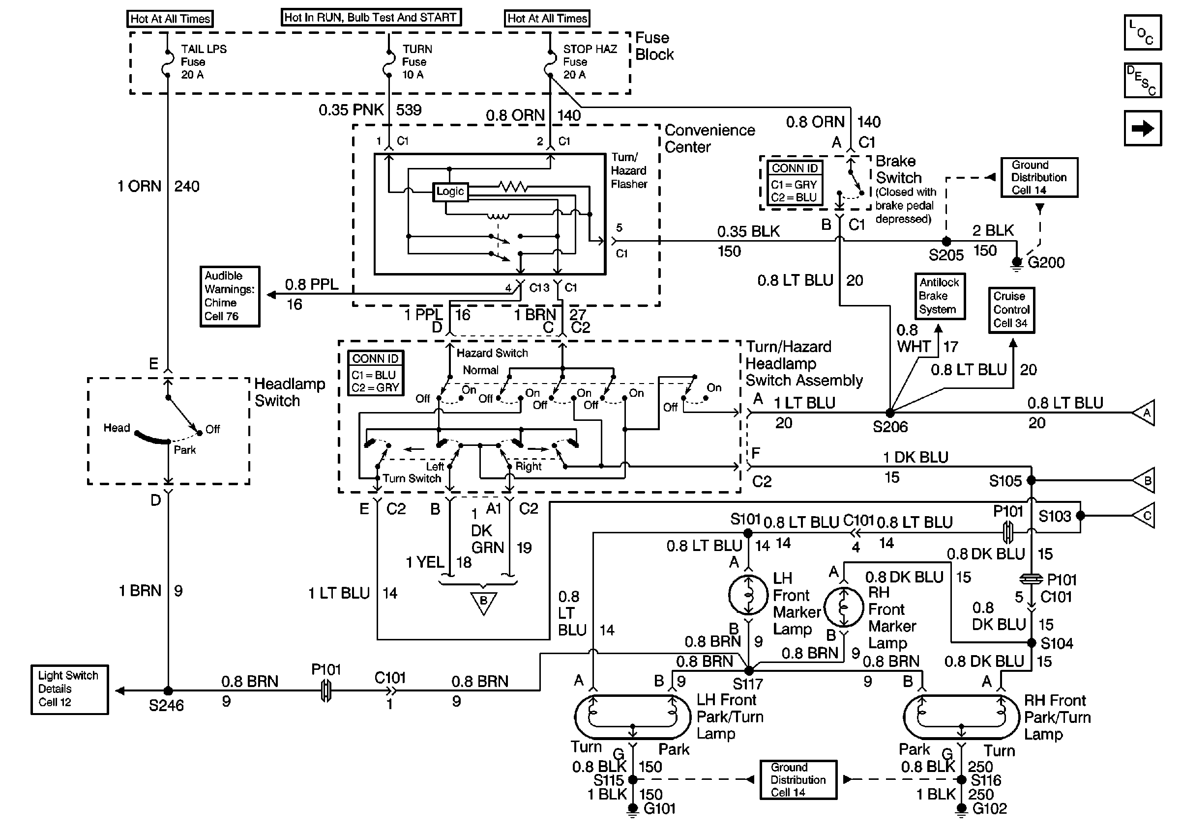
Figure 5:

Cell 110: Hazard/Front Marker/Front Park (Oldsmobile and Pontiac)


Object Number: 528965  Size: FS
Figure 6:

Cell 110: Automatic Light Control (Oldsmobile and Pontiac)


Object Number: 528985  Size: FS
Figure 7:

Cell 110: Tail/Rear Marker/License (Oldsmobile and Pontiac)


Object Number: 528981  Size: FS