GM Service Manual Online
For 1990-2009 cars only
Makes
🢒
Oldsmobile
🢒
1998
🢒
Achieva
🢒
Body and Accessories
🢒
Doors
🢒 Power Window Schematics
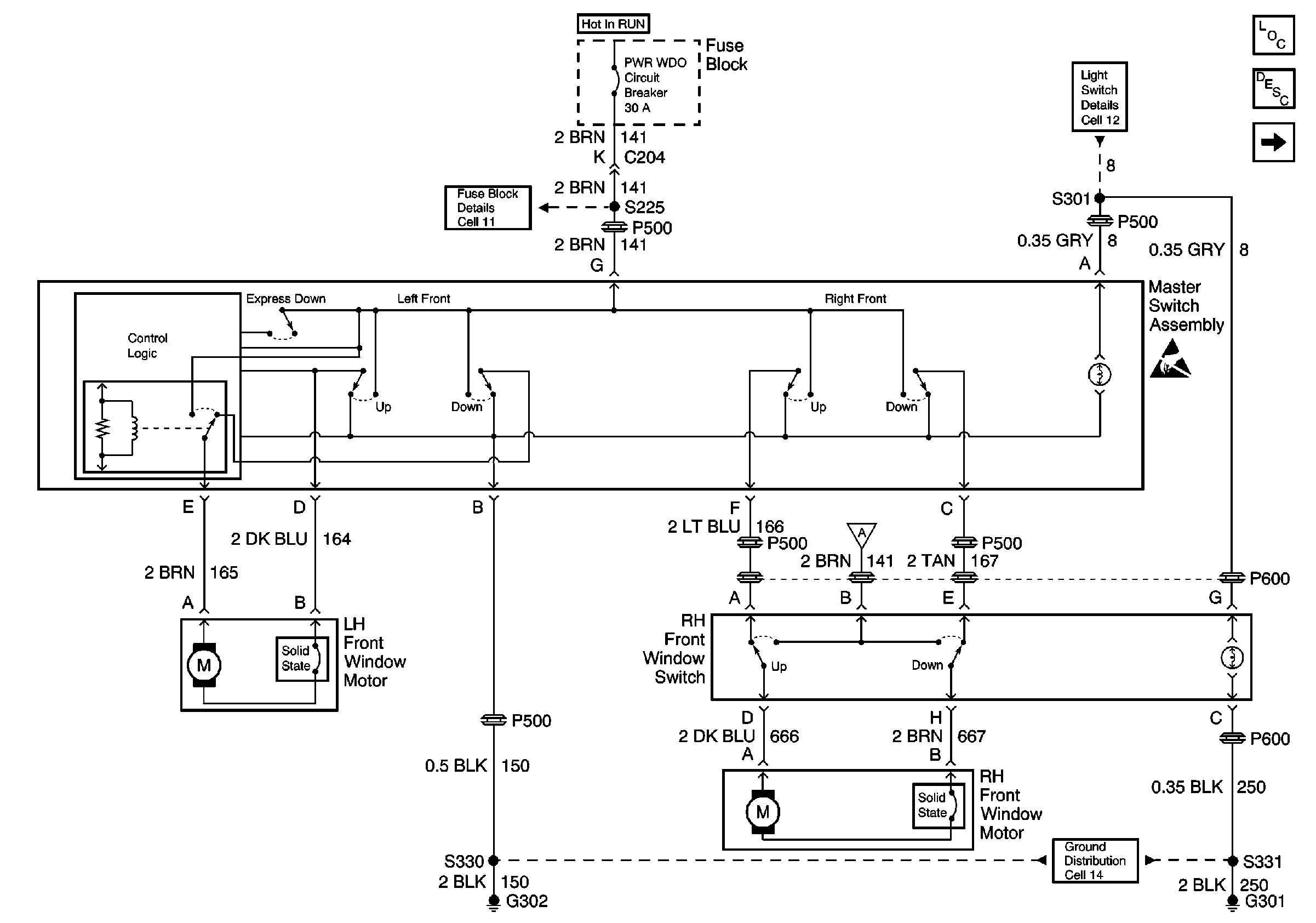
Figure
1:
2 Door
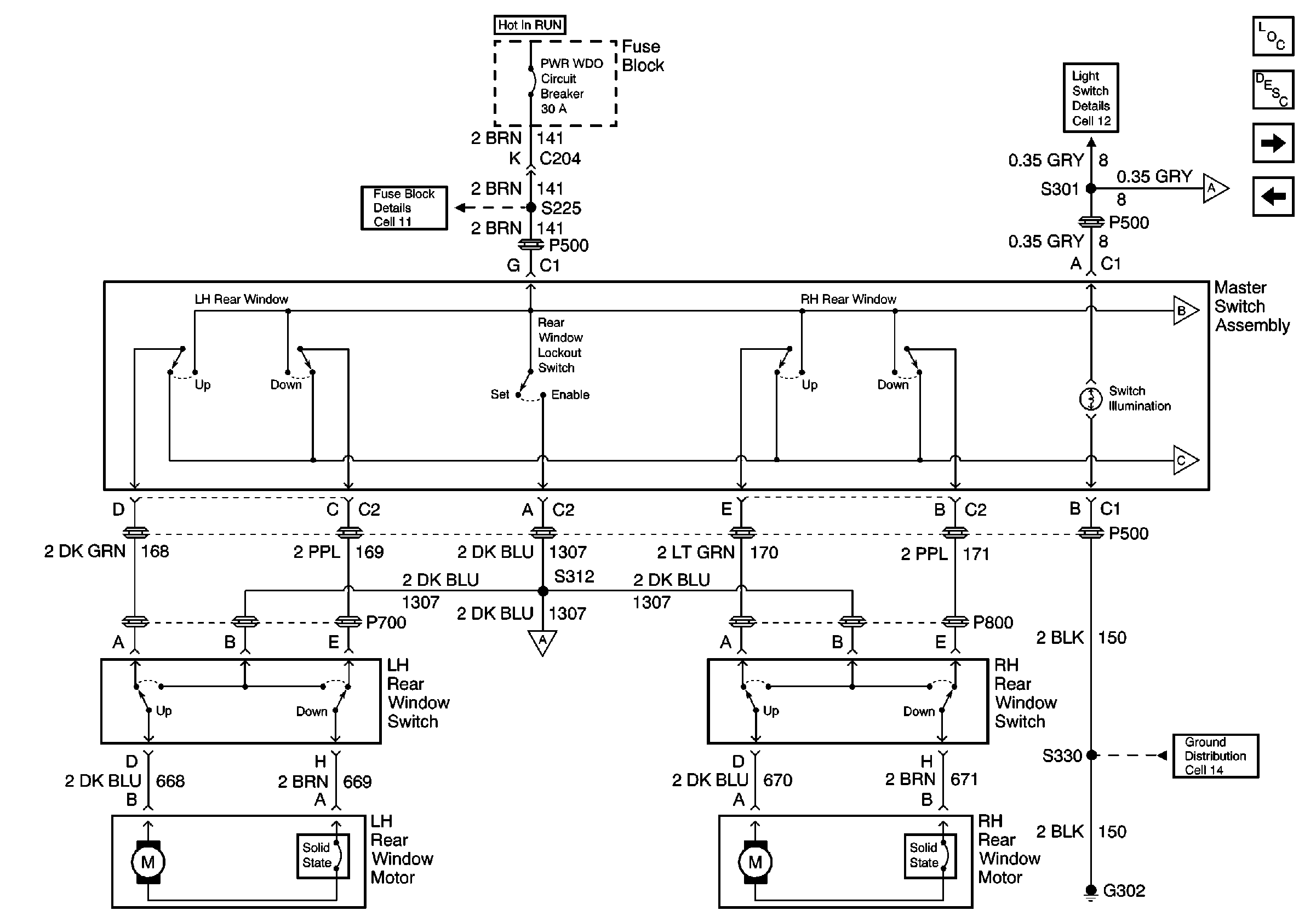
Figure
2:
4 Door - Rear Windows
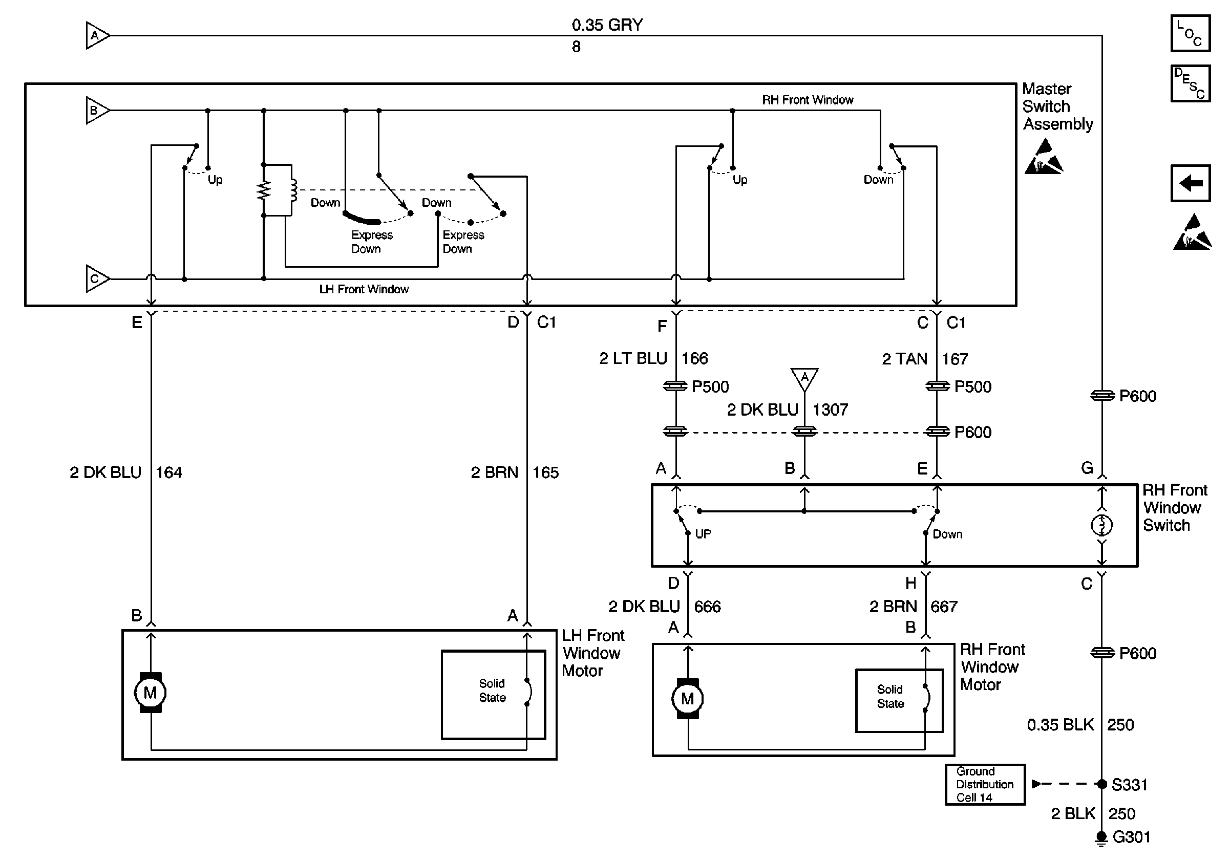
Figure
3:
4 Door - Front Windows