GM Service Manual Online
For 1990-2009 cars only
Makes
🢒
Oldsmobile
🢒
1998
🢒
Achieva
🢒
Body and Accessories
🢒
Doors
🢒 Outside Handle and Lock Cylinder Replacement
Outside Handle and Lock Cylinder Replacement Front
Removal Procedure
Raise the window to the full up position.
Remove the door trim panel. Refer to
Door Trim Panel Replacement
.
Remove the seat belt retractor. Refer to
Seat Belt Retractor Replacement - Left Front
in Seat Belts.
Remove enough of the door water deflector in order to access the door outside handle and lock cylinder. Refer to
Door Water Deflector Replacement
.
Remove the lower window run channel. Refer to
Window Run Channel Replacement - Front Lower
.
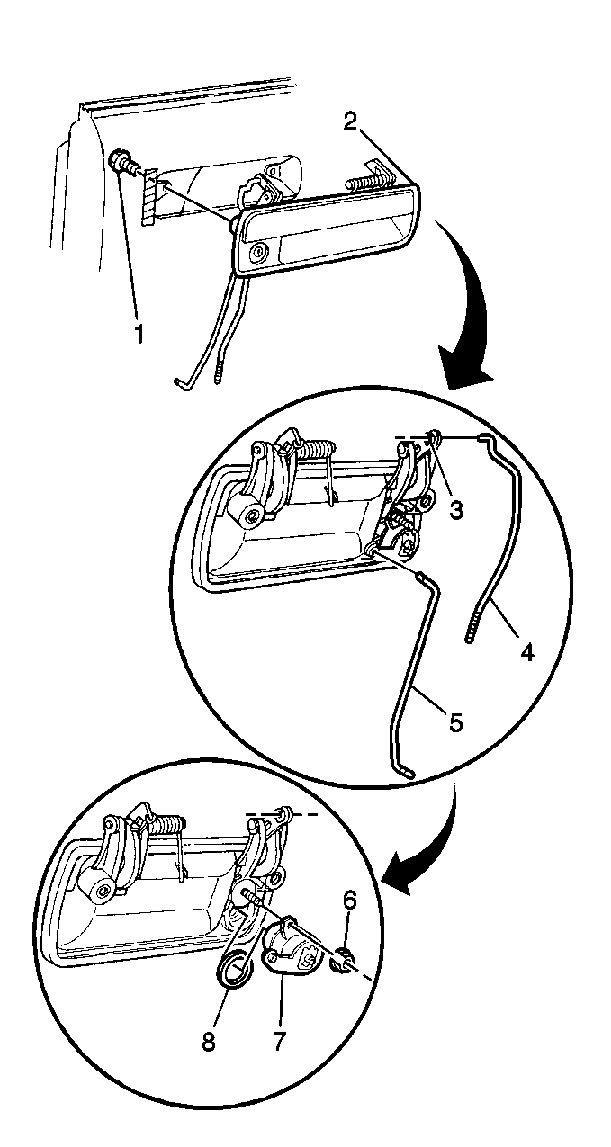
Remove the bolts (1) from the door outside handle and lock cylinder (2).
Remove the rods (4,5) to the door outside handle and lock cylinder from the door outside handle.
Remove the door outside handle (2).
Remove the nut (6) from the door lock cylinder (7).
Remove the door lock cylinder from the door outside handle.
Installation Procedure
Install the door lock cylinder (7) to the door outside handle (2).
Install the nut (6) to the door lock cylinder (7).
Install the rods (4,5) for the door outside handle and lock cylinder to the door outside handle.
Install the bolts (1) to the door outside handle and lock cylinder (2).
Install the lower window run channel. Refer to
Window Run Channel Replacement - Front Lower
.
Install the door water deflector. Refer to
Door Water Deflector Replacement
.
Install the seat belt retractor. Refer to
Seat Belt Retractor Replacement - Left Front
in Seat Belts.
Install the door trim panel. Refer to
Door Trim Panel Replacement
.
Outside Handle and Lock Cylinder Replacement Rear
Removal Procedure
Raise the window to the full up position.
Remove the door trim panel. Refer to
Door Trim Panel Replacement
.
Remove the seat belt retractor. Refer to
Seat Belt Retractor Replacement - Center Rear
in Seat Belts.
Remove enough of the door water deflector in order to access the door outside handle and lock cylinder. Refer to
Door Water Deflector Replacement
.
Remove the lower window run channel. Refer to
Window Run Channel Replacement - Rear Lower
.
Remove the bolts (1) from the door outside handle (2).
Remove the rod (3) from the door outside handle.
Remove the door outside handle (2).
Installation Procedure
Install the rods (3) to the door outside handle (2).
Install the bolts (1) to the door outside handle (2).
Install the lower window run channel. Refer to
Window Run Channel Replacement - Rear Lower
.
Install the door water deflector. Refer to
Door Water Deflector Replacement
.
Install the seat belt retractor. Refer to
Seat Belt Retractor Replacement - Center Rear
in Seat Belts.
Install the door trim panel. Refer to
Door Trim Panel Replacement
.