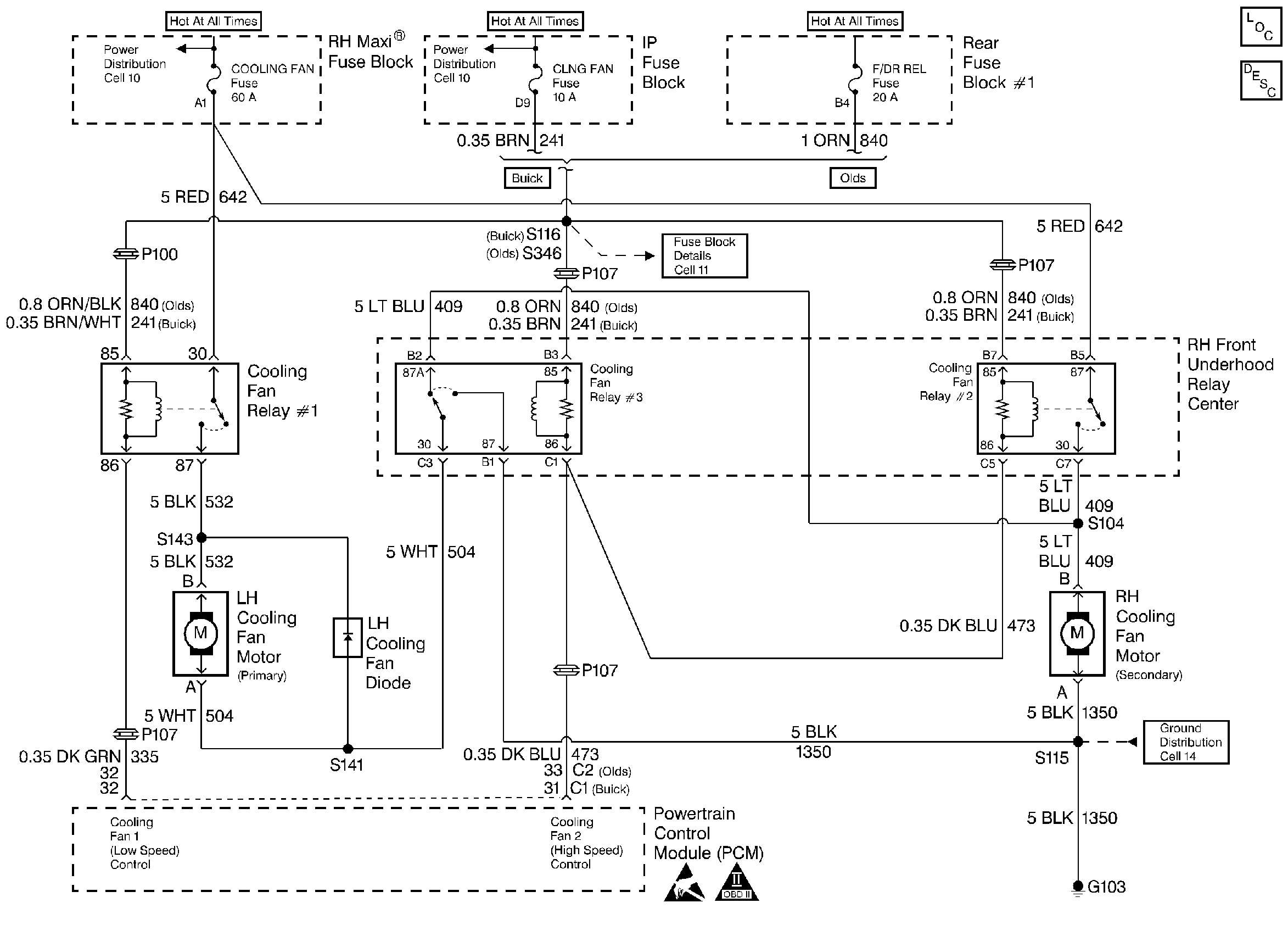
GM Service Manual Online
For 1990-2009 cars only
Makes
🢒
Oldsmobile
🢒
1996
🢒
Aurora
🢒
Engine
🢒
Engine Cooling
🢒 Coolant Fans Schematics
Handling Electrostatic Discharge Sensitive Parts Notice
Cooling System Components
Electric Cooling Fan
OBD II Symbol Description Notice