GM Service Manual Online
For 1990-2009 cars only

Object Number: 29341  Size: LF
Handling ESD Sensitive Parts Notice
OBD II Symbol Description Notice
TFP Switch, TFT and A/T ISS Sensors
Automatic Transmission Components

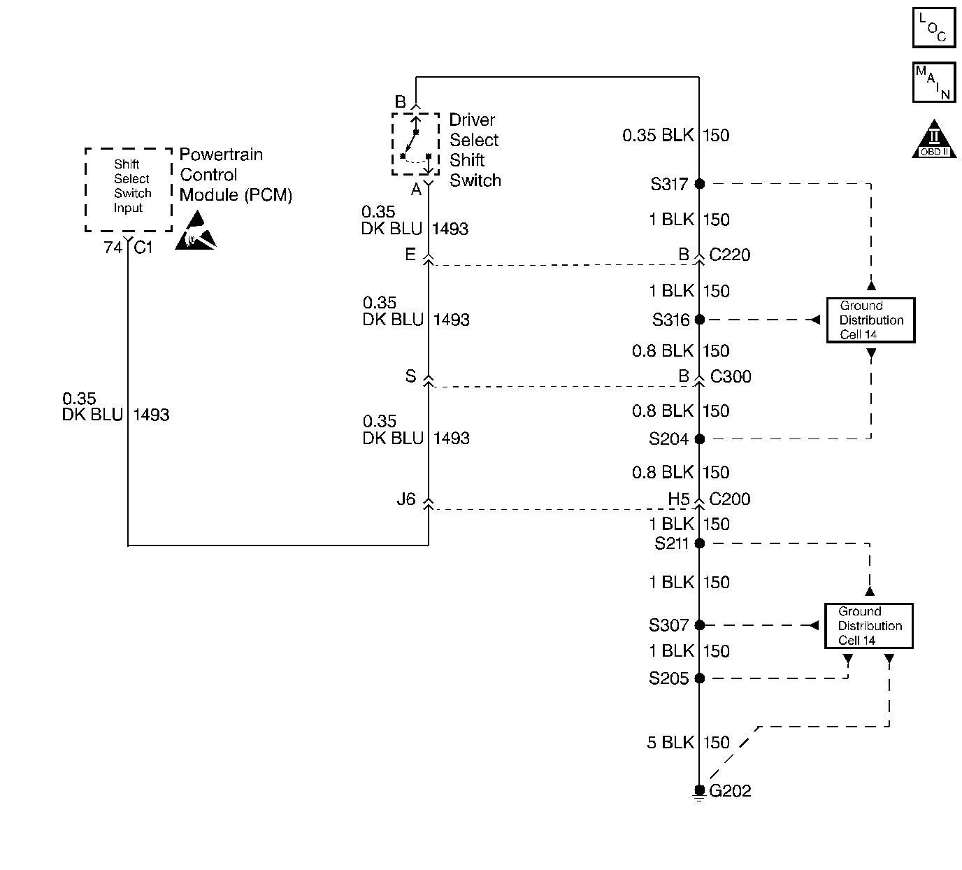
Circuit Description

The Shift Mode Switch (Driver Select Shift Switch) enables the operator to select a more aggressive shift pattern within the midrange throttle position (40-80%). Depressing the switch provides a ground path for ignition voltage from the PCM. While the PCM is in Performance mode, shifts are firmer, and slightly delayed (approximately 1-3 mph). Return to Normal mode by depressing the switch a second time.

Diagnostic Aids

If you do not perceive an increased performance while in Performance mode, use Snapshot on the scan tool.

  1. Record data with the vehicle in Normal mode.
  2. Record data with the vehicle in Performance mode.
  3. Review the data sets for differences in the following items during upshifts and downshifts:
  4. • PC Sol. Valve duty cycle
    • vehicle speed
    • commanded gear

Test Description

  1. This Step tests the switch function.

  2. This Step isolates the switch, and verifies that the power circuit and ground circuit are working properly. If the scan tool displays Perf., then the circuitry and the PCM are working properly.

  3. This Step verifies that no open exits in the power feed circuit from the PCM to the switch.

  4. This Step inspects the DK BLU wire circuit 1493 for an open or a short to power.

  5. This Step inspects the DK BLU wire circuit 1493 for a short to ground if the scan tool displayed Perf.

  6. This Step inspects the BLK wire circuit 150 for an open.

  7. This Step replaces the shift mode switch. Previous Steps verified that the power circuit and ground circuit are not open or shorted to ground.

  8. This Step replaces the PCM. Previous Steps verified that neither the switch nor the applicable circuitry is faulty.

  9. This Step road tests the vehicle. Record snapshot data from A/T 2 data list with the switch in the Normal, then the Performance positions. Observe the scan tool PC Duty Cycle, Shift TP Angle, MPH, and Commanded Gear. In both the normal and the performance mode, do not vary the TP shift angle by more than 2%. Compare the performance and normal modes. The PC duty cycle should be lower, and the vehicle speed should be higher in the performance mode.

Shift Mode Switch

Step

Action

Value(s)

Yes

No

1

  1. Install the scan tool (tech 1) .
  2. With the engine OFF, turn the ignition switch to RUN position.
  3. Select A/T data list, Shift Mode Sw.
  4. While pressing the shift mode switch, observe the display.

Does the scan tool indicate Normal and Perf. with the switch in the appropriate positions?

--

Go to Diagnostic Aids

Go to Step 2

2

Place the shift mode switch in the Normal position.

Does the scan tool indicate Normal?

--

Go to Step 5

Go to Step 3

3

Does the scan tool indicate Perf.?

--

Go to Step 4

--

4

Disconnect the Shift Mode Sw. 2-way connector.

Does the scan tool indicate Perf.?

--

Go to Step 7

Go to Step 9

5

  1. Disconnect the Shift Mode Sw. 2-way connector.
  2. Connect a fused jumper from terminal A to a known good ground.

Does the scan tool indicate Perf.?

--

Go to Step 8

Go to Step 6

6

Inspect the DK BLU wire circuit 1493 for an open.

Refer to Electrical Diagnosis, section 8.

Did you find and correct the condition?

--

Go to Step 11

Go to Step 10

7

Inspect the DK BLU wire circuit 1493 for a short to ground.

Refer to Electrical Diagnosis, section 8.

Did you find and correct the condition?

--

Go to Step 11

Go to Step 10

8

Inspect the BLK wire circuit 150 for an open.

Refer to Electrical Diagnosis, section 8.

Did you find and correct the condition?

--

Go to Step 11

--

9

Replace the Shift Mode Sw.

Refer to Shift Mode Switch Replacement in On-Vehicle Service.

Is the replacement complete?

--

Go to Step 11

--

10

Replace the PCM.

Refer to PCM Replacement/Programming , section 6.

Is the replacement complete?

--

Go to Step 11

--

11

After the repair is complete, road test the vehicle.

  1. Record the following snapshot data:
  2. • PC Duty Cycle in the Normal mode
    • Shift TP Angle in the Normal mode
    • PC Duty Cycle in the Perf. mode
    • Shift TP Angle in the Perf. mode
  3. Observe MPH km/h in both modes.
  4. Observe PC Duty Cycle in both modes.
  5. Compare the vehicle speed and PC duty cycle in normal mode with the speed and duty cycle in performance mode.

Are the vehicle speed and PC duty cycle different in normal mode from the speed and duty cycle in performance mode?

--

System OK

Begin the diagnosis again. Go to Step 1