GM Service Manual Online
For 1990-2009 cars only
Makes
🢒
Oldsmobile
🢒
1997
🢒
Aurora
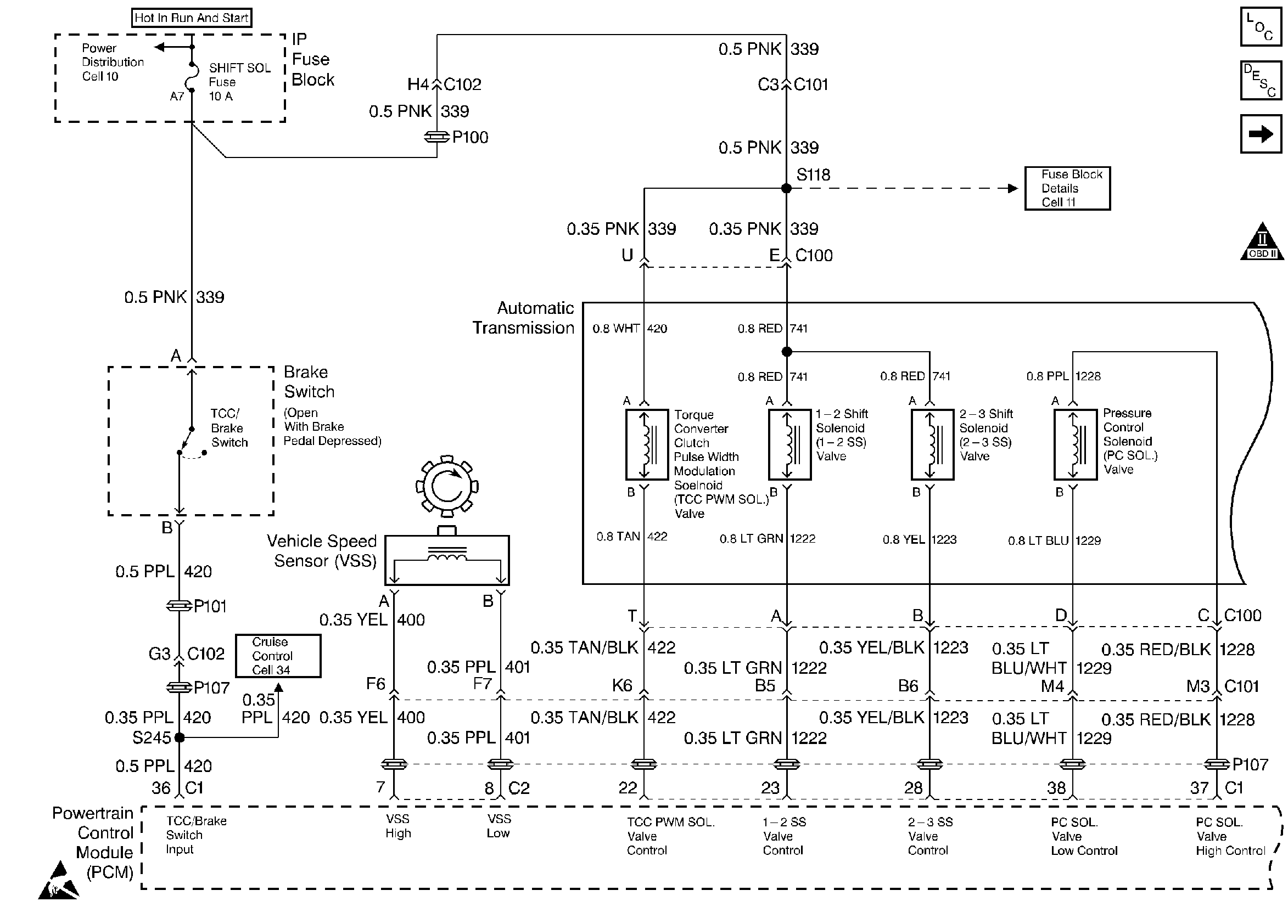
🢒 Brake Switch, Solenoids, and VSS
Brake Switch, Solenoids, and VSS
Brake Switch, Solenoids, and VSS
Handling ESD Sensitive Parts Notice
Automatic Transmission Components
Component and System Description
TFP Switch, TFT and A/T ISS Sensors
OBD II Symbol Description Notice
Automatic Transmission Schematic References
Automatic Transmission Schematic References
Automatic Transmission Schematic References