GM Service Manual Online
For 1990-2009 cars only
Makes
🢒
Oldsmobile
🢒
1998
🢒
Aurora
🢒
Body and Accessories
🢒
Roof
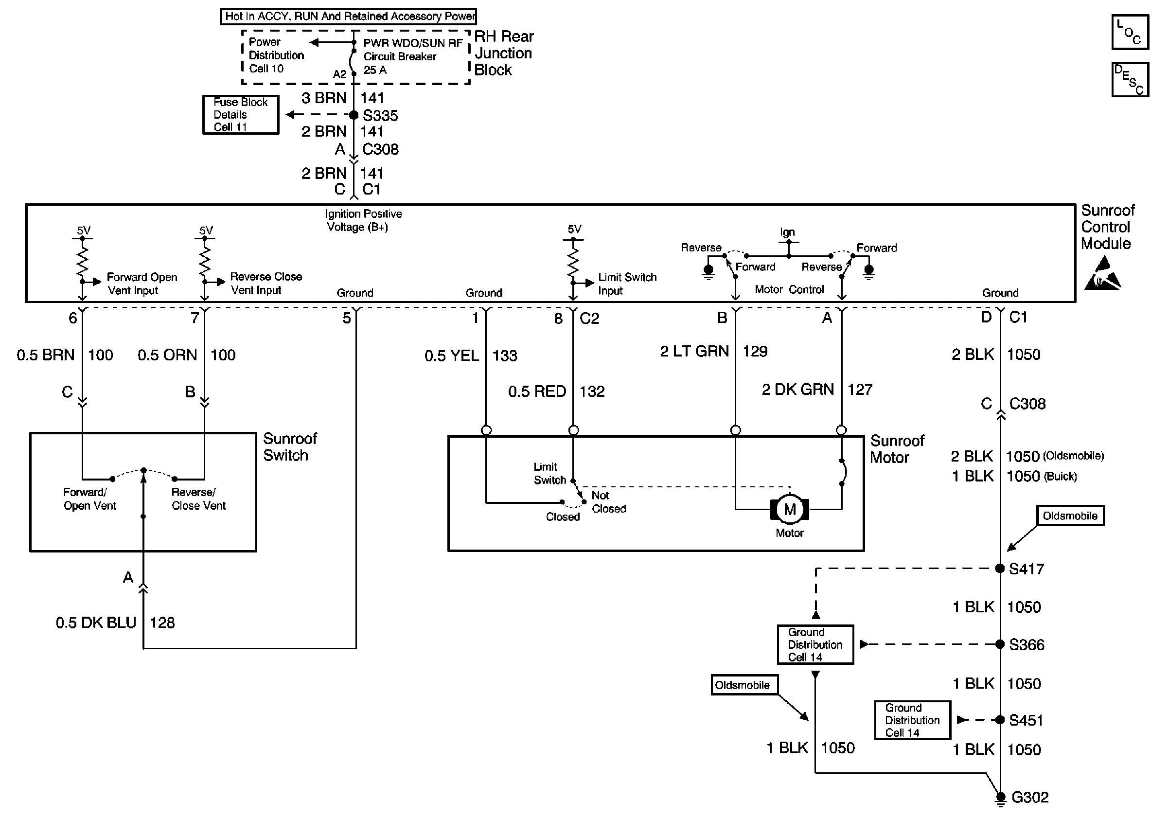
🢒 Sunroof Schematics
Cell 122
Power Roof Systems Components
Power Sunroof Circuit Description
Cell 10: PWR WDO/SUN RF Circuit Breaker
Cell 14: G302 (1 of 2)
Handling ESD Sensitive Parts Notice
Power Roof Systems Connector End Views
Cell 10: PWR WDO/SUN RF Circuit Breaker