GM Service Manual Online
For 1990-2009 cars only
Makes
🢒
Oldsmobile
🢒
1998
🢒
Aurora
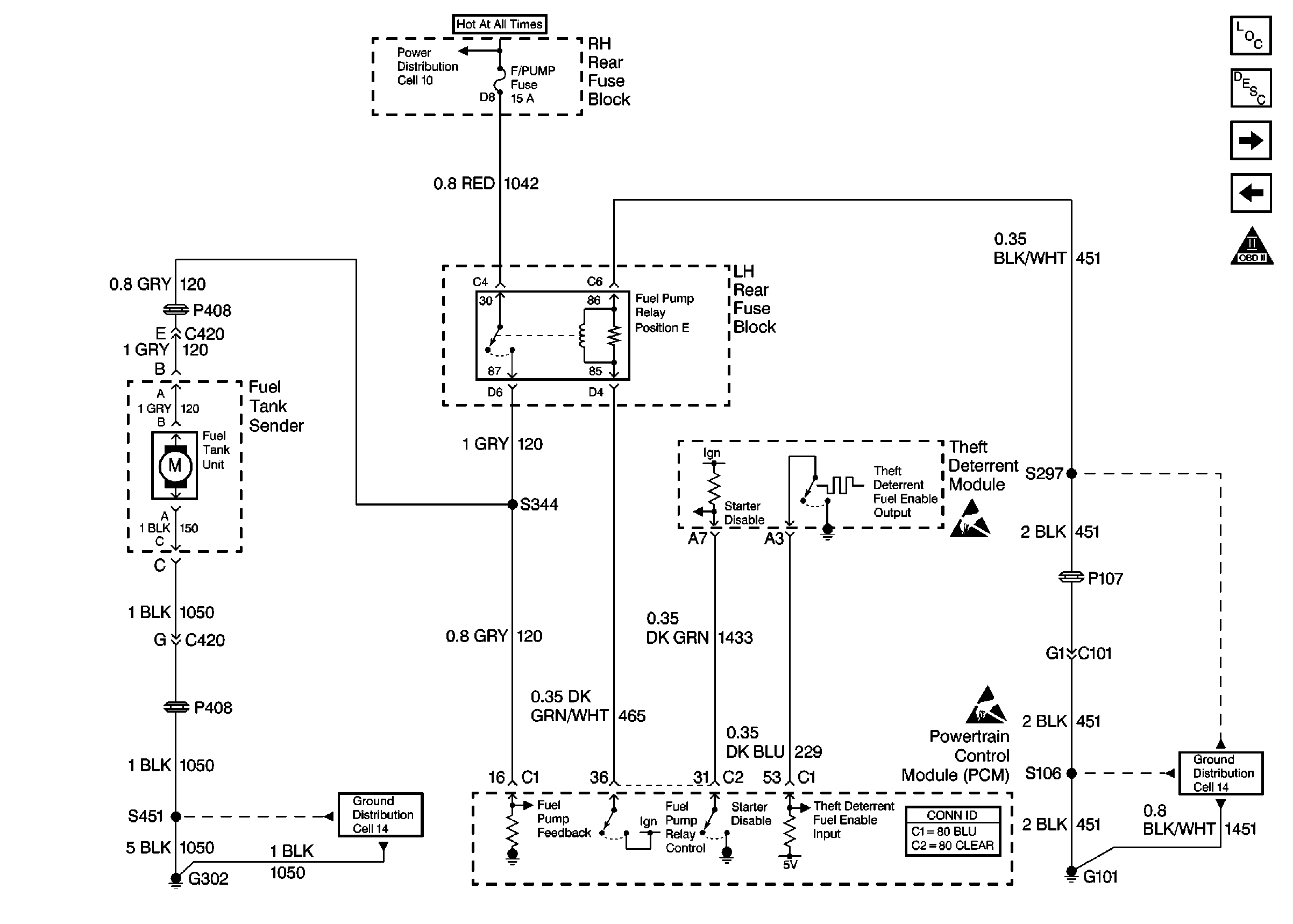
🢒 Cell 21: Fuel Pump Control, Theft Deterrent
Cell 21: Fuel Pump Control, Theft Deterrent
Cell 21: Fuel Pump Control, Theft Deterrent
Engine Controls Components
Powertrain Control Module Description
Cell 21: Fuel Injectors
Cell 21: Ignition Control Module
OBDII Symbol Description Notice
Power Distribution Schematics
Handling ESD Sensitive Parts Notice
Handling ESD Sensitive Parts Notice
Ground Distribution Schematics
Ground Distribution Schematics
Powertrain Control Module Connector End Views