GM Service Manual Online
For 1990-2009 cars only
Makes
🢒
Oldsmobile
🢒
1998
🢒
Aurora
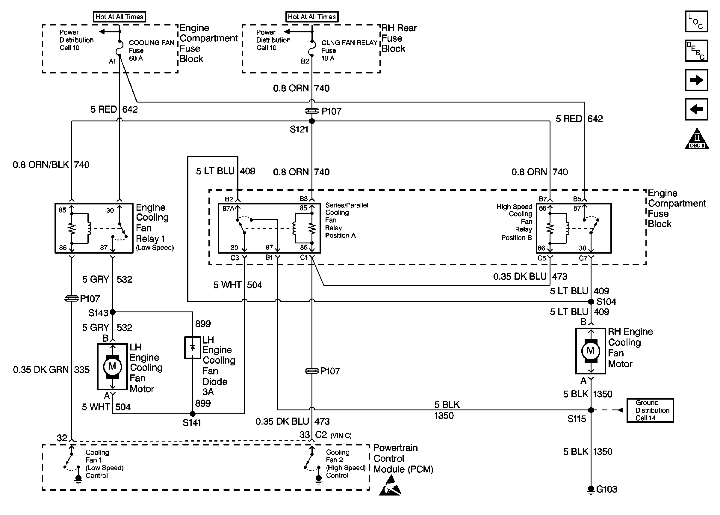
🢒 Cell 21: Cooling Fans
Cell 21: Cooling Fans
Cell 21: Cooling Fans
Engine Controls Components
Powertrain Control Module Description
Cell 21: PNP Switch, Shift Select Switch
Cell 21: A/C Sensors
OBDII Symbol Description Notice
Power Distribution Schematics
Power Distribution Schematics
Powertrain Control Module Connector End Views
Ground Distribution Schematics
Handling ESD Sensitive Parts Notice