GM Service Manual Online
For 1990-2009 cars only

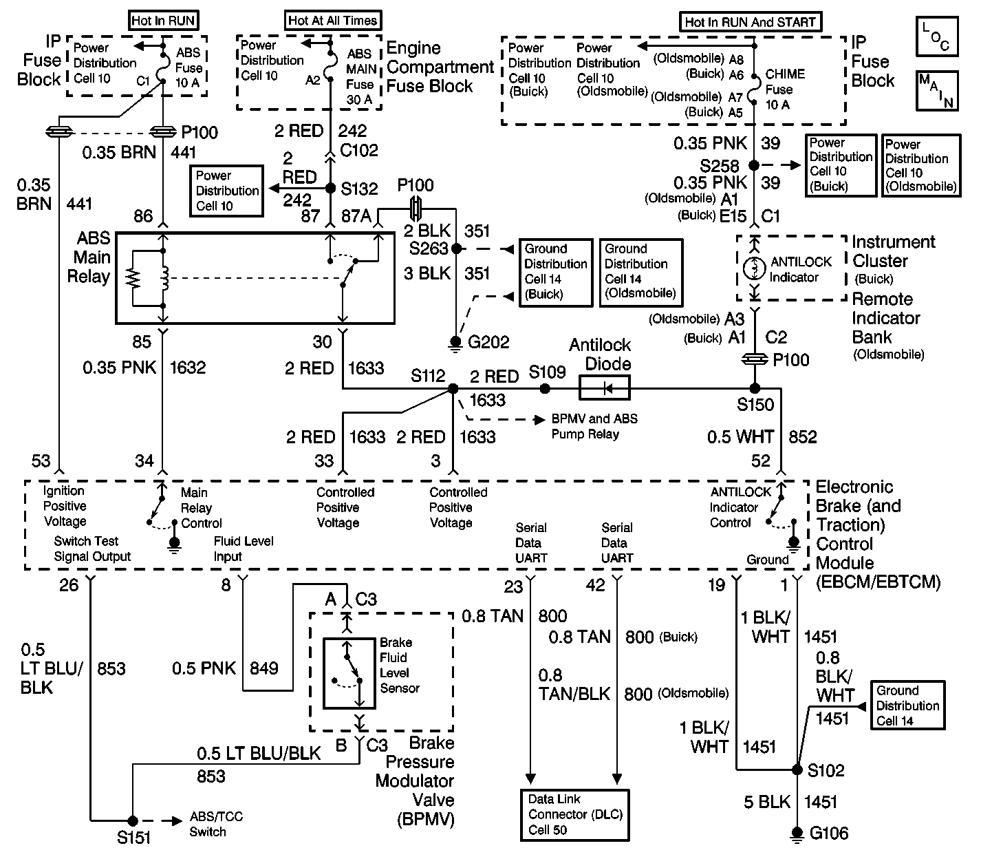
Object Number: 406540  Size: LF
ABS Components
Cell 44: ABS and Traction Control Indicators
Cell 10: IGN 1 Fuse, Ignition Switch
Cell 10: Battery
Cell 10: IGN 3 Fuse, Ignition Switch (Buick)
Cell 10: IGN 3 Fuse, Ignition Switch (Oldsmobile)
Cell 10: CHIME(IGN 1) Fuse (Buick)
Cell 10: CHIME(IGN 1) Fuse (Oldsmobile)
Cell 10: ABS PUMP MOTOR Fuse, ABS MAIN Fuse, and COOLING FAN Fuse
Cell 14: G202 (Buick 1 of 3)
Cell 14: G202 (Oldsmobile 2 of 3)
Cell 14: G102, G104, G106, G110, and G301 (Battery Ground)
Cell 50: Serial Data UART
Cell 44: PWR, GND, and ABS Relays
Cell 44: ABS/TCS Switch, Isolation Valve Solenoids, and PCM

Circuit Description

When the ignition switch is first turned to the RUN position, the EBCM/EBTCM goes through a self-test lasting 2-4 seconds. During this test, the EBCM/EBTCM grounds terminal 52, causing the amber ANTILOCK indicator to light. This serves as an indicator bulb test. The EBCM/EBTCM also grounds terminal 34, energizing the main relay. This removes the indicator ground path provided through the antilock diode and the main relay contacts.

When the self-test is completed (and no faults detected) the EBCM/EBTCM removes the ground at terminal 52, turning OFF the indicator. The main relay remains energized.

When the EBCM/EBTCM detects a malfunction, it grounds terminal 52 causing the amber ANTILOCK indicator to light. (Note: The EBCM/EBTCM also de-energizes the main relay creating a redundant ground path.)

When the EBCM/EBTCM is disabled for any reason (i.e., open ABS fuse), the main relay is de-energized. This provides an ANTILOCK indicator ground path through the antilock diode and main relay contacts, and causes the indicator to come ON with no DTC being set.

Diagnostic Aids

Possible causes:

    • An open in CKT 1451, CKT 852, CKT 39, CKT 351, or CKT 1633.
    • An open CHIME fuse.
    • An open bulb.
    • A short to voltage in CKT 852.
    • An pen or shorted antilock diode.
    • The ABS main relay fails engaged.
    • A short to ground in CKT 39, CKT 852, or CKT 1632.
    • A poorly seated EBCM/EBTCM connector.
    • A poor terminal contact at the EBCM/EBTCM connector terminal 52.

Step

Action

Value(s)

Yes

No

1

Was the ABS Diagnostic System Check performed?

--

Go to Step 2

Go to Diagnostic System Check - ABS

2

  1. Turn the ignition switch to the OFF position.
  2. Disconnect EBCM/EBTCM connector.
  3. Install the J 38716 pinout box.
  4. Use the J 39200 in order to measure the resistance between the J 38716 terminal 1 and ground.

Is the resistance less than the specified value?

2 ohms

Go to Step 3

Go to Step 11

3

  1. Disconnect the ABS main relay.
  2. Turn the ignition switch to the RUN position.
  3. Use the J 39200 in order to measure the voltage between the J 38716 terminal 52 and terminal 1.

Is the voltage within the specified range?

Battery Voltage

Go to Step 4

Go to Step 12

4

  1. Turn the ignition switch to the RUN position.
  2. Connect a fused jumper between the J 38716 pinout box terminal 52 and terminal 1.

Does the ANTILOCK indicator illuminate?

--

Go to Step 5

Go to Step 17

5

  1. Turn the ignition switch to the OFF position.
  2. Use the J 39200 and the J 38716 terminal 3 and terminal 52 in order to check the antilock diode. Verify proper diode polarity.

Does diode check OK?

--

Go to Step 6

Go to Step 18

6

  1. Disconnect the J 38716 .
  2. Reinstall the ABS main relay and reconnect all connectors.
  3. Turn the ignition switch to the RUN position.

Does the ANTILOCK indicator illuminate for 2-4 seconds and then go out?

--

Go to Diagnostic System Check - ABS

Go to Step 7

7

  1. Turn the ignition switch to the OFF position.
  2. Disconnect the ABS main relay.
  3. Use the J 39200 in order to measure the resistance between the ABS main relay terminal 30 and terminal 87A.

Is the resistance less than the specified value?

2 ohms

Go to Step 8

Go to Step 19

8

  1. Remove the ABS fuse from the IP fuse block.
  2. Turn the ignition switch to the RUN position.
  3. Use the J 39200 in order to measure the voltage between the ABS main relay harness connector terminal 30 and ground.

Is the voltage within the specified range?

Battery Voltage

Go to Step 9

Go to Step 20

9

Use the J 39200 in order to measure the voltage between the ABS main relay harness connector terminal 30 and terminal 87A.

Is the voltage within the specified range?

Battery Voltage

Go to Step 10

Go to Step 21

10

  1. Turn the ignition switch to the OFF position.
  2. Disconnect the EBCM/EBTCM connector.
  3. Use the J 39200 in order to measure resistance between the ABS main relay harness connector terminal 85 and ground.

Is the resistance less than the specified value?

2 ohms

Go to Step 22

Go to Step 23

11

Repair the open or high resistance in CKT 1451. Refer to Wiring Repairs in Wiring Systems.

Is the repair complete?

--

Go to Diagnostic System Check - ABS

--

12

  1. Turn the ignition switch to the OFF position.
  2. Check IP fuse block CHIME fuse.

Is the fuse open?

--

Go to Step 13

Go to Step 14

13

Repair the short to ground in CKT 39. Refer to Wiring Repairs in Wiring Systems.

Is the repair complete?

--

Go to Diagnostic System Check - ABS

--

14

Remove and check the ANTILOCK indicator bulb.

Is the bulb open?

--

Go to Step 15

Go to Step 16

15

Replace the ANTILOCK indicator bulb.

Is the repair complete?

--

Go to Diagnostic System Check - ABS

--

16

Repair the open or high resistance in CKT 39 or CKT 852. Refer to Wiring Repairs in Wiring Systems.

Is the repair complete?

--

Go to Diagnostic System Check - ABS

--

17

  1. Repair the short to voltage in CKT 852. Refer to Wiring Repairs in Wiring Systems.
  2. Check antilock diode and main relay for possible damage.

Is the repair complete?

--

Go to Diagnostic System Check - ABS

--

18

Important: When replacing the diode, observe the polarity.

Replace the antilock diode. Refer to Antilock Diode Replacement .

Is the repair complete?

--

Go to Diagnostic System Check - ABS

--

19

Replace the ABS main relay. Refer to Wiring Repairs in Wiring Systems.

Is the repair complete?

--

Go to Diagnostic System Check - ABS

--

20

Repair the open or high resistance in CKT 1633. Refer to Wiring Repairs in Wiring Systems.

Is the repair complete?

--

Go to Diagnostic System Check - ABS

--

21

Repair the open or high resistance in CKT 351. Refer to Wiring Repairs in Wiring Systems.

Is the repair complete?

--

Go to Diagnostic System Check - ABS

--

22

Repair the short to ground in CKT 1632. Refer to Wiring Repairs in Wiring Systems.

Is the repair complete?

--

Go to Diagnostic System Check - ABS

--

23

  1. Replace or repair the wiring harness connector as needed to obtain proper connector retention. Refer to Wiring Repairs in Wiring Systems.
  2. Clear DTCs.
  3. Verify proper operation.

Does the system operate properly?

--

Go to Diagnostic System Check - ABS

Go to Step 24

24

Replace the EBCM/EBTCM. Refer to Electronic Brake and Traction Control Module Replacement .

Is the repair complete?

--

Go to Diagnostic System Check - ABS

--