GM Service Manual Online
For 1990-2009 cars only

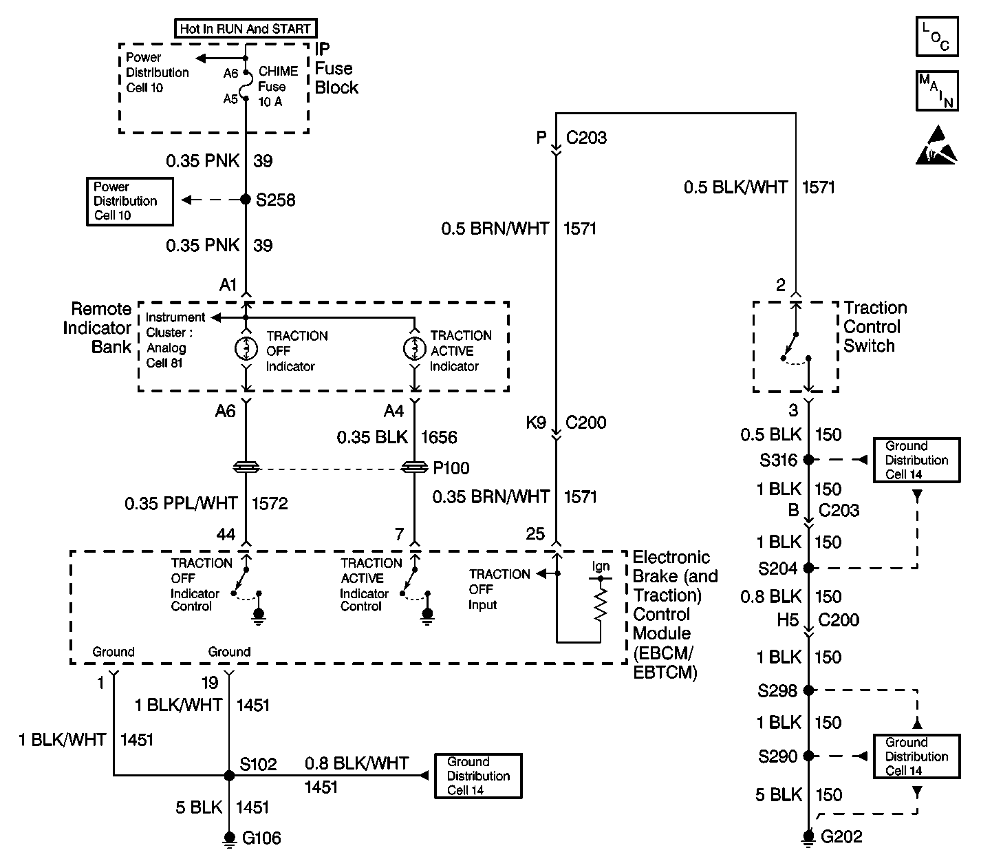
Traction Active Indicator Not Operating Properly Oldsmobile


Object Number: 406530  Size: LF
ABS Components
Cell 44: Traction Control Switch
Handling ESD Sensitive Parts Notice
Cell 10: IGN 3 Fuse, Ignition Switch (Oldsmobile)
Cell 10: CHIME(IGN 1) Fuse (Oldsmobile)
Cell 14: G102, G104, G106, G110, and G301 (Battery Ground)
Cell 14: G202 (Oldsmobile 3 of 3)
Cell 14: G202 (Oldsmobile 1 of 3)
Cell 81: Traction Off Indicator

Circuit Description

When the EBTCM is operating in the traction control mode, the EBTCM will command the instrument cluster to turn ON the TRACTION ACTIVE indicator. This will alert the driver that the traction control system is operating.

Diagnostic Aids

The following conditions may cause improper operation of the TRACTION ACTIVE indicator:

    • An open fuse
    • An open bulb
    • A malfunctioning EBTCM
    • A malfunctioning instrument cluster

Step

Action

Value(s)

Yes

No

1

Was the ABS Diagnostic System Check performed?

--

Go to Step 2

Go to Diagnostic System Check - ABS

2

Does the TRACTION ACTIVE indicator illuminate when the traction control is not active?

--

Go to Step 6

Go to Step 3

3

  1. Turn the ignition switch to the OFF position.
  2. Disconnect the EBTCM connector.
  3. Connect the J 38716 pinout box.
  4. Use the J 39200 in order to measure the resistance between the J 38716 terminal 1 and ground.

Is the resistance less than the specified value?

2 ohms

Go to Step 4

Go to Step 14

4

  1. Connect a fused jumper from the J 38716 terminal 7 to terminal 1.
  2. Turn the ignition switch to the RUN position.

Does the TRACTION ACTIVE indicator turn ON?

--

Go to Step 5

Go to Step  8

5

  1. Turn the ignition switch to the OFF position.
  2. Disconnect the J 38716 pinout box.
  3. Reconnect all of the connectors.
  4. Use the scan tool in order to select the ABS/TCS data list.
  5. Monitor the TCS State.

  6. Test drive the vehicle on a safe area under 40 km/h (25 mph). Drive on a slippery surface such as sand or gravel.

Does the TCS State change and did the TRACTION ACTIVE indicator turn ON during a traction control event?

--

Go to Diagnostic System Check - ABS

Go to Step 13

6

  1. Turn the ignition switch to the OFF position.
  2. Disconnect the EBTCM connector.
  3. Turn the ignition switch to the RUN position.

Does the TRACTION ACTIVE indicator still turn on?

--

Go to Step 7

Go to Step  13

7

Repair the short to ground in CKT 1656. Refer to Wiring Repairs in Wiring Systems.

Is the repair complete?

--

Go to Diagnostic System Check - ABS

--

8

  1. Turn the ignition switch to the OFF position.
  2. Remove and check the TRACTION ACTIVE indicator bulb.

Is the bulb open?

--

Go to Step  12

Go to Step 9

9

  1. Disconnect the remote telltale bank connector.
  2. Turn the ignition switch to the RUN position.
  3. Use the J 39200 in order to measure the voltage between the remote telltale bank harness connector terminal A1 and ground.

Is the voltage within the specified range?

Battery Voltage

Go to Step 11

Go to Step 10

10

  1. Check for the following conditions:
  2. • CKT 39 for an open
    • IGN 1 Fuse for an open
    • remote telltale bank for the proper terminal contact
  3. If the above conditions are OK, replace the remote telltale bank. Refer to Instrument Cluster Trim Panel Replacement in Instrument Panel, Gauges and Console.

Is the repair complete?

--

Go to Diagnostic System Check - ABS

--

11

Use the J 39200 in order to measure the resistance from the J 38716 terminal 7 to the remote indicator bank connector terminal A4.

Is the resistance less than the specified value?

2 ohms

Go to Step 13

Go to Step 15

12

Replace the TRACTION ACTIVE indicator bulb. Refer to Instrument Cluster Replacement in Instrument Panel, Gauges and Console.

Is the repair complete?

--

Go to Diagnostic System Check - ABS

--

13

  1. Check the EBTCM connector for proper terminal contact.
  2. If the terminal contact is OK, replace the EBTCM. Refer to Electronic Brake and Traction Control Module Replacement .

Is the repair complete?

--

Go to Diagnostic System Check - ABS

--

14

Repair the open or high resistance in CKT 1451. Refer to Wiring Repairs in Wiring Systems.

Is the repair complete?

--

Go to Diagnostic System Check - ABS

--

15

Repair the open or high resistance in CKT 1656. Refer to Wiring Repairs in Wiring Systems.

Is the repair complete?

--

Go to Diagnostic System Check - ABS

--