GM Service Manual Online
For 1990-2009 cars only

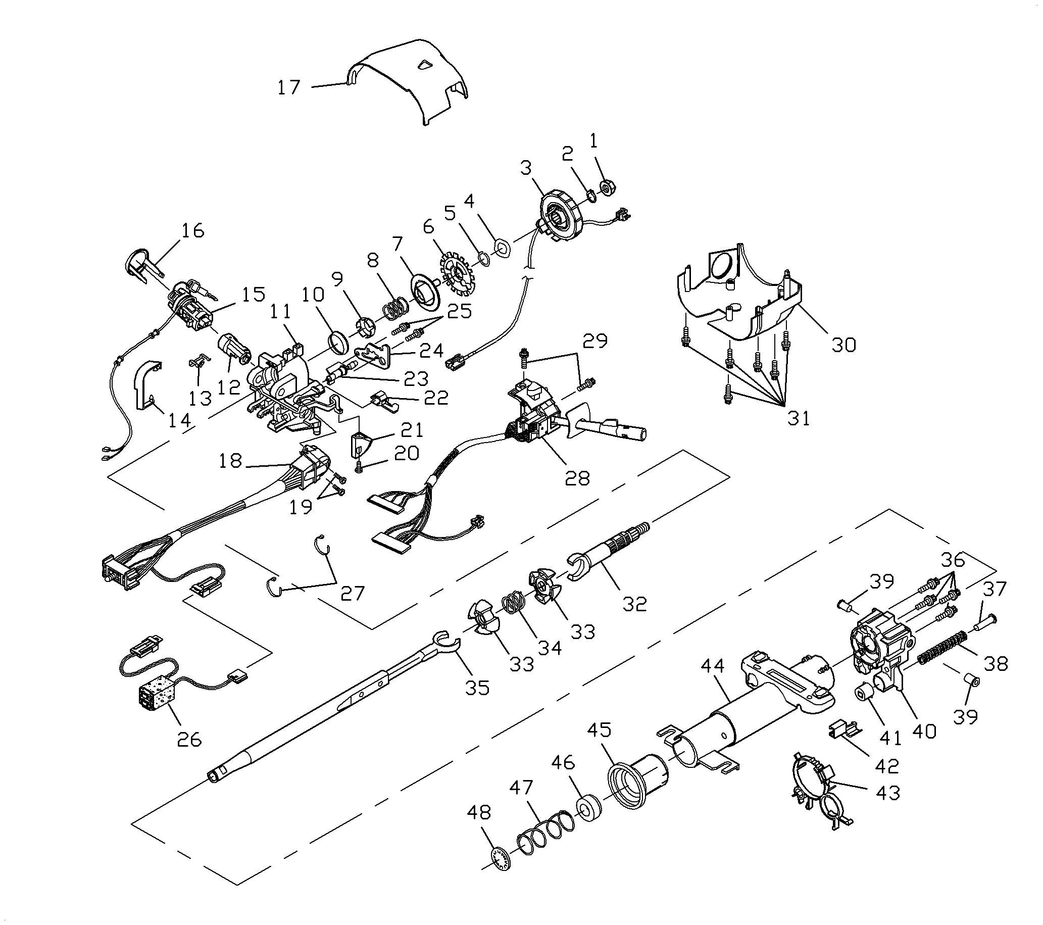
Steering Column Disassembled View Oldsmobile

Tilt, Floor Shift Steering Column


Object Number: 362119  Size: SH
(1)Flange Prevailing Torque Nut
(2)Retaining Ring
(3)SIR Coil Assembly
(4)Wave Washer
(5)Bearing Retainer
(6)Shaft Lock
(7)Turn Signal Cancel Cam Assembly
(8)Upper Bearing Spring
(9)Upper Bearing Inner Race Seat
(10)Inner Race
(11)Bearing and Housing Assembly
(12)Ignition Lock Actuator Assembly
(13)Lock Pre-Load Spring
(14)Wiring Protector
(15)Steering Column Pass Key Lock Cylinder Set
(16)Close Out Knob
(17)Pivot and Pulse Switch Assembly
(18)Upper Cover
(19)Tapping Screws
(20)Ignition and Key Alarm Switch Assembly
(21)Tapping Screws
(22)Pan Head Screw
(23)Tilt Lever Knob Assembly
(24)Tilt Lever Bracket
(25)Lock Bolt Assembly
(26)Lock Bolt Support Bracket
(27)Tapping Screws
(28)Jumper Harness Assembly
(29)Wire Harness Strap
(30)Turn Signal and Multifunction Switch Assembly
(31)Tapping Screws
(32)Lower Cover
(33)Tapping Screws
(34)Upper Shaft Assembly
(35)Centering Sphere
(36)Joint Pre-Load Spring
(37)Lower Shaft Assembly
(38)Support Screws
(39)Spring Guide
(40)Tilt Wheel Spring
(41)Pivot Pin
(42)Pivot Pin
(43)Steering Column Jacket Support Assembly
(44)Spring Retainer
(45)Wire Restraint Clip
(46)Wire Harness Strap
(47)Steering Column Jacket Assembly
(48)Adapter and Bearing Assembly
(49)Lower Bearing Spring
(51)Lower Bearing Retainer

Steering Column Disassembled View Buick

Tilt, Floor Shift Steering Column


Object Number: 381214  Size: LF
(1)Flange Prevailing Torque Nut
(2)Retaining Ring
(3)SIR Coil Assembly
(4)Wave Washer
(5)Bearing Retainer
(6)Shaft Lock
(7)Turn Signal Cancel Cam Assembly
(8)Upper Bearing Spring
(9)Upper Bearing Inner Race Seat
(10)Inner Race
(11)Bearing and Housing Assembly
(12)Ignition Lock Actuator Assembly
(13)Lock Pre-Load Spring
(14)Wiring Protector
(15)Steering Column Pass Key Lock Cylinder Set
(16)Close Out Knob
(17)Upper Cover
(18)Ignition and Key Alarm Switch Assembly
(19)Tapping Screws
(20)Pan Head Screw
(21)Tilt Lever Knob Assembly
(22)Tilt Lever Bracket
(23)Lock Bolt Assembly
(24)Lock Bolt Support Bracket
(25)Tapping Screws
(26)Jumper Harness Assembly
(27)Wire Harness Straps
(28)Turn Signal and Multifunction Switch Assembly
(29)Tapping Screws
(30)Lower Cover
(31)Tapping Screws
(32)Upper Shaft Assembly
(33)Centering Sphere
(34)Joint Pre-Load Spring
(35)Lower Shaft Assembly
(36)Support Screws
( 37)Spring Guide
(38)Tilt Wheel Spring
(39)Pivot Pin
(40)Pivot Pin
(41)Steering Column Jacket Support Assembly
(42)Spring Retainer
(43) Wire Restraint Clip
(44)Wire Harness Strap
(45)Steering Column Jacket Assembly
(46)Adapter and Bearing Assembly
(47)Lower Bearing Seat
(48)Lower Bearing Spring
(49)Lower Bearing Retainer