GM Service Manual Online
For 1990-2009 cars only
Makes
🢒
Oldsmobile
🢒
1999
🢒
Aurora
🢒
Body and Accessories
🢒
Lighting Systems
🢒 Interior Lights Schematics
Interior Lights Schematics Buick
Figure
1:
Cell 114: PWR, GND, and Inputs
Lighting Systems Components
Interior Lights Circuit Description
Cell 114: Rear Compartment, Door and Foot Well Courtesy Lamps
Power Distribution Schematics
Power Distribution Schematics
Power Distribution Schematics
Power Distribution Schematics
Handling ESD Sensitive Parts Notice
Handling ESD Sensitive Parts Notice
Ground Distribution Schematics
Ground Distribution Schematics
Ground Distribution Schematics
Cell 146
Cell 146
Body Control System Connector End Views
Figure
2:
Cell 114: Rear Compartment, Door and Foot Well Courtesy Lamps
Lighting Systems Components
Interior Lights Circuit Description
Cell 114: Courtesy/Reading Lamps and Vanity Mirrors
Cell 114: PWR, GND, and Inputs
Cell 114: Courtesy/Reading Lamps and Vanity Mirrors
Cell 114: Courtesy/Reading Lamps and Vanity Mirrors
Ground Distribution Schematics
Ground Distribution Schematics
Body Control System Connector End Views
Figure
3:
Cell 114: Courtesy/Reading Lamps and Vanity Mirrors
Lighting Systems Components
Interior Lights Circuit Description
Cell 114: IP Compartment and Underhood Lamps
Cell 114: Rear Compartment, Door and Foot Well Courtesy Lamps
Ground Distribution Schematics
Ground Distribution Schematics
Cell 114: Rear Compartment, Door and Foot Well Courtesy Lamps
Cell 114: Rear Compartment, Door and Foot Well Courtesy Lamps
Cell 136
Body Control System Connector End Views
Figure
4:
Cell 114: IP Compartment and Underhood Lamps
Lighting Systems Components
Interior Lights Circuit Description
Cell 114: Courtesy/Reading Lamps and Vanity Mirrors
Ground Distribution Schematics
Ground Distribution Schematics
Ground Distribution Schematics
Power Distribution Schematics
Power Distribution Schematics
Power Distribution Schematics
Power Distribution Schematics
Interior Lights Schematics Oldsmobile
Figure
1:
Cell 114: PWR, GND, and Inputs
Lighting Systems Components
Interior Lights Circuit Description
Cell 114: Rear Compartment, Door and Foot Well Courtesy Lamps
Ground Distribution Schematics
Ground Distribution Schematics
Ground Distribution Schematics
Power Distribution Schematics
Power Distribution Schematics
Power Distribution Schematics
Power Distribution Schematics
Handling ESD Sensitive Parts Notice
Handling ESD Sensitive Parts Notice
Body Control System Connector End Views
Figure
2:
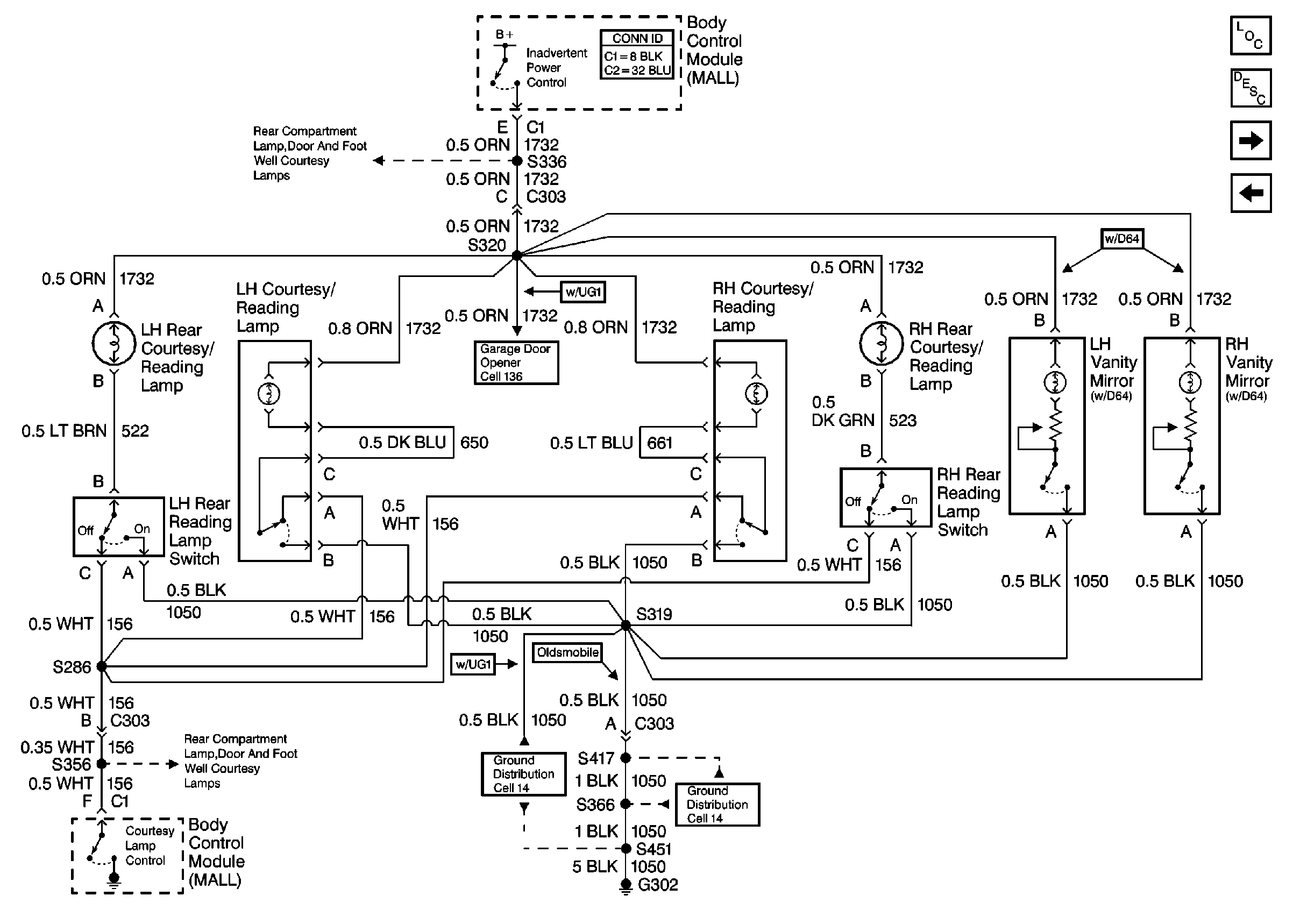
Cell 114: Rear Compartment, Door and Foot Well Courtesy Lamps
Lighting Systems Components
Interior Lights Circuit Description
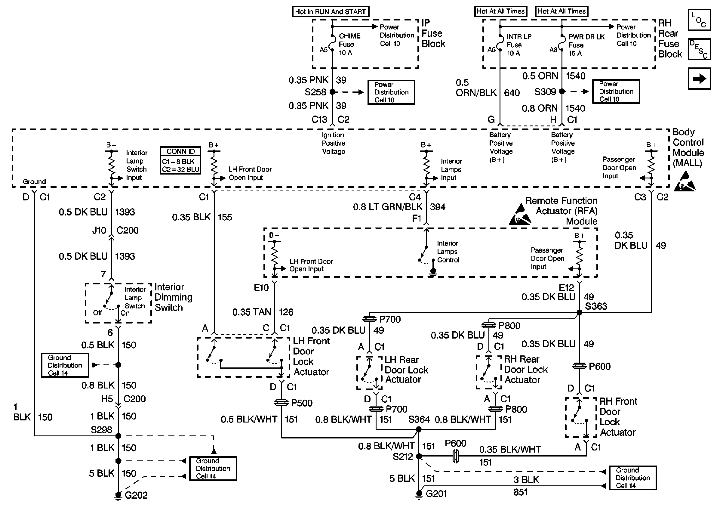
Cell 114: Courtesy/Reading Lamps and Vanity Mirrors
Cell 114: PWR, GND, and Inputs
Cell 114: Courtesy/Reading Lamps and Vanity Mirrors
Cell 114: Courtesy/Reading Lamps and Vanity Mirrors
Ground Distribution Schematics
Ground Distribution Schematics
Body Control System Connector End Views
Figure
3:
Cell 114: Courtesy/Reading Lamps and Vanity Mirrors
Lighting Systems Components
Interior Lights Circuit Description
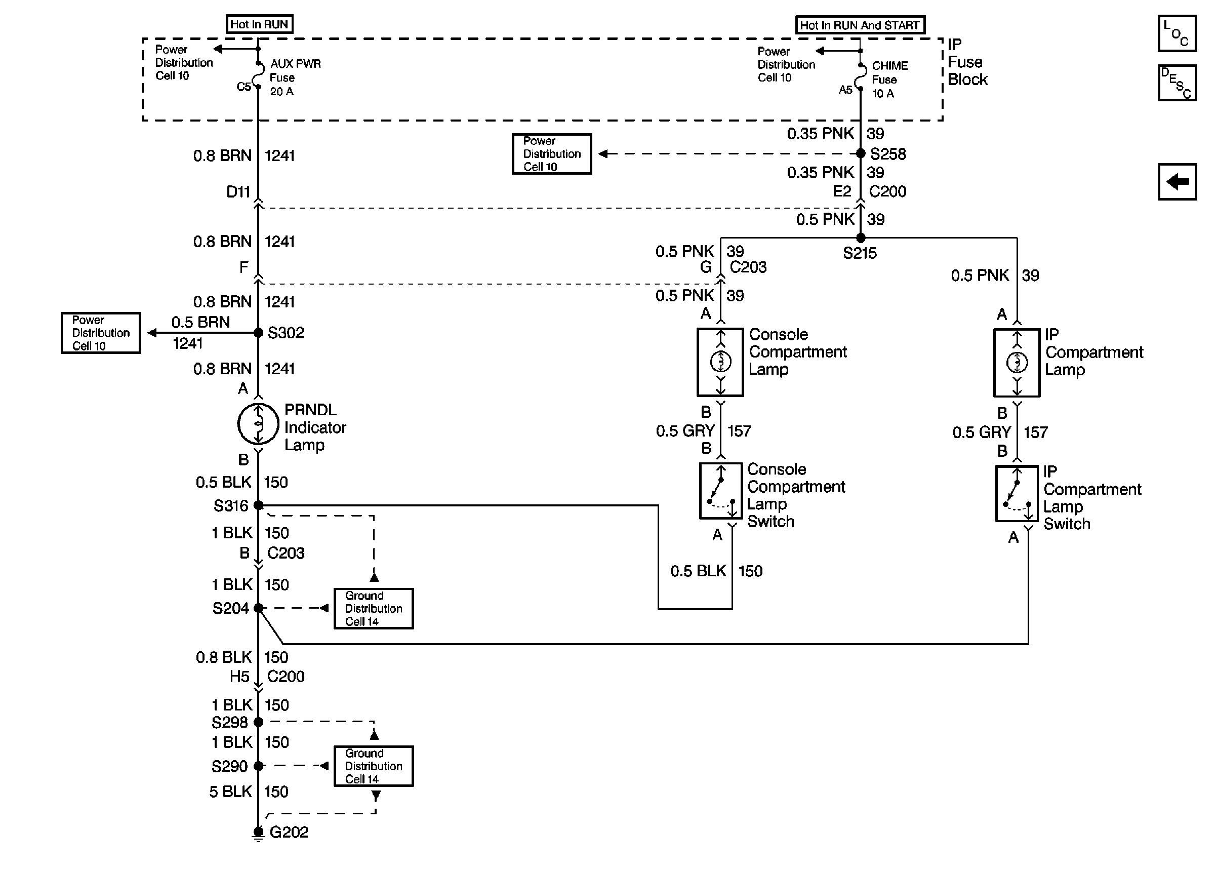
Cell 114: PRNDL Indicator, Console Compartment, and IP Compartment
Cell 114: Rear Compartment, Door and Foot Well Courtesy Lamps
Ground Distribution Schematics
Ground Distribution Schematics
Cell 114: Rear Compartment, Door and Foot Well Courtesy Lamps
Cell 114: Rear Compartment, Door and Foot Well Courtesy Lamps
Cell 136
Body Control System Connector End Views
Figure
4:
Cell 114: PRNDL Indicator, Console Compartment, and IP Compartment
Lighting Systems Components
Interior Lights Circuit Description
Cell 114: Courtesy/Reading Lamps and Vanity Mirrors
Power Distribution Schematics
Power Distribution Schematics
Power Distribution Schematics
Power Distribution Schematics
Ground Distribution Schematics
Ground Distribution Schematics