GM Service Manual Online
For 1990-2009 cars only
Makes
🢒
Oldsmobile
🢒
2000
🢒
Aurora
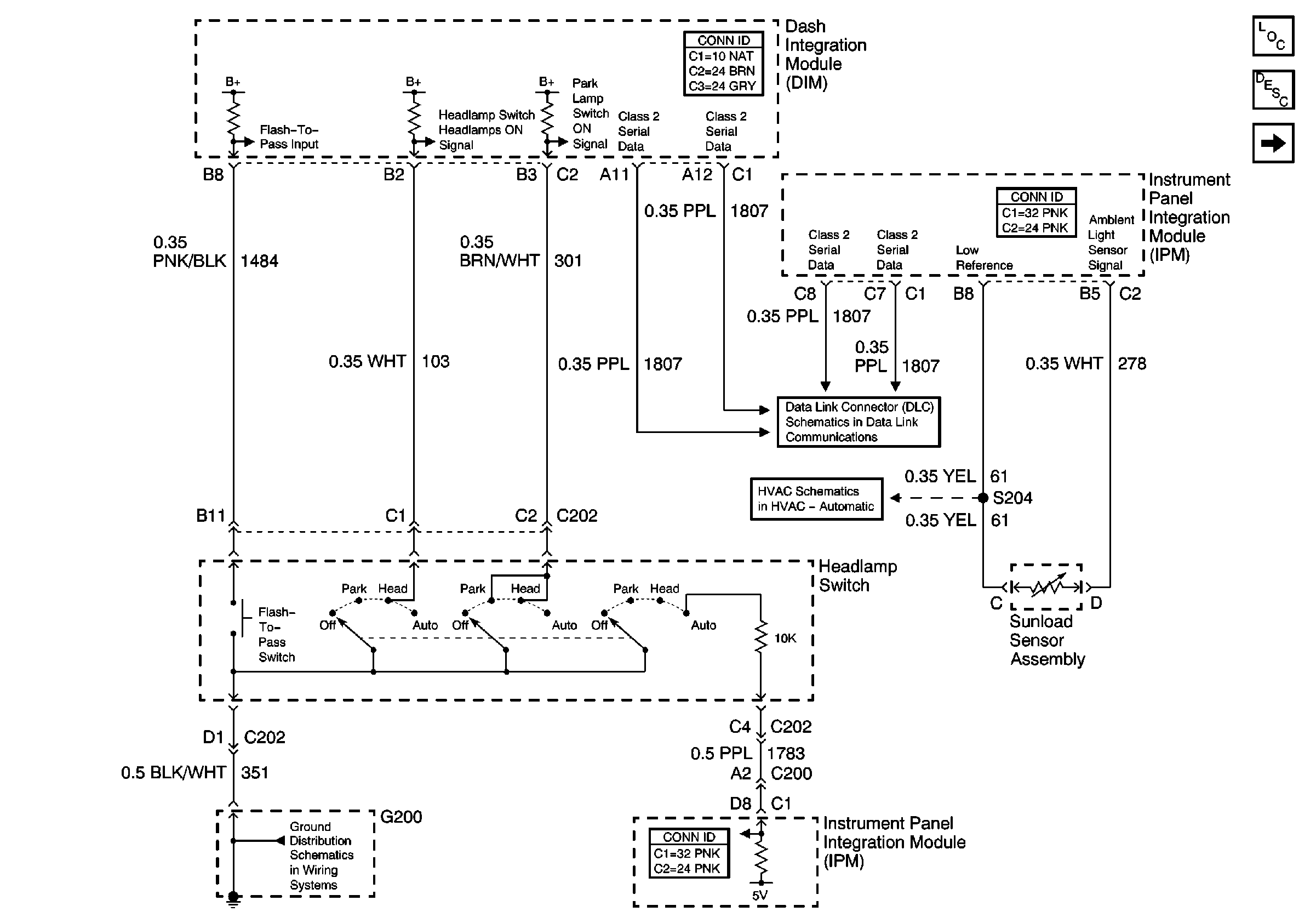
🢒 Headlamp Switch and Sunload Assembly
Headlamp Switch and Sunload Assembly
Headlamp Switch and Sunload Assembly
Master Electrical Component List
Exterior Lighting Systems Description and Operation
DRL, High Beam Headlamps, Headlamp Dimmer Switch
Serial Data Class 2
Air Temperature Sensors
G200