GM Service Manual Online
For 1990-2009 cars only
Makes
🢒
Oldsmobile
🢒
2001
🢒
Aurora
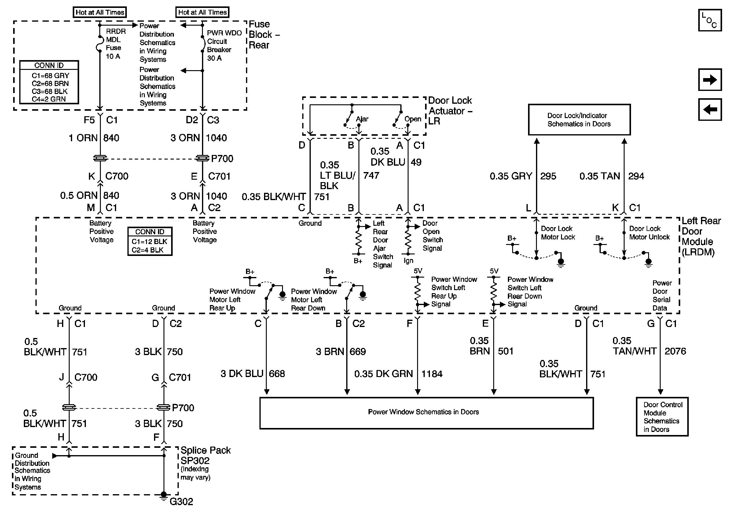
🢒 Left Rear Door Module (LRDM) Power, Ground and I/O
Left Rear Door Module (LRDM) Power, Ground and I/O
Left Rear Door Module (LRDM) Power, Ground and I/O
Right Rear Door Module (RRDM) Power, Ground and I/O
G302
Power Door Serial Data
Battery Feed to the Fuse Block-Rear
Front Passenger Door Module (FPDM) Inputs/Outputs
Rear Door Lock Actuator
Left Rear Window Switch and Window Motor
Master Electrical Component List