GM Service Manual Online
For 1990-2009 cars only

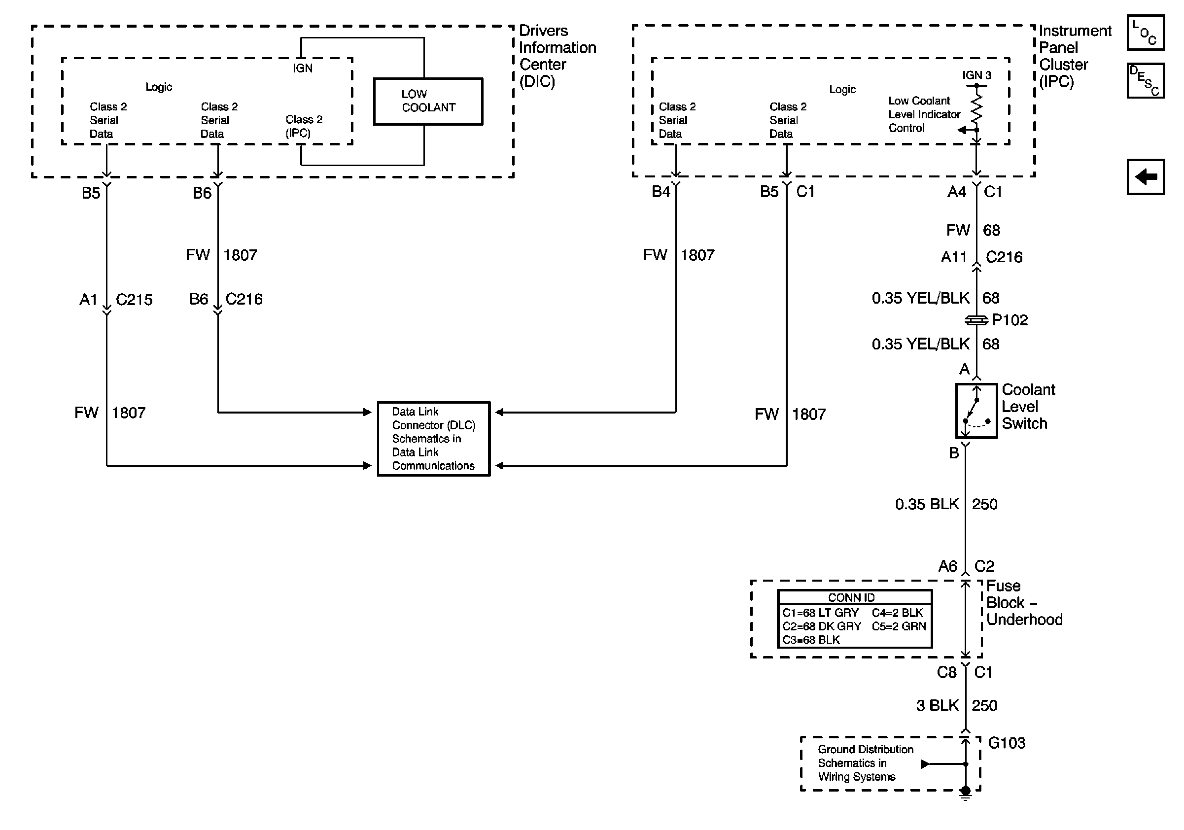
Coolant Level Switch

Coolant Level Switch


Object Number: 619513  Size: FS
Master Electrical Component List
Cooling System Description and Operation
Cooling Fans and Relays
G103
Serial Data Class 2