GM Service Manual Online
For 1990-2009 cars only
Makes
🢒
Oldsmobile
🢒
2002
🢒
Aurora
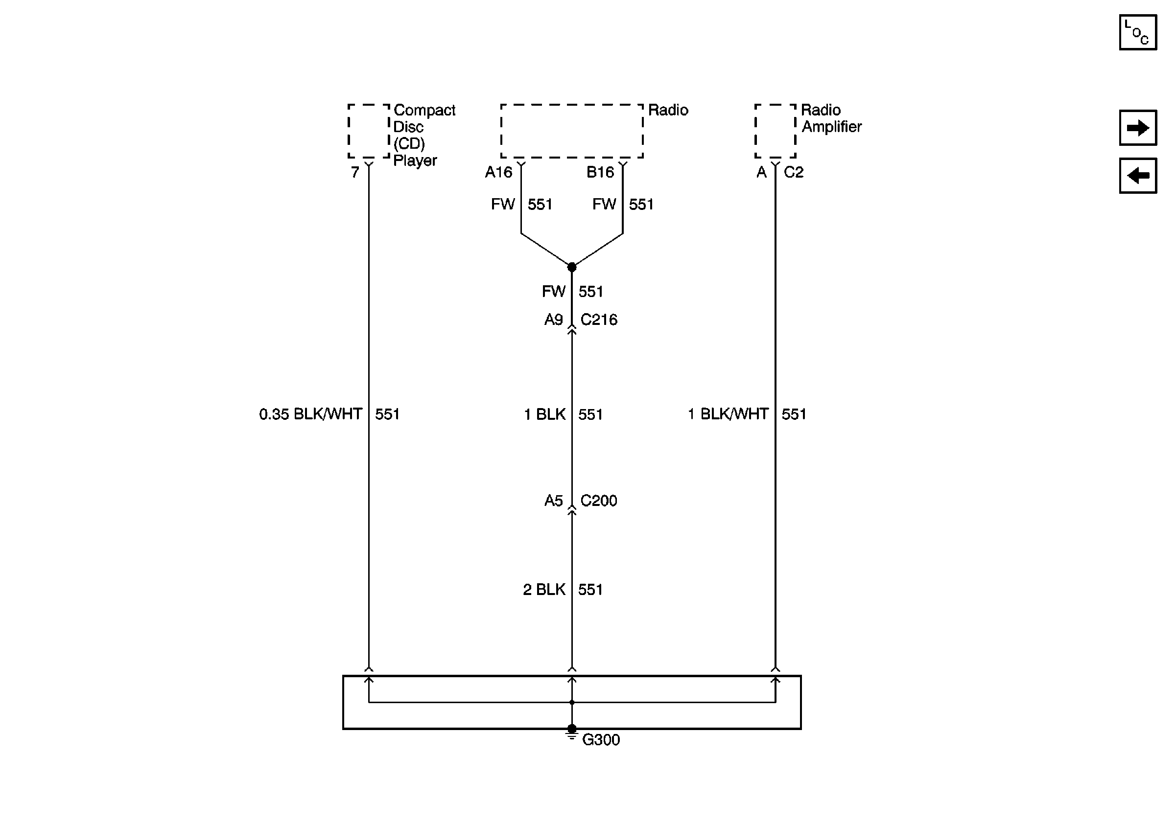
🢒 G300
G300
G300