GM Service Manual Online
For 1990-2009 cars only
Makes
🢒
Oldsmobile
🢒
2002
🢒
Aurora
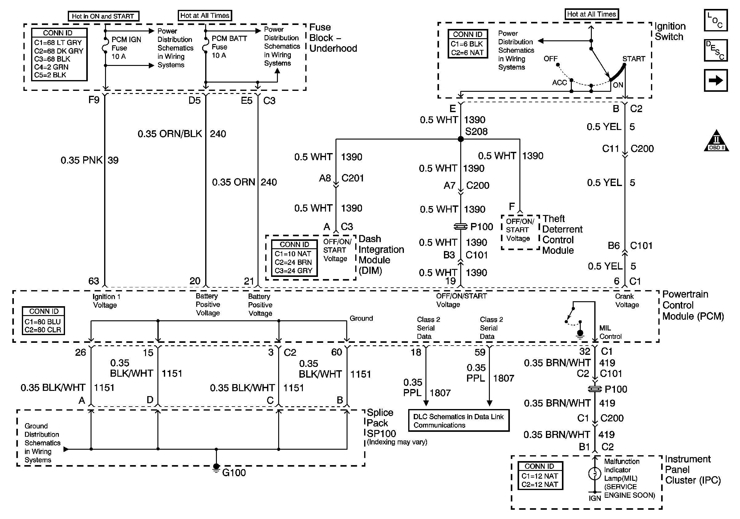
🢒 Module Power, Ground, Serial Data and MIL
Module Power, Ground, Serial Data and MIL
Module Power, Ground, Serial Data and MIL
Master Electrical Component List
Powertrain Control Module Description
Engine Data Sensors - 5 Volt and Low Reference
OBD II Symbol Description Notice
OBD II Symbol Description Notice
Battery Feed to the Fuse Block-Underhood
Battery Feed to the Fuse Block-Underhood
IGN SW Fuse (Fuse Block-Rear)
G100 and G102, L47
Serial Data Class 2
Engine Data Sensors - 5 Volt and Low Reference