GM Service Manual Online
For 1990-2009 cars only
Makes
🢒
Oldsmobile
🢒
2002
🢒
Aurora
🢒 Transmission W/LX5
Transmission W/LX5
Transmission W/LX5
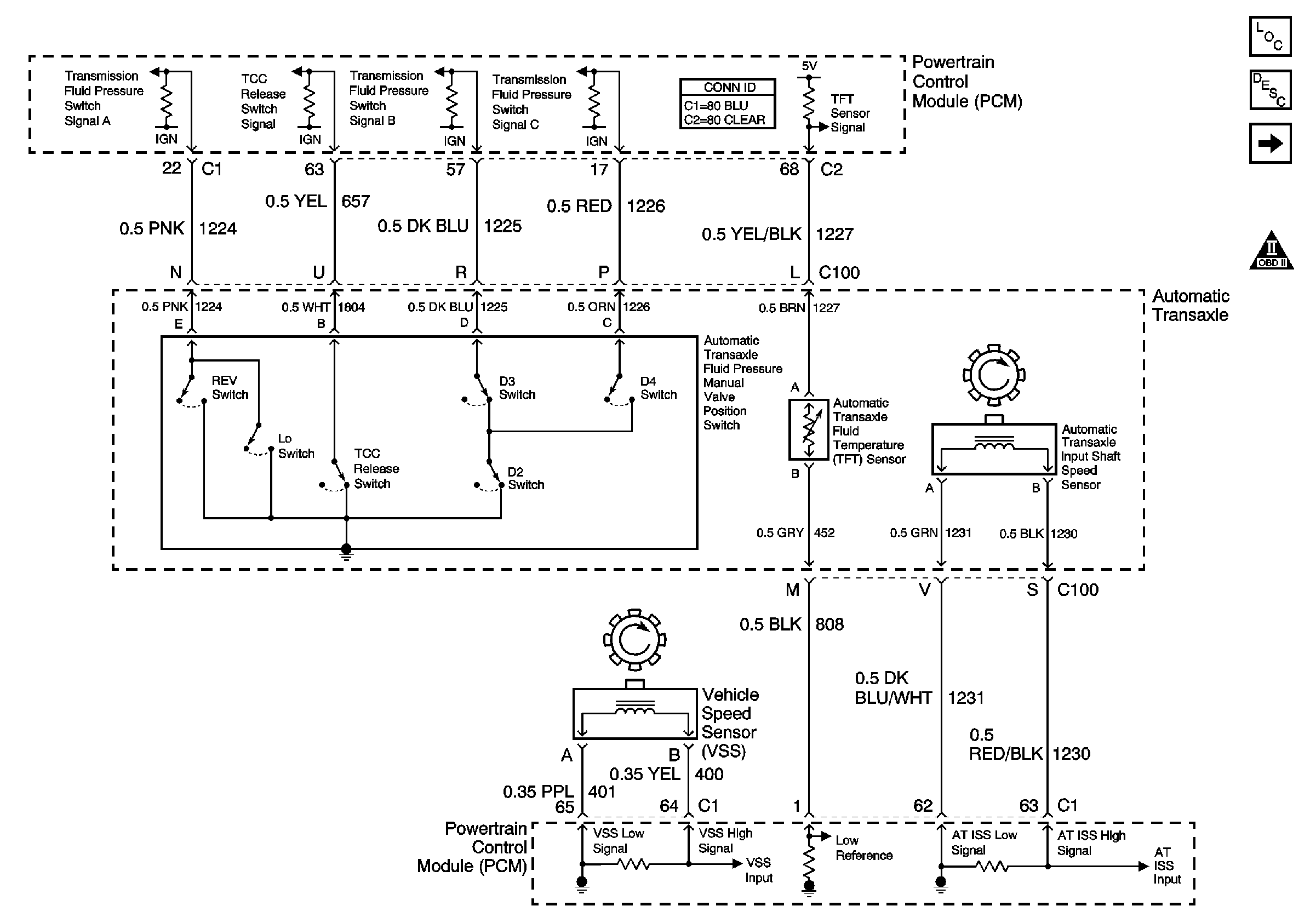
Master Electrical Component List
Transmission Solenoids
OBD II Symbol Description Notice
Handling ESD Sensitive Parts Notice