GM Service Manual Online
For 1990-2009 cars only
Makes
🢒
Oldsmobile
🢒
2002
🢒
Aurora
🢒 Generator Controls and Battery
Generator Controls and Battery
Generator Controls and Battery
Master Electrical Component List
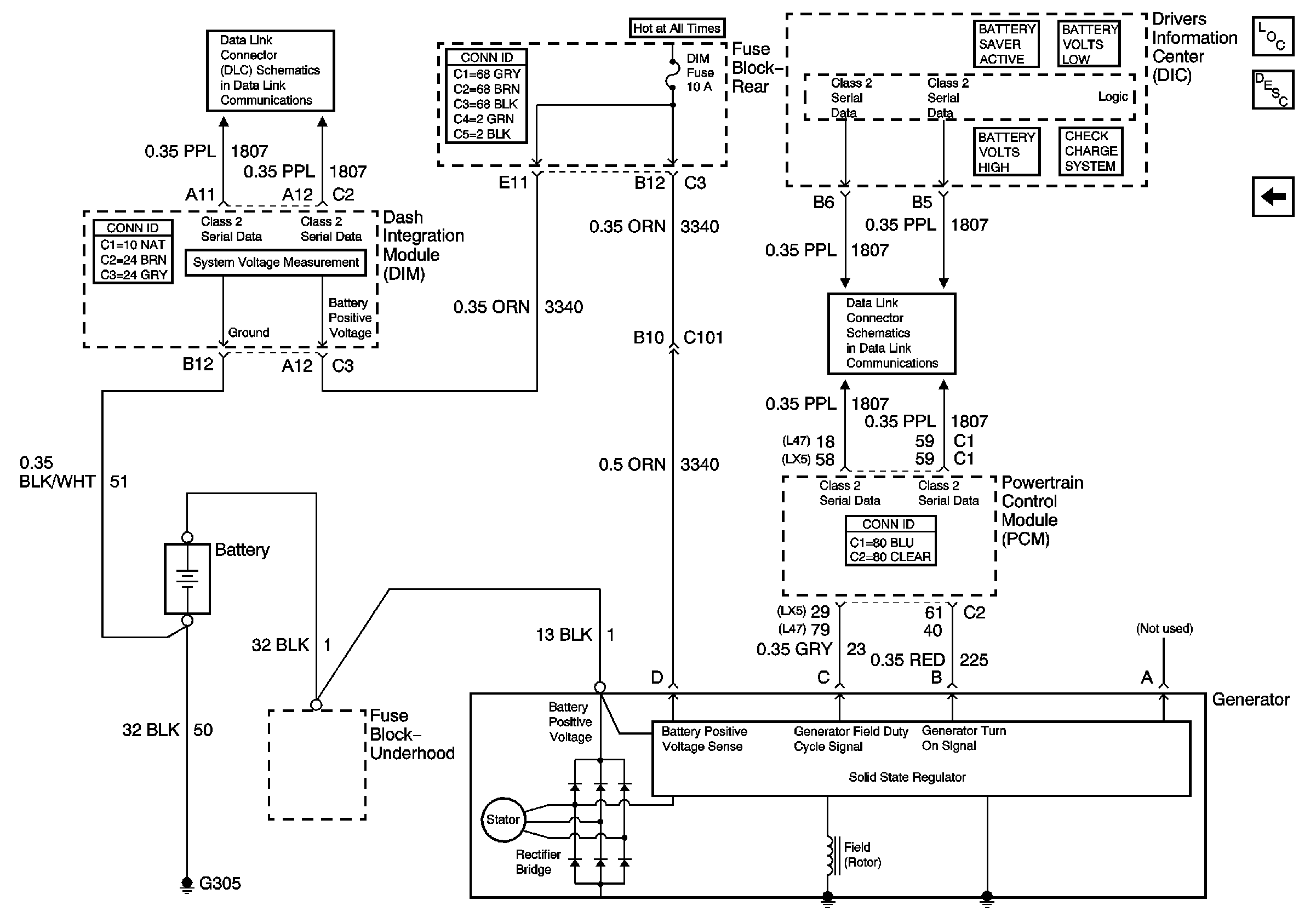
Charging System Description and Operation
Starter Solenoid Controls
Serial Data Class 2
Serial Data Class 2