GM Service Manual Online
For 1990-2009 cars only

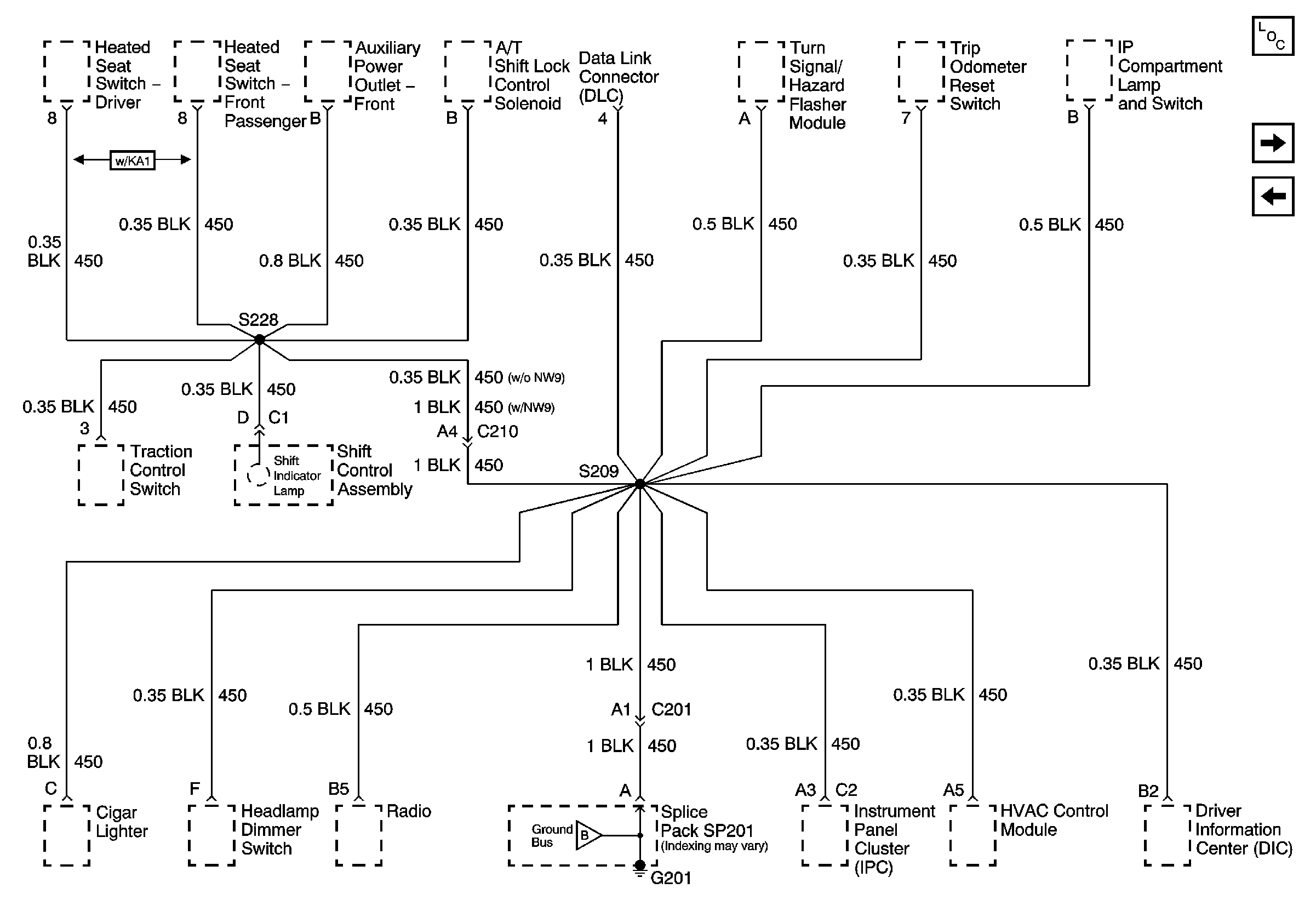
G201 (1 of 2)

G201 (1 of 2)


Object Number: 765389  Size: FS
Master Electrical Component List
G201 (2 of 2)
G200
G201 (2 of 2)