GM Service Manual Online
For 1990-2009 cars only
Makes
🢒
Oldsmobile
🢒
2002
🢒
Aurora
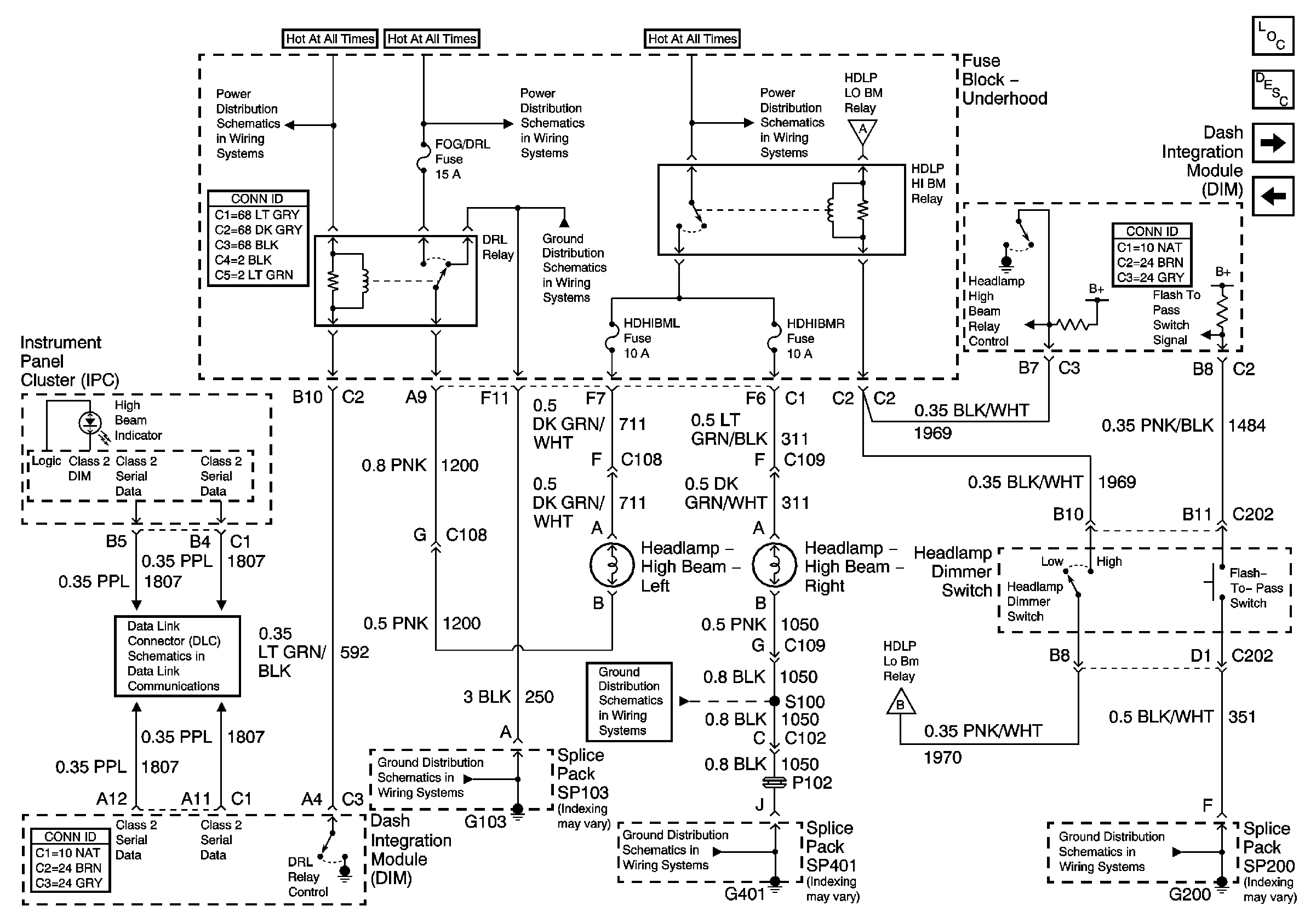
🢒 DRL, High Beam Headlamps, Headlamp Dimmer Switch
DRL, High Beam Headlamps, Headlamp Dimmer Switch
DRL, High Beam Headlamps, Headlamp Dimmer Switch
Master Electrical Component List
Exterior Lighting Systems Description and Operation
Low Beam Headlamps
Headlamp Switch and Sunload Sensor Assembly
Battery Feed to the Fuse Block-Underhood
Battery Feed to the Fuse Block-Underhood
Battery Feed to the Fuse Block-Underhood
Low Beam Headlamps
G200
Low Beam Headlamps
G401 (2 of 2)
G401 (2 of 2)
G103
G103
Serial Data Class 2