GM Service Manual Online
For 1990-2009 cars only
Makes
🢒
Oldsmobile
🢒
2002
🢒
Aurora
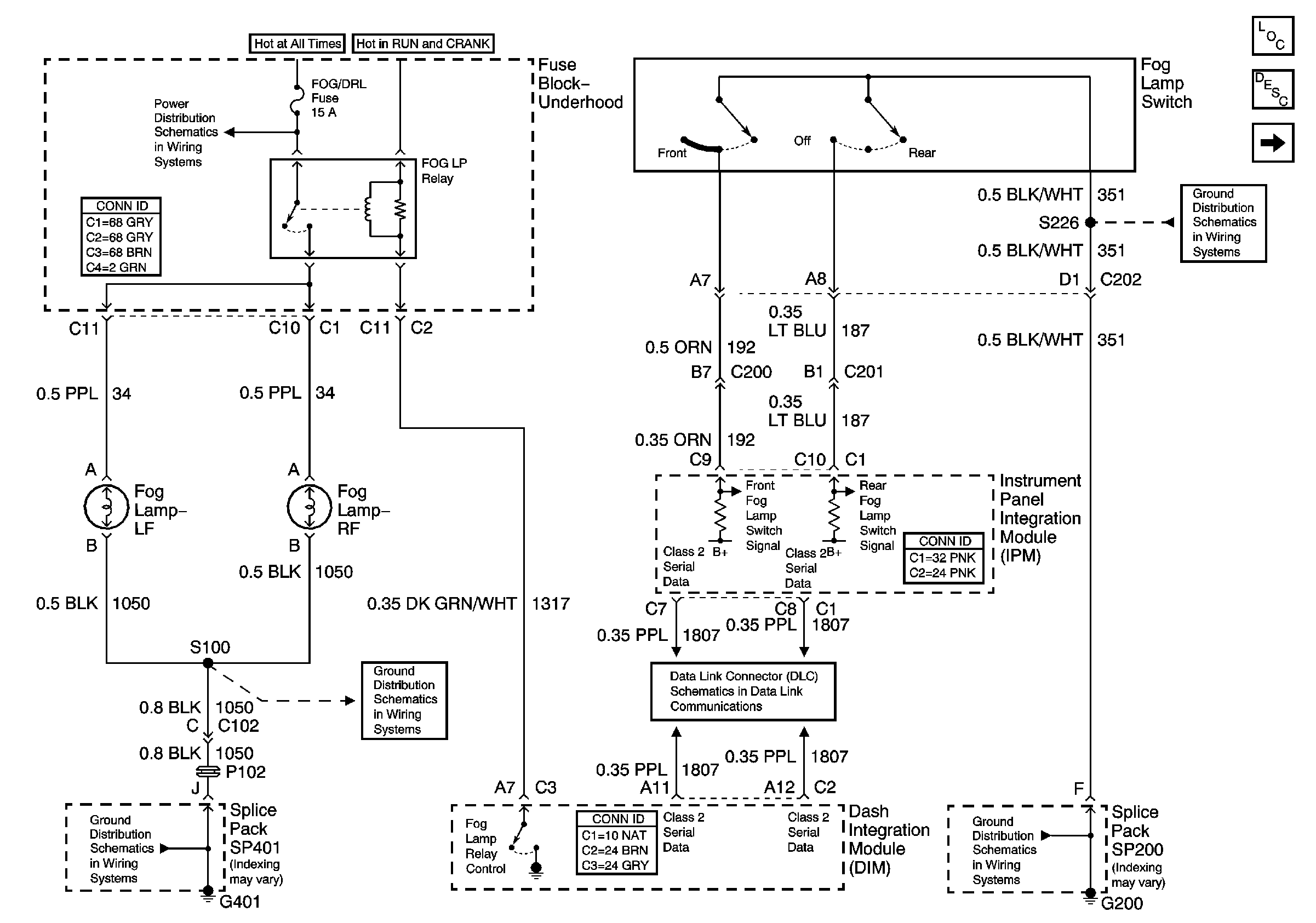
🢒 Fog Lamps-Front
Fog Lamps-Front
Fog Lamps-Front
Master Electrical Component List
Exterior Lighting Systems Description and Operation
Fog Lamps-Rear
G200
G200
Serial Data Class 2
G401 (2 of 2)
G401 (2 of 2)
Battery Feed to the Fuse Block-Underhood