GM Service Manual Online
For 1990-2009 cars only
Makes
🢒
Oldsmobile
🢒
2002
🢒
Aurora
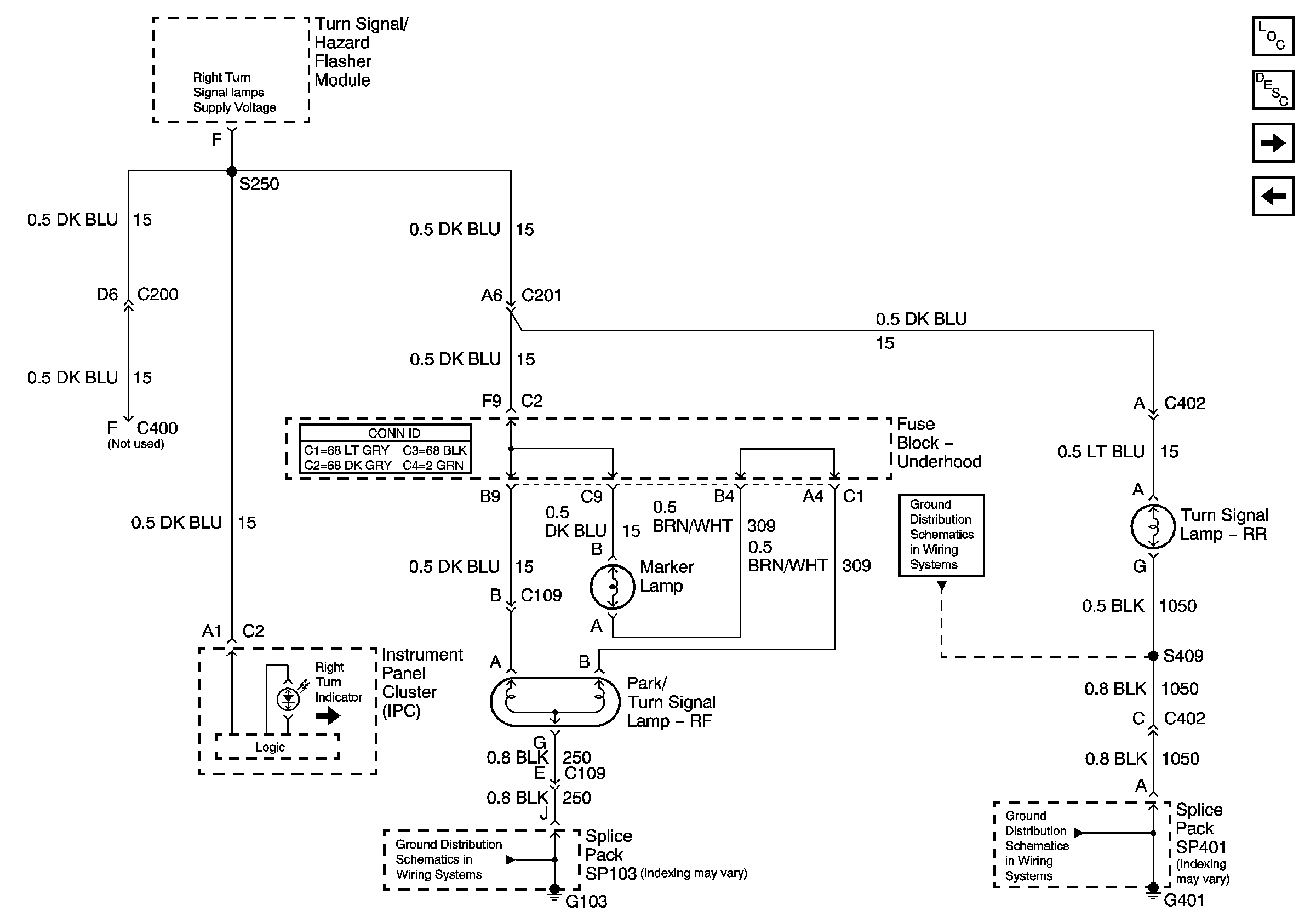
🢒 RH Turn Signal/Hazard Lamps
RH Turn Signal/Hazard Lamps
RH Turn Signal/Hazard Lamps
Master Electrical Component List
Exterior Lighting Systems Description and Operation
Tail/Stop Lamps
Turn Signal/Hazard Lamps-Left
G401 (2 of 2)
G401 (2 of 2)
G103