GM Service Manual Online
For 1990-2009 cars only
Makes
🢒
Oldsmobile
🢒
2002
🢒
Aurora
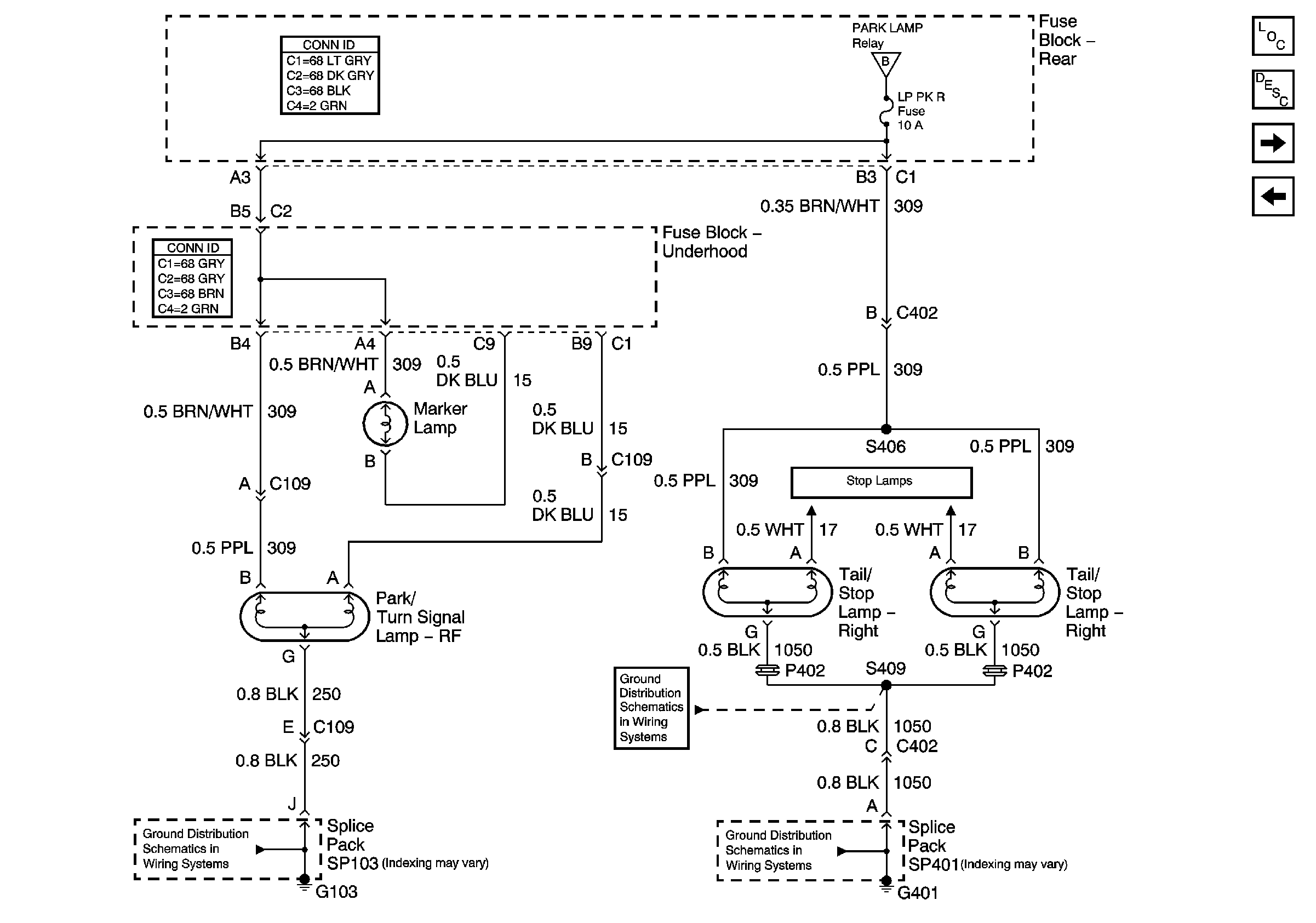
🢒 Park/Tail/Stop Lamps-Right
Park/Tail/Stop Lamps-Right
Park/Tail/Stop Lamps-Right
Master Electrical Component List
Exterior Lighting Systems Description and Operation
License Plate Lamps, Park Lamp Relay
Park/Tail/Stop Lamps-Left
License Plate Lamps, Park Lamp Relay
Tail/Stop Lamps
G401 (2 of 2)
G401 (2 of 2)
G103