GM Service Manual Online
For 1990-2009 cars only
Makes
🢒
Oldsmobile
🢒
2002
🢒
Aurora
🢒 Garage Door Opener
Garage Door Opener
Master Electrical Component List
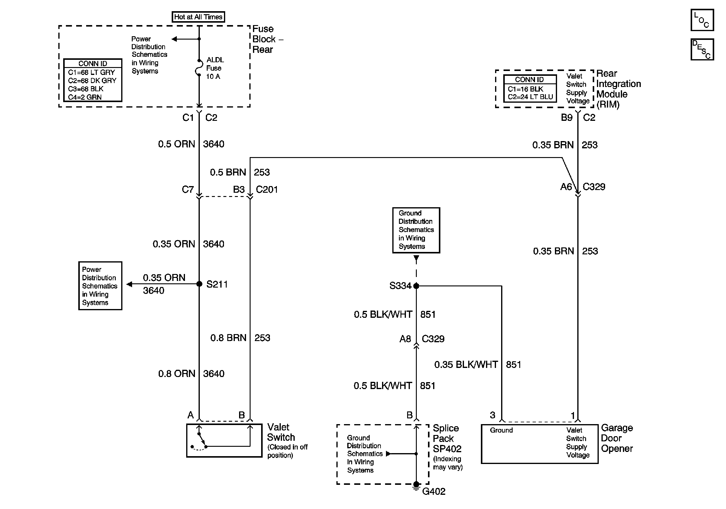
Garage Door Opener Description and Operation
Battery Feed to the Fuse Block-Rear
PWR WDO and PWR SEAT Circuit Breakers (Fuse Block-Rear)
G402
G402