GM Service Manual Online
For 1990-2009 cars only
Makes
🢒
Oldsmobile
🢒
2002
🢒
Aurora
🢒 Defogger
Defogger
Master Electrical Component List
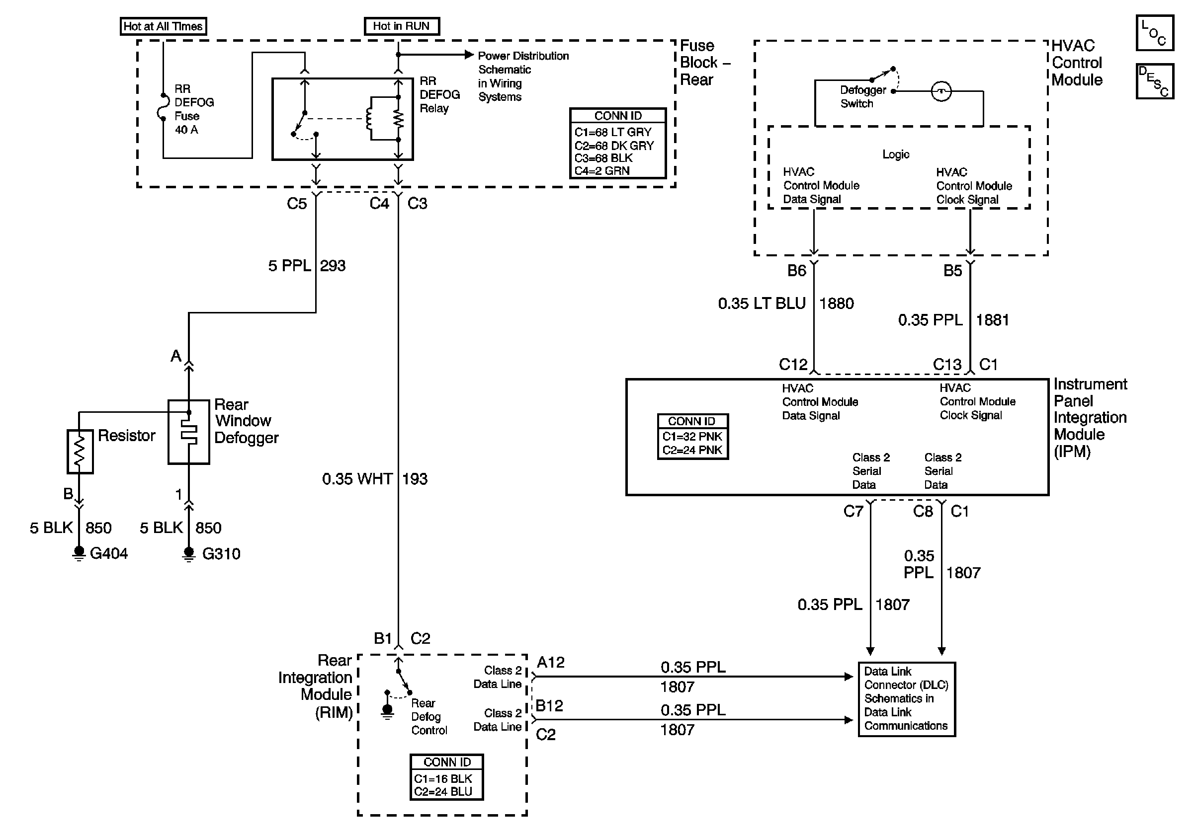
Rear Window Defogger Description and Operation
Battery Feed to the Fuse Block-Rear
Serial Data Class 2