GM Service Manual Online
For 1990-2009 cars only
Makes
🢒
Oldsmobile
🢒
2002
🢒
Aurora
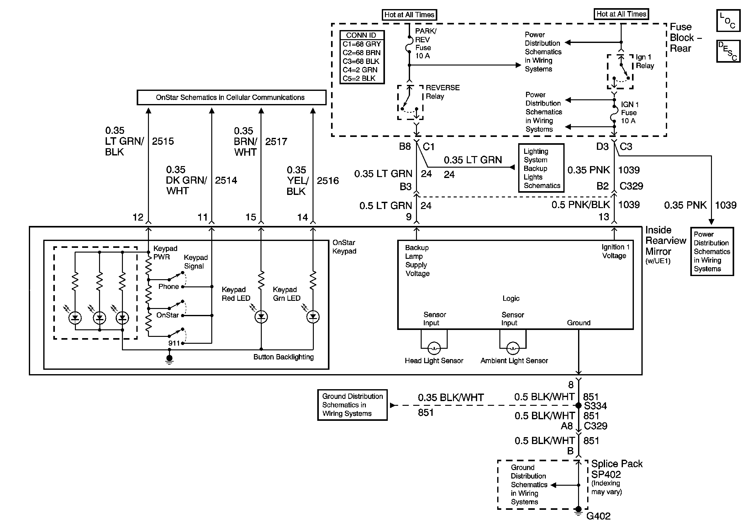
🢒 Inside Rear View Mirror Schematics
Inside Rear View Mirror Schematics
Inside Rear View Mirror Schematics
Master Electrical Component List
Inside Rearview Mirror W/DD7 or DD8
Battery Feed to the Fuse Block-Rear
Battery Feed to the Fuse Block-Rear
Keypad Microphone Signals
G402
G402