GM Service Manual Online
For 1990-2009 cars only
Makes
🢒
Oldsmobile
🢒
2002
🢒
Aurora
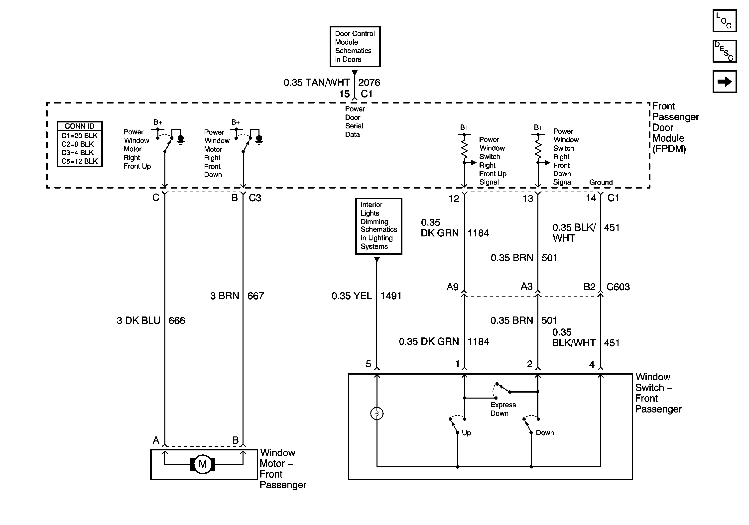
🢒 Front Passenger Window Switch and Window Motor
Front Passenger Window Switch and Window Motor
Front Passenger Window Switch and Window Motor
Master Electrical Component List
Power Windows Description and Operation
Driver Door Switch Assembly
Power Door Serial Data
Front Door Dimming