GM Service Manual Online
For 1990-2009 cars only

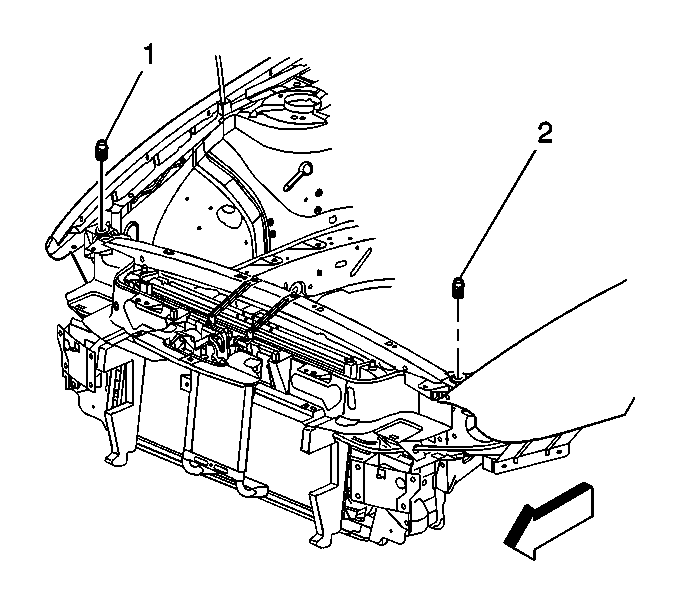
Fore and Aft Adjustment


    Object Number: 663000  Size: SH
  1. Loosen the lower hood hinge fasteners (1). Oversized holes allow fore and aft adjustment of the hood.
  2. Notice: Use the correct fastener in the correct location. Replacement fasteners must be the correct part number for that application. Fasteners requiring replacement or fasteners requiring the use of thread locking compound or sealant are identified in the service procedure. Do not use paints, lubricants, or corrosion inhibitors on fasteners or fastener joint surfaces unless specified. These coatings affect fastener torque and joint clamping force and may damage the fastener. Use the correct tightening sequence and specifications when installing fasteners in order to avoid damage to parts and systems.

  3. Install the lower hood hinge fasteners (1).
  4. Tighten
    Tighten the fasteners to 24 N·m (18 lb ft).

Up and Down Adjustment


    Object Number: 327801  Size: SH
  1. Loosen the adjustment link fasteners (2) on the lower hinge (1).
  2. Adjust the hood as necessary.
  3. Notice: Use the correct fastener in the correct location. Replacement fasteners must be the correct part number for that application. Fasteners requiring replacement or fasteners requiring the use of thread locking compound or sealant are identified in the service procedure. Do not use paints, lubricants, or corrosion inhibitors on fasteners or fastener joint surfaces unless specified. These coatings affect fastener torque and joint clamping force and may damage the fastener. Use the correct tightening sequence and specifications when installing fasteners in order to avoid damage to parts and systems.

  4. Tighten the adjustment link fastener (2).
  5. Tighten
    Tighten the fastener to 24 N·m (18 lb ft).


    Object Number: 637985  Size: SH
  6. Adjust the front hood bumpers (1, 2) so that the hood is flush with the fenders.
  7. Adjust the hood latch.

  8. Object Number: 130492  Size: SH
  9. After the hood adjustment is performed, sufficient load must remain on the front and rear hood bumpers to eliminate hood flutter. This can be achieved by lowering the hood latch an additional 3 mm (1/8 in), for front flutter, and raising the rear bumper (2) for rear flutter.