GM Service Manual Online
For 1990-2009 cars only
Makes
🢒
Oldsmobile
🢒
2003
🢒
Aurora
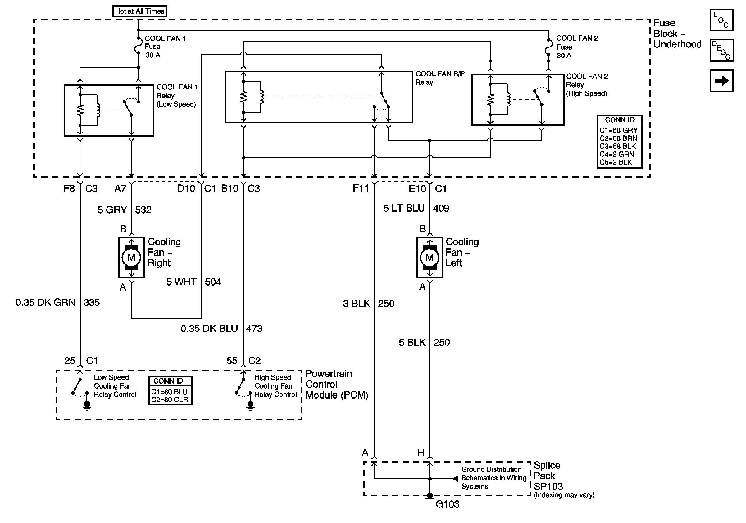
🢒 Cooling Fans and Relays
Cooling Fans and Relays
Cooling Fans and Relays
Master Electrical Component List
Cooling System Description and Operation
Coolant Level Switch
G103