GM Service Manual Online
For 1990-2009 cars only
Makes
🢒
Oldsmobile
🢒
2003
🢒
Aurora
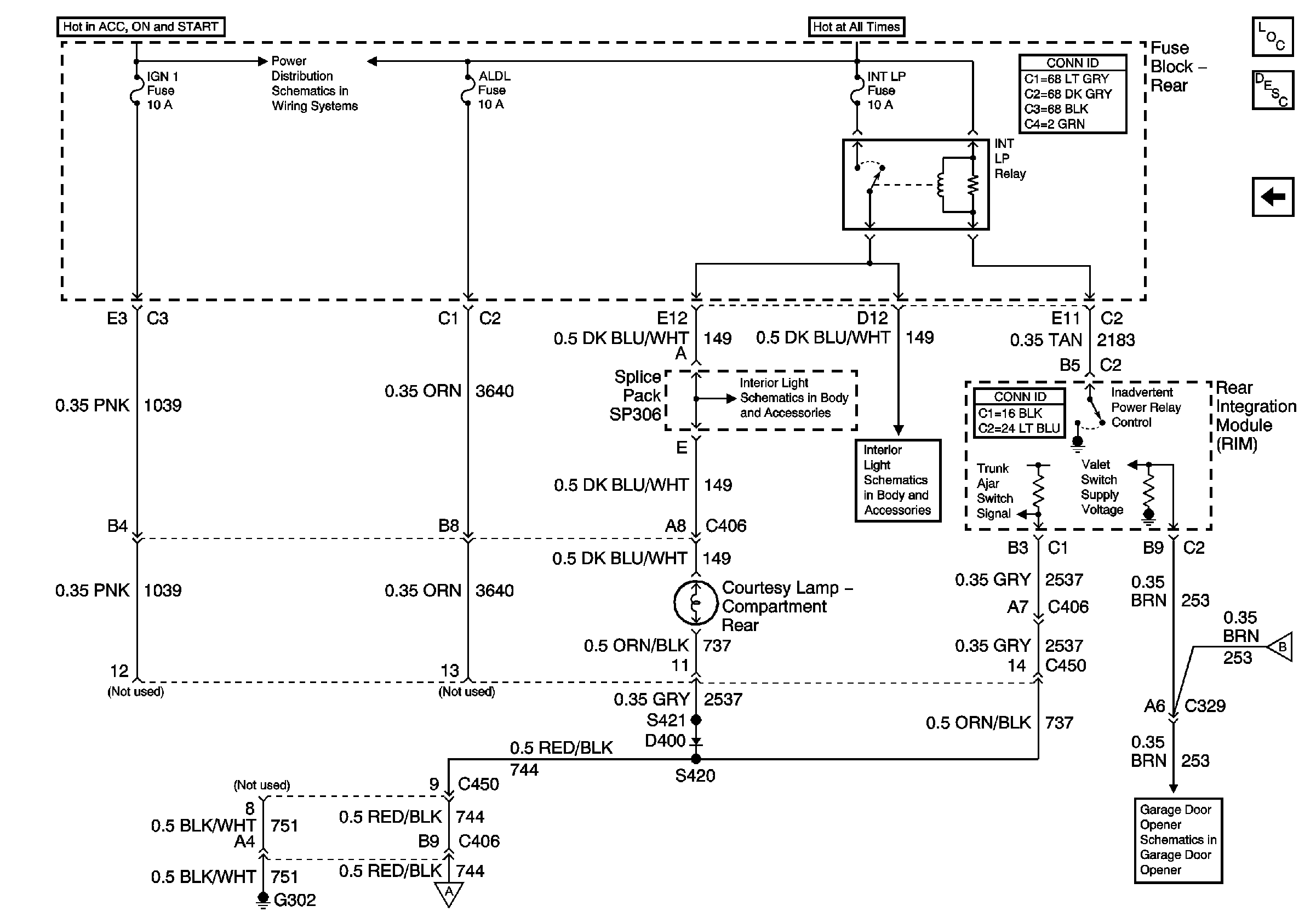
🢒 Body Rear End (2 of 2)
Body Rear End (2 of 2)
Rear Compartment Lamp
Master Electrical Component List
Body Rear End (1 of 2)
Body Rear End (1 of 2)
Body Rear End (1 of 2)
Interior and Front Courtesy Lamp Relays
Interior and Front Courtesy Lamp Relays
Garage Door Opener