GM Service Manual Online
For 1990-2009 cars only

BORG WARNER 4472 TRANSFER CASE DIAG. AND EXCHANGE PROC.

SUBJECT: BORG WARNER 4472 TRANSFER CASE DIAGNOSTIC AND EXCHANGE PROCEDURE

MODELS/YEARS: 1991 BRAVADA

THIS BULLETIN COVERS THE FOLLOWING:

- Preliminary diagnostic and exchange procedures for the 4472 Transfer Case.

- In order to provide helpful product feedback, 4472 Transfer Case needing warranty repair, other than output shaft seal replacement, is to be exchanged for a replacement unit.

IMPORTANT: Customer pay units requiring repair can continue to be serviced using individual parts available through GMSPO.

SERVICE INFORMATION:

Preliminary Diagnostic Procedure:

- Ensure correct oil fill.

- Ensure all engine and transmission mounts are tight.

- Check for proper tire inflation.

- Ensure the front propeller shaft is marked relative to other driveshaft components before disassembly. These components are match balanced and must be reassembled in the same relationship to maintain proper balance.

- Check for proper gear ratio of the front axle by manually turning the front wheels and counting the revolutions. (3.42:1 ratio)

Detailed Diagnostic Procedure:

CONCERN POSSIBLE CAUSE CORRECTION -------------- ------------------------ -------------------- Lubricant (ATF) Transfer case overfilled. Drain lubricant to leaking from vent level. hose.

Lubricant leaking 1. Vent hose plugged or 1. Repair. at front or rear kinked. output shaft seals. 2. Output shaft seals 2. Replace leaking damaged or improperly output shaft seal. installed.

Lubricant leak at 1. Loose case half bolts. 1a. Exchange complete case halves, 2. Loose extension housing unit- warranty. extension housing, bolts. or transfer case 3. Loose transfer case to 1b. Repair transfer adapter. adapter bolts. case as required- customer pay.

Fill plug or drain No thread sealant on plug. Remove plug, clean plug leaking. threads, apply sealant tape, reinstall plug.

Transfer case 1. Internal bearing or 1a. Exchange complete noisy. chain problem. unit- warranty. 1b. Repair transfer case as required- customer pay. 2. Low lubricant level. 2. Fill with DEXRON 1118 (ATF) to proper level.

Driveline 1 Worn or damaged engine 1 Repair or replace vibration. or transmission mounts. worn or damaged mount 2. Front or rear propeller 2. Rebalance or replace shaft bent or out of faulty propeller balance. shaft.

PARTS INFORMATION:

- A complete 4472 transfer case will be shipped pre-paid within one day (24 hours) for an approved exchange.

- In the event that the unit is repaired as customer pay or other non-exchange arrangement, refer to the GMSPO Parts Catalog (group 4), for a listing as well as an illustration of serviceable components for the 4472 transfer case.

EXCHANGE PROCEDURE:

1. Reference Figures 3, and 4 and have the required information available before calling. If the vehicle has an oil leak, determine where the leak is by using the oil leak identification chart. The noise chart can be filled out by using check marks. It is necessary to record this information as it will be needed to fill out the form on the transfer case being returned. (Blank forms will be shipped with exchange unit.) Record the GM part number, the Borg-Warner part number (44-72-000-004), and the unit serial number from the I.D. tag located at the middle of the transfer case.

2. Call Oldsmobile Technical Assistance. Oldsmobile-TAC will arrange with Borg-Warner Automotive to ship an exchange unit within one working day (24 hours).

3. Dealership will be provided with an authorization number (return material authorization) by Borg- Warner. This number must be written on the transfer case in black marker before its return. If the case is excessively greasy, write the authorization number on a tag and attach it to the case with wire.

4. Once an exchange unit is received, the replaced unit is to be returned to Borg-Warner Automotive within 8-10 days to avoid a chargeback. A return shipping label will be sent with the exchange unit.

5. THE REPLACED UNIT MUST BE RETURNED COMPLETE, AS REMOVED FROM THE VEHICLE WITHOUT ANY DISASSEMBLY OF THE UNIT. DEALERSHIPS RETURNING UNITS, EVEN PARTIALLY DISASSEMBLED WILL BE BILLED FOR MATERIALS FURNISHED.

6. The exchange unit will have a plastic bag attached to it. This bag will contain:

- Return shipping labels - Reporting form - Return shipping carrier information - Identification tag - Leak identification chart

PREPARATION FOR SHIPPING:

1. Drain all oil from unit.

2. Remove all plastic shipping plugs and covers from the replacement unit and install them on the replaced unit.

3. Place the report form, the identification forms, and a copy of the repair order in the enclosed plastic bag. Attach the bag and the identification tag to the complaint unit with enclosed wire.

4. Write the authorization number on the case cover of the complaint unit.

5. Repack the replaced unit into the original shipping container.

6. Place the shipping label on the original shipping container.

IMPORTANT: All return shipping is at Borg-Warner's expense via common carrier. Have your common carrier ship and bill to:

Borg-Warner Warranty Exchange U.S. Rt. 18 Blytheville, AK 72316

WARRANTY INFORMATION:

For repairs performed under warranty, claims should be submitted for R&R labor, and the parts handling allowance. Replacement transfer cases will be shipped to the dealer on a no-charge basis.

For vehicles repaired under warranty, use:

Labor Operation Number: K441 0 Labor Time: See current Labor Time Guide Trouble Code: 92 Part Number: 15672918

* Part Allowance: $78.30

The amount identified in the "Part Allowance" column above represents dealer handling allowance less 30% for parts that were furnished by Borg-Warner. The total credit memo amount for parts on a claim will be $101.79, {this amount includes an allowance for 1.4 liters (3 pints) of DEXRON 11 fluid}.

NOTE: QUANTITY IS ONE PER ASSEMBLY UNLESS OTHERWISE SPECIFIED.

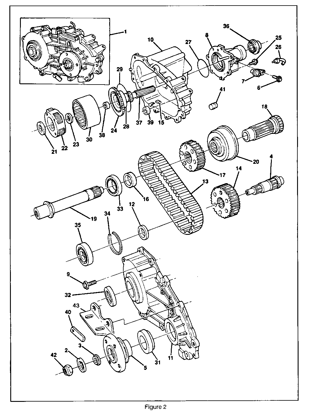
4.510 COMPLETE ASSEMBLY ...................................15672918 1. 4.505 CASE, Transfer (T) (Olds) (Incl Items #2-42)..........15654082 2. 4.510 WASHER, FRT Output Flange Nut (T) (Olds) .............15634061 3. 4.525 INSULATOR, FRT Output Flange Washer (T) (Olds) .......15634060 4. 4.530 SHAFT, FRT Output (T) (Olds) ........................15634057 5. 5.555 FLANGE, FRT Output (T) (Olds) ........................15634059 4.510 PIN, Transfer Case Half Location (T) (Olds) ..........14037948 5.545 DEFLECTOR, Transfer Case FRT (T) (Olds) ..............15580311 6. 4.510 BOLT, Speedo Sensor (T) (Olds) ......................15580318 7. 4.329 SENSOR, Speedo (T) (Olds) ............................15546837 8. 4.530 EXTENSION, RR Bearing Retainer (T) (Olds) ............15634044 9. 4.510 BOLT, Transfer Case (T) (Olds) (18 Reqd) .............15634045 10. 4.510 CASE, RR Half (T) (Olds)..............................15634055 4.525 RING, Transfer Case Two/Four Wheel .................15634079 Drive Clutch (T) (Olds) 11. N.S. CASE, Front (T) (Olds)................................ 12. 4.510 RING, FRT Output Shaft (T) (Olds) ....................15634066 13. 4.535 CHAIN, Drive (T) (Olds) ..............................15634064 14. 4.535 SPROCKET, Lower Driven (T) (Olds).....................15634063 15. 5.508 MAGNET, Chip Collector (T) (Olds) ....................3787240 16. 4.510 SPACER, Drive Sprocket Bearing (T) (Olds) ............15634053 17. 4.535 SPROCKET, Upper Drive (T) (Olds) .....................15634052 18. 4.535 GEAR, Input Shaft Sun (T) (Olds) .....................15634076 19. 4.530 SHAFT, Main input (T) (Olds) .........................15634046 4.349 FUNNEL, Transfer Case Oil (T) (Olds) .................10063242 4.535 BUSHING, Rear Sun GR (T) (Olds) ......................15634077 20. 4.535 CLUTCH, High/Low (T) (Olds) ..........................15634051 21. 4.510 WASHER, Planet Carrier Thrust (T) (Olds) .............15634049 4.510 WASHER, Planet Carrier Thrust (T) (Olds) .............15634039 22. 4.532 CARRIER,Planet (w/Input Gear) (T) (Olds) .............15634047 23. 4.510 WASHER, Planet Carrier Thrust (T) (Olds) .............15634048 24. 4.530 SHAFT, FRT Output (T) (Olds) .........................15634042 4.530 SCOOP, Transfer Case High/Low Carrier Oil (T) (Olds)..15634070 25. 4.510 BOLT, Rear Extension (T) (Olds) (7 Reqd) ............15634045 BOLT, Rear Extension (T) (Olds) (2 Reqd) (*1) ...... 26. 4.510 VENT, Case Breather (T) (Olds) .......................15634065 4.510 SEAL, Breather Vent (T) (Olds) ......................15634037 4.510 VENT, Case Breather (T) (Olds) .......................15634036 27. 4.510 RING, Output Shaft Bearing Snap (T) (Olds) ..........15634043 28. 4.520 BEARING, Output Shaft RR (T) (Olds) ..................9433245 29. 4.525 RING, Planet Gear Carrier Retaining (T) (Olds) .......15634072 30. 4.535 GEAR, Planet Gear Carrier Annulus (T) (Olds) ........15634071 31. 4.512 SEAL, Input Shaft Oil (T) (Olds) .....................14095609 32. 4.510 SEAL, Mainshaft Oil (T) (Olds) .......................15634058 33. 4.520 BEARING, Input (T) (Olds).............................12350284 34. 4.510 RING, FRT Output Bearing Snap (T) (Olds) .............15634056 35. 4.520 BEARING, FRT Output (T) (Olds) .......................12334814 N.S. BEARING, FRT Output (T) (Olds) ....................... 36. 4.515 SEAL, Output Shaft Oil (T) (Olds) ....................361165 37. 4.329 ROTOR, Speedo Driven Gear (T) (Olds)..................15619399 38. 4.520 BEARING, Input Drive Gear Pilot (T) (Olds) ...........9433245 39. 4.520 BEARING, Output Shaft RR (T) (Olds)...................12338883 40. N.S. TAG, Identification ................................. 41. 8.971 PLUG, Headless SO Socket (1/2) (T) (As Reqd) .........25522466 42. 4.510 NUT, FRT Output Flange (T) (Olds) ....................15634062 43. 4.500 BRACKET, Transfer Code Brace .........................15661055

NOTE 1: PART NOT ESTABLISHED FOR SERVICE AT TIME OF PUBLICATION


Object Number: 85311  Size: FS


Object Number: 85939  Size: FS


Object Number: 87469  Size: FS

General Motors bulletins are intended for use by professional technicians, not a "do-it-yourselfer". They are written to inform those technicians of conditions that may occur on some vehicles, or to provide information that could assist in the proper service of a vehicle. Properly trained technicians have the equipment, tools, safety instructions and know-how to do a job properly and safely. If a condition is described, do not assume that the bulletin applies to your vehicle, or that your vehicle will have that condition. See a General Motors dealer servicing your brand of General Motors vehicle for information on whether your vehicle may benefit from the information.