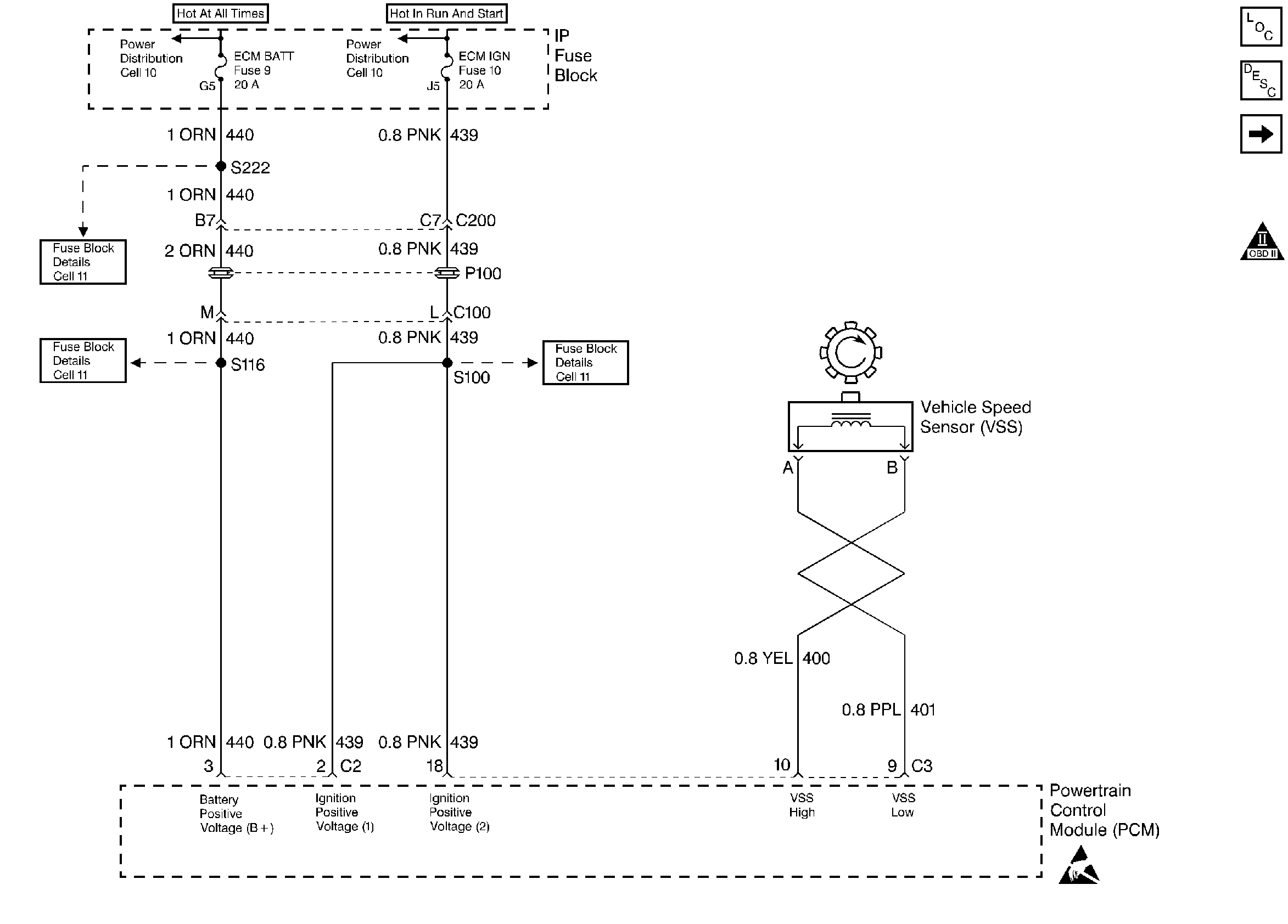
| Figure 1: |
PCM Power and VSS
|
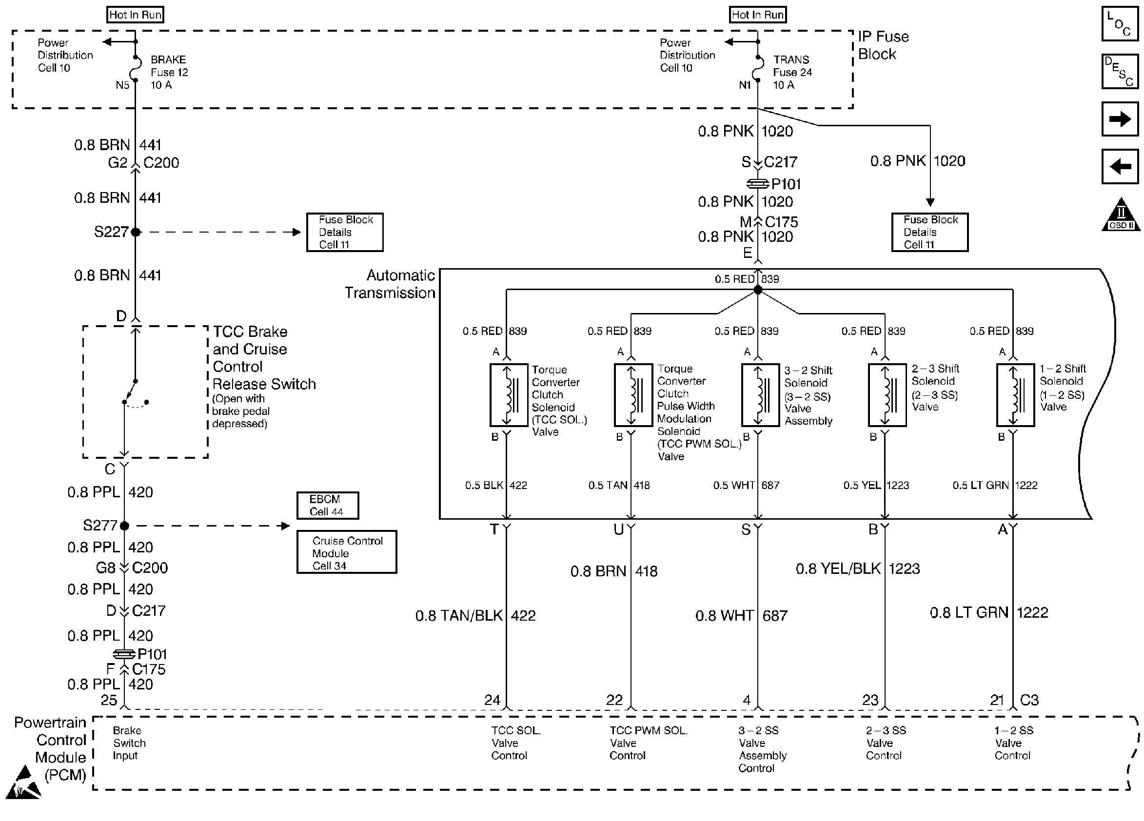
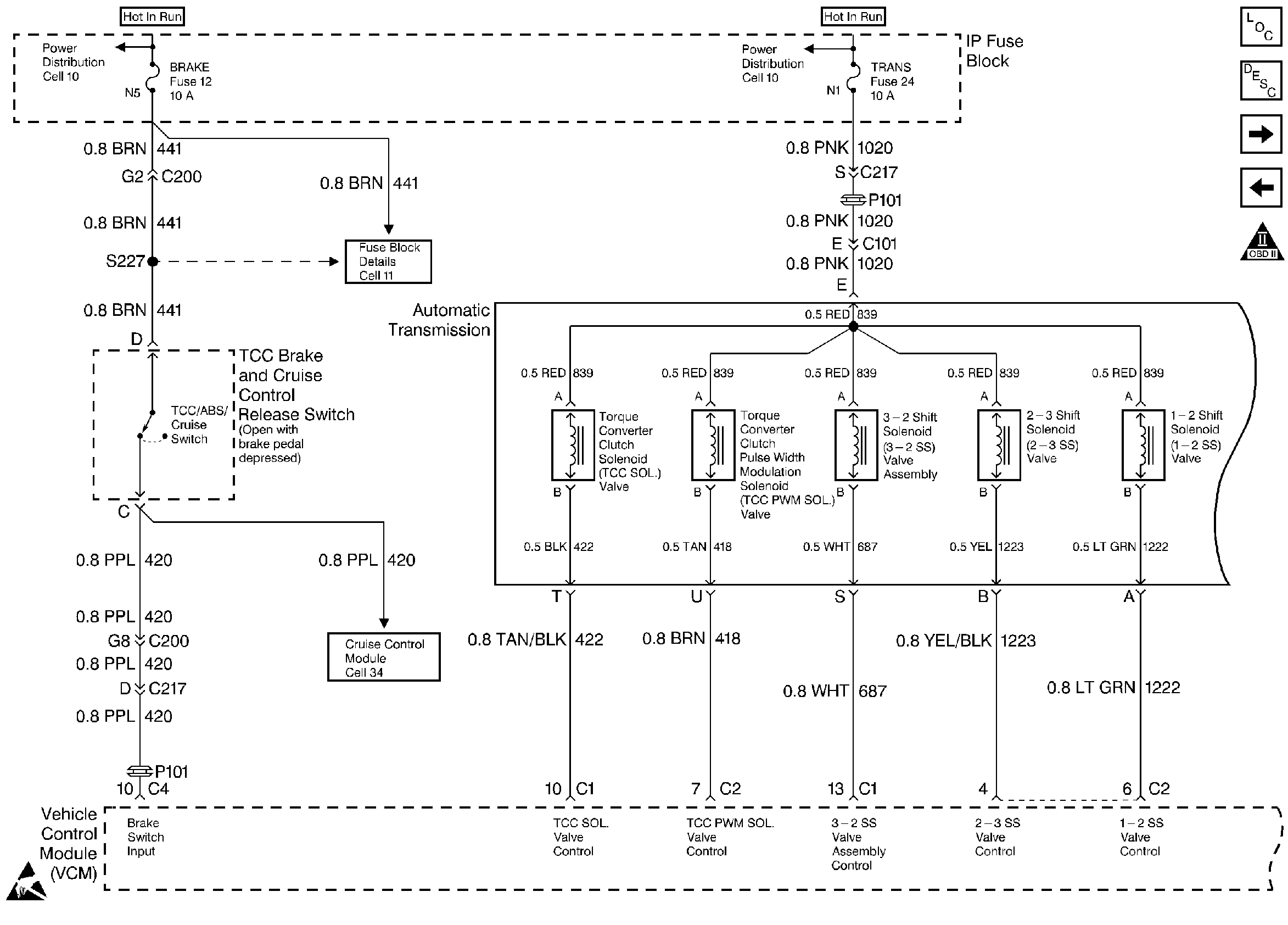
| Figure 2: |
Brake Switch and Solenoids
|
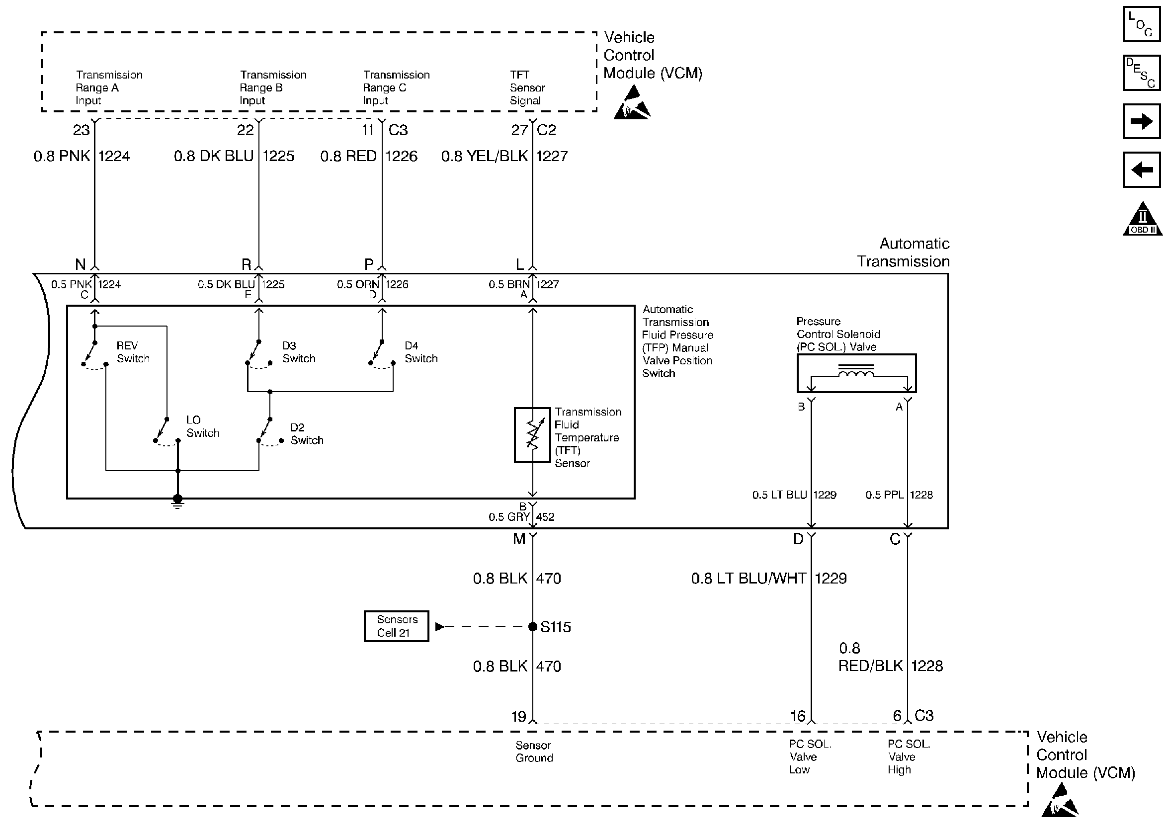
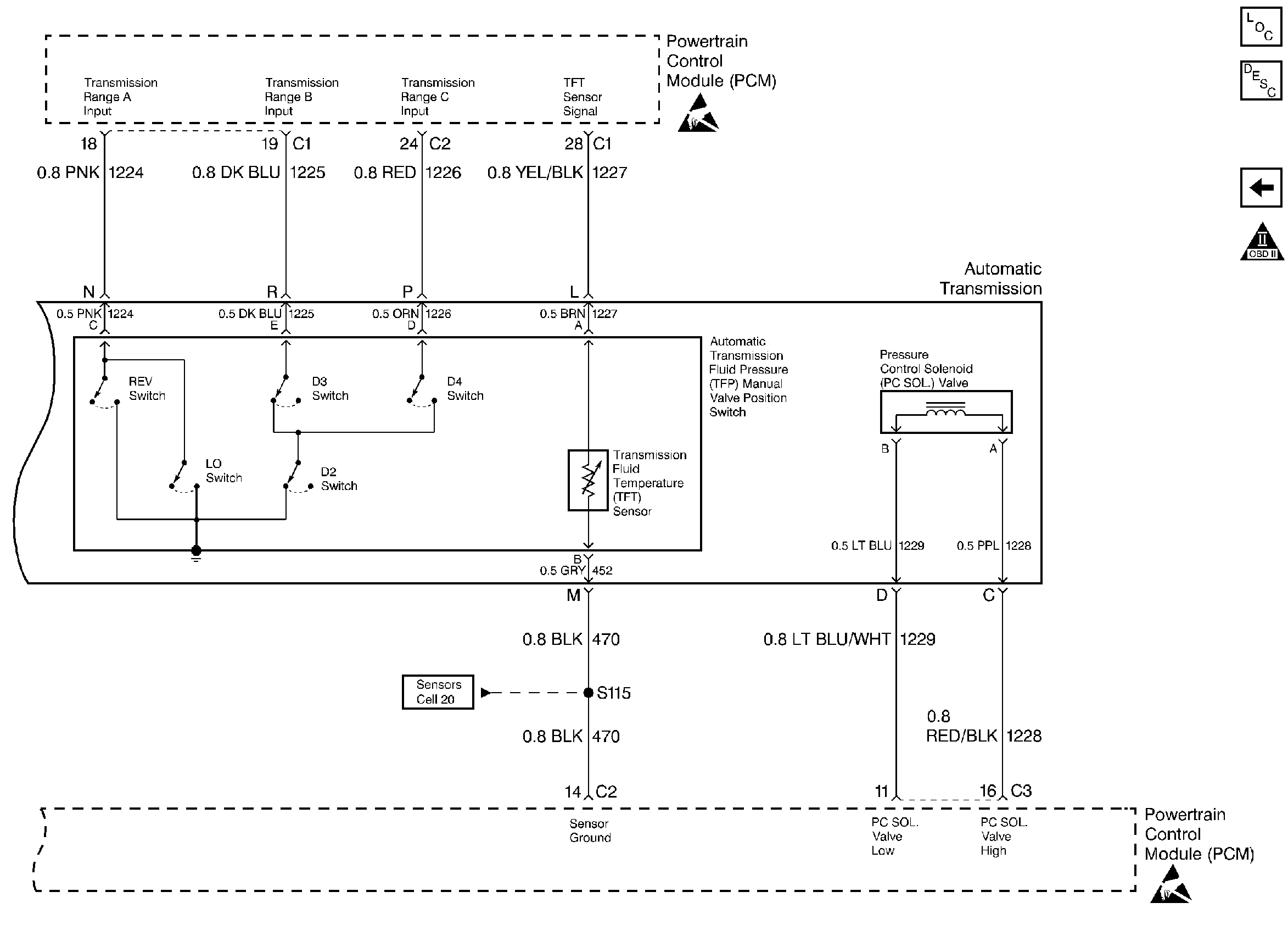
| Figure 3: |
TFP Valve Position Switch and PC Solenoid Valve
|
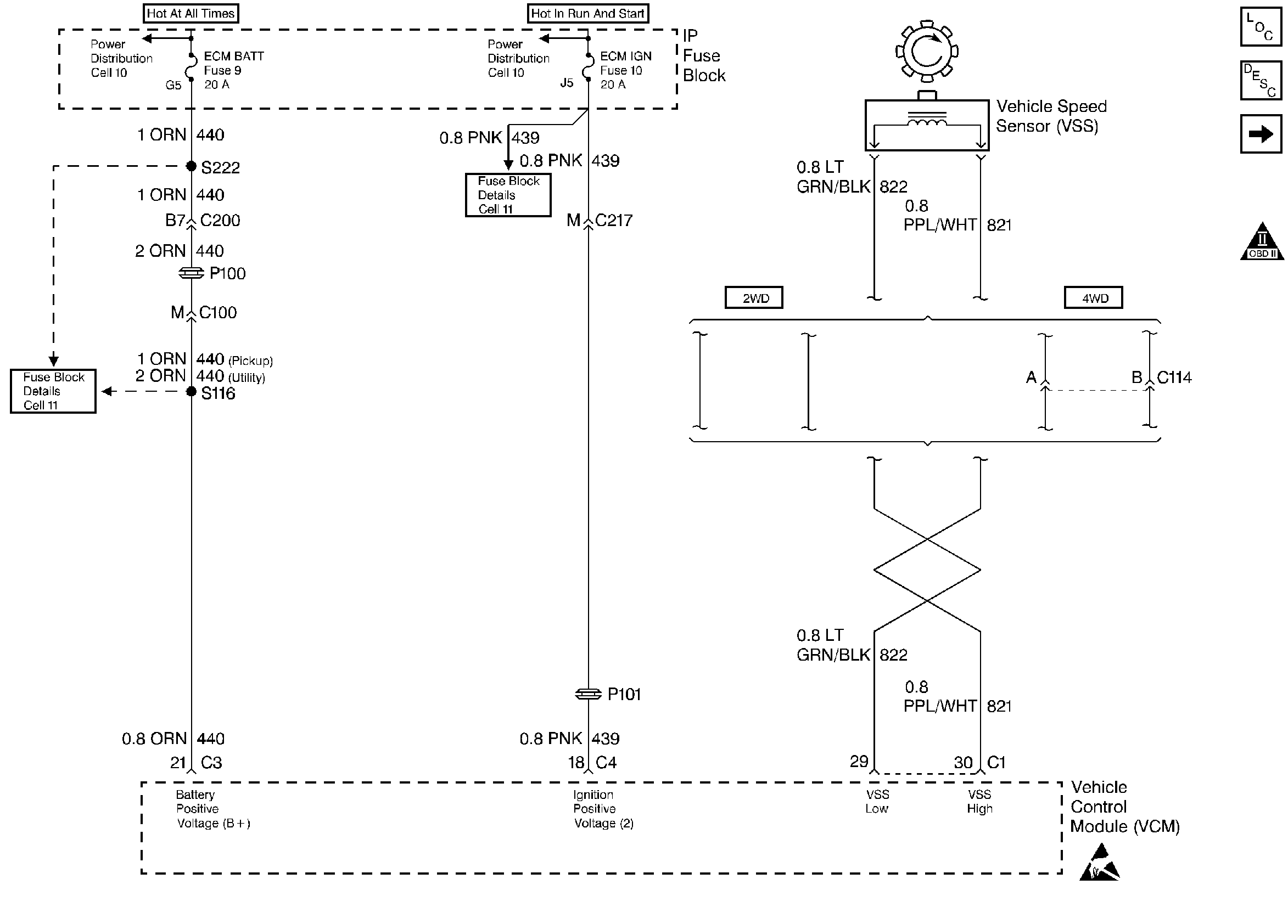
| Figure 1: |
VCM Power and VSS
|
| Figure 2: |
Brake Switch and Solenoids
|
| Figure 3: |
TFP Valve Position Switch and PC Solenoid Valve
|
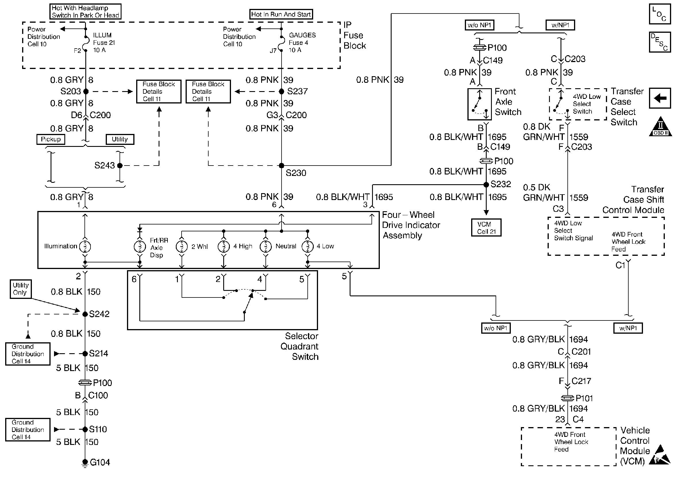
| Figure 4: |
4WD Indicator and Front Axle Switch
|