GM Service Manual Online
For 1990-2009 cars only
Makes
🢒
Oldsmobile
🢒
1998
🢒
Bravada
🢒
Body and Accessories
🢒
Horns
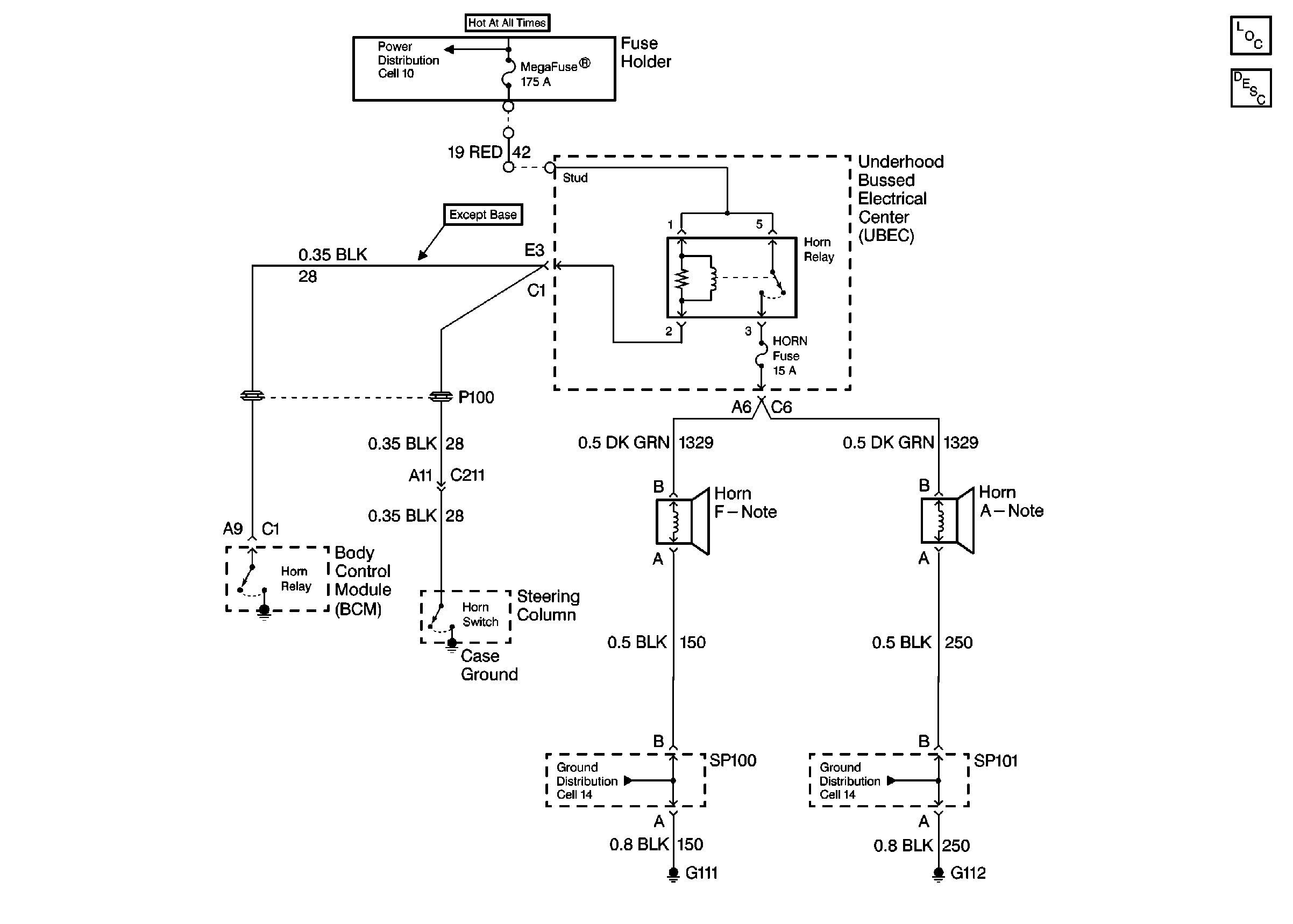
🢒 Horn Schematics
Cell 40
Horns Components
Horns Circuit Description
Power Distribution Schematics
Cell 14: G111 and G112 (Except Bravada/Envoy)
Cell 14: G111 and G112 (Except Bravada/Envoy)