GM Service Manual Online
For 1990-2009 cars only
Makes
🢒
Oldsmobile
🢒
1999
🢒
Bravada
🢒
Brakes
🢒
Hydraulic Brakes
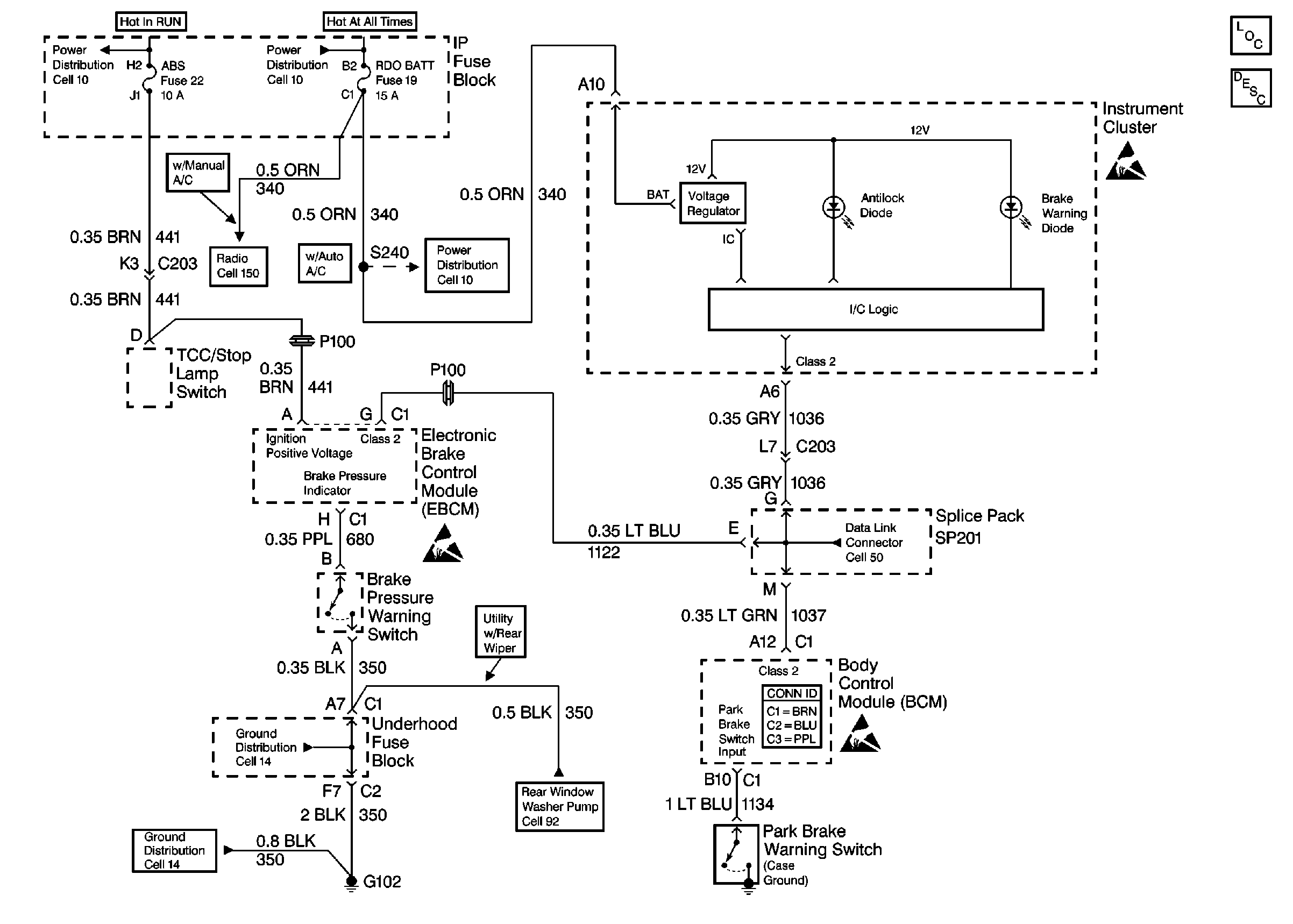
🢒 Brake Warning System Schematics
Cell 41
Cell 10: AUX PWR, RDO BATT and HDLP SW Fuses
Cell 150: Power and Ground (Chevy/GMC)
Cell 10: AUX PWR, RDO BATT and HDLP SW Fuses
Handling ESD Sensitive Parts Notice
Hydraulic Brakes Components
Brake Warning Lamp Description
Cell 50: Class 2 Communication (2.2L)
Body Control System Connector End Views
Handling ESD Sensitive Parts Notice