GM Service Manual Online
For 1990-2009 cars only

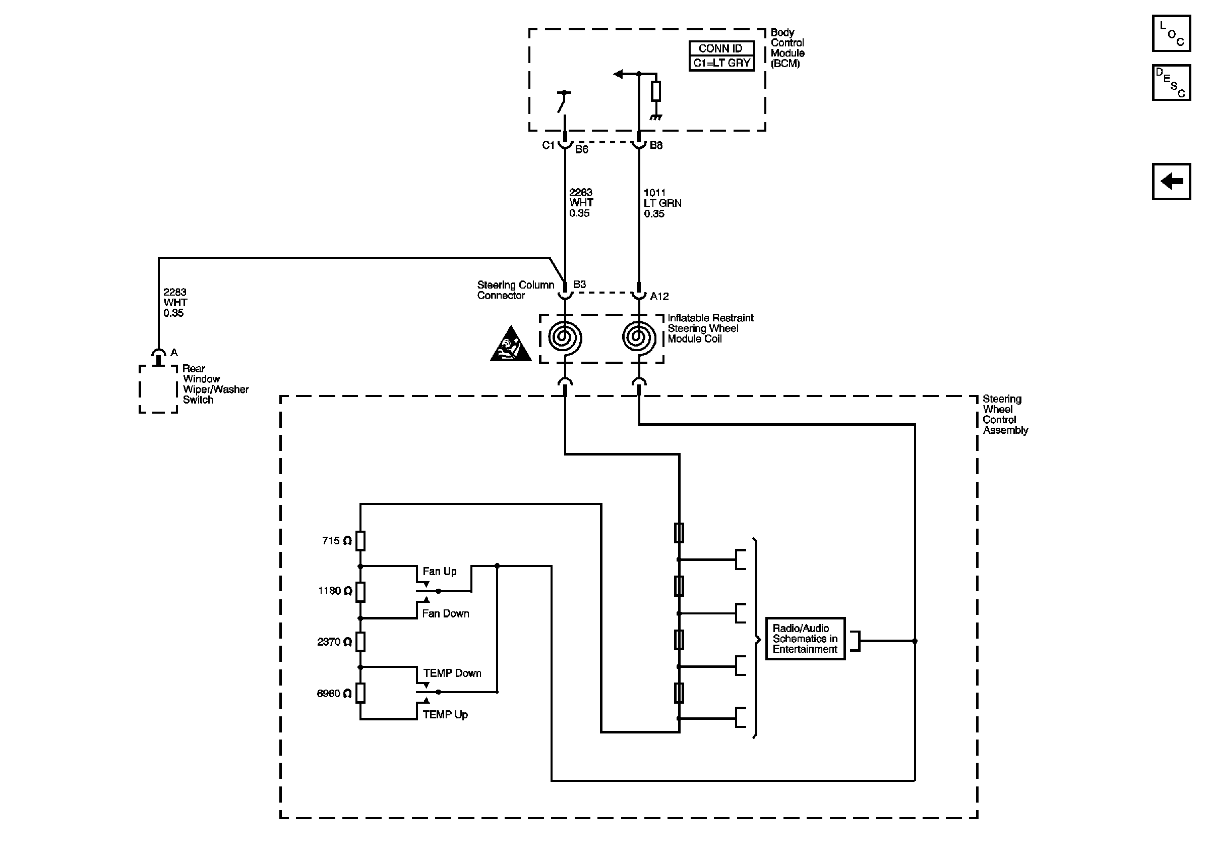
Steering Wheel Controls

Steering Wheel Controls


Object Number: 683781  Size: FS
Master Electrical Component List
Air Temperature Description and Operation
Rear Mode Controls - Body Type VIN 3
Steering Wheel Controls